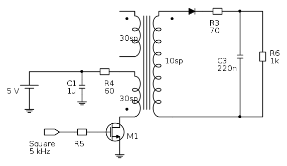
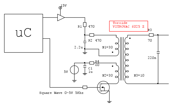
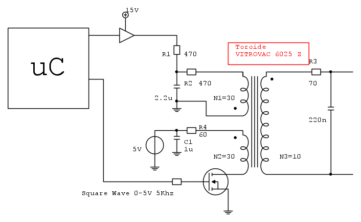
Premetto che visto il circuito mi è venuto da pensare ad un simil-flyback, ma non mi tornano il verso degli avvolgimenti (il "primario", quello connesso al MOS, dovrebbe essere girato) e mi manca almeno un diodo sul "secondario" (le virgolette sono state messe di proposito).
eimiar ha scritto:Vedendo questo schema mi è venuto un dubbio...
Con questa configurazione il mosfet non rischia di rompersi?
Dipende, a mio parere potrebbe anche rompersi, ma penso più per sovracorrente che per breakdown...
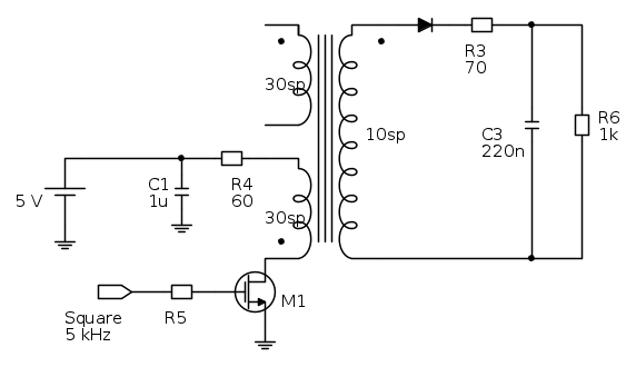
Immaginiamo (ma a questo punto stiamo un po' sparando ai fantasmi...) che lo schema implementato sia in realtà questo:
dimenticandoci momentaneamente dell'esistenza della circuiteria sull'avvolgimento ausiliario (quello con la batteria da 15 V).
eimiar ha scritto:1) Vgate = 0V, quindi il condensatore è carico oppure è in fase di carica. La corrente nell'induttore è nulla perché il mosfet è aperto
Ok, perfetto.
eimiar ha scritto:2) Vgate = 5 V, l'induttore preleva energia da alimentazione e da condensatore. Non potendo variare istantaneamente la corrente nell'induttore impiegherà del tempo (che per semplicità presumo che sia inferiore alla durata del periodo di un'onda quadra a 5 kHz) per stabilizzarsi al suo valore massimo
Dipende fondamentalmente dall'induttanza del "primario". Se fosse un flyback la corrente nel MOS dovrebbe raggiungere un certo valore (in prima approssimazione si suppone che salga linearmente con pendenza che dipende dall'induttanza del primario) dipendente dal duty cycle dell'onda quadra e dalla induttanza del "primario".
eimiar ha scritto:3) Vgate = 0V, il mosfet si apre, la corrente nell'induttore non può variare istantaneamente e siccome non c'è nessun'altro dispositivo su cui scaricarsi deve scaricarsi tutta sul mosfet, quindi la corrente perfora il dielettrico e tanti saluti al mosfet
Se lo schema fosse come quello proposto da me si scaricherebbe al "secondario" attraverso il diodo aggiunto, che da interdetto passa allo stato di conduzione, quindi il MOS come Vds vedrebbe solo i 5 V più la tensione riflessa dal "secondario".
Il MOS potrebbe rompersi per sovracorrente (dipende dal MOS...) quando si collega la batteria all'avvolgimento ausiliario, se il nucleo si satura facendo crollare il valore di induttanza dell'avvolgimento connesso al MOS.
eimiar ha scritto:La mia analisi è corretta?
Sarebbe opportuno mettere un diodo di ricircolo in parallelo all'induttore?
Perdonate l'off topic
Non è off-topic a mio parere, anche perché sicuramente qualcosa che manca nello schema originale c'è di sicuro. Potremmo anche essere tutti clamorosamente in errore.
Spero che
1) Sul "secondario" non c'è proprio null'altro? A cosa va a collegarsi il "secondario" nel resto del circuito?
2) Le resistenze R3 ed R4 non mi pare facciano parte, come valori, di nessuna serie standard. Siamo sicuri che sono resistori? Lo schema è la copia di uno schema originale o è stato dedotto direttamente da una scheda, e le presunte resistenze potrebbero essere qualcos'altro?
Ciao
PSQ

Elettrotecnica e non solo (admin)
Un gatto tra gli elettroni (IsidoroKZ)
Esperienza e simulazioni (g.schgor)
Moleskine di un idraulico (RenzoDF)
Il Blog di ElectroYou (webmaster)
Idee microcontrollate (TardoFreak)
PICcoli grandi PICMicro (Paolino)
Il blog elettrico di carloc (carloc)
DirtEYblooog (dirtydeeds)
Di tutto... un po' (jordan20)
AK47 (lillo)
Esperienze elettroniche (marco438)
Telecomunicazioni musicali (clavicordo)
Automazione ed Elettronica (gustavo)
Direttive per la sicurezza (ErnestoCappelletti)
EYnfo dall'Alaska (mir)
Apriamo il quadro! (attilio)
H7-25 (asdf)
Passione Elettrica (massimob)
Elettroni a spasso (guidob)
Bloguerra (guerra)










del MOS.

