Cos'è ElectroYou | Login Iscriviti

ElectroYou - la comunità dei professionisti del mondo elettrico

Resistor box

Elettronica lineare e digitale: didattica ed applicazioni

Moderatori: Foto Utentecarloc, Foto Utenteg.schgor, Foto UtenteBrunoValente, Foto UtenteIsidoroKZ

3
voti

[11] Re: Resistor Box

Messaggioda Foto UtenteDirtyDeeds » 20 gen 2014, 16:57

Heavy ha scritto:La temperatura sarà sempre all'interno dell'intervallo 20-25 °C. Le derive a lungo termine non sono un problema perché con quattro righe di codice si può fare un programma di calibrazione che utilizza un multimetro a 6+1/2 cifre come riferimento.


Certo, però tu ti domandavi come mai non ci fosse in commercio un prodotto sufficientemente economico di quel tipo: capisci che un prodotto di quel genere con le specifiche limitate che hai dato sopra e con la necessità di una ritaratura frequente... ehm... forse non avrebbe molto successo ;-)

Tieni poi anche presente che la taratura deve comprendere almeno due punti di misura per ciascun punto di resistenza, perché devi azzerare anche l'offset.
It's a sin to write sin instead of \sin (Anonimo).
...'cos you know that cos ain't \cos, right?
You won't get a sexy tan if you write tan in lieu of \tan.
Take a log for a fireplace, but don't take log for \logarithm.
Avatar utente
Foto UtenteDirtyDeeds
55,9k 7 11 13
G.Master EY
G.Master EY
 
Messaggi: 7012
Iscritto il: 13 apr 2010, 16:13
Località: Somewhere in nowhere

3
voti

[12] Re: Resistor Box

Messaggioda Foto UtenteDirtyDeeds » 20 gen 2014, 17:00

Heavy ha scritto:Per Paolino: non mi pare ci sia un termine standard


Come ti ho scritto in [2], il nome è cassetta di resistori (impropriamente, resistenze), a cui si può aggiungere la specificazione a decadi o decadici.
It's a sin to write sin instead of \sin (Anonimo).
...'cos you know that cos ain't \cos, right?
You won't get a sexy tan if you write tan in lieu of \tan.
Take a log for a fireplace, but don't take log for \logarithm.
Avatar utente
Foto UtenteDirtyDeeds
55,9k 7 11 13
G.Master EY
G.Master EY
 
Messaggi: 7012
Iscritto il: 13 apr 2010, 16:13
Località: Somewhere in nowhere

0
voti

[13] Re: Resistor Box

Messaggioda Foto UtenteHeavy » 20 gen 2014, 17:07

So d'accordo con te. Si tratta di uno strumento di misura e come tale ha un prezzo che sale esponenzialmente con la precisione. Per la taratura frequente il problema non è così pesante. Un emulatore di questo tipo ha senso se inserito in un sistema di misura automatico e quindi la taratura ciclica è solo un problema di logica di progetto della procedura di test.
Sul nome, sono d'accordo che si dovrebbe chiamare così. Io avrei dovuto dire che non c'è un termine comune, più che standard. Certo che in laboratorio una frase tipo "Passami la cassetta di resistori decadici" suonerebbe un po' strana. "Resistenze standard" ha giusto la metà delle sillabe. :cool:
Avatar utente
Foto UtenteHeavy
565 1 5
Utente disattivato per decisione dell'amministrazione proprietaria del sito
 
Messaggi: 260
Iscritto il: 28 dic 2013, 0:39
Località: Conegliano Veneto

0
voti

[14] Re: Resistor Box

Messaggioda Foto UtenteHeavy » 20 gen 2014, 17:32

DirtyDeeds ha scritto:potrebbe essere risolto con una pompa di corrente di tipo Howland.

Non capisco una cosa. Il circuito che ho disegnato è in pratica un bipolo, programmabile nella sua caratteristica. La pompa di Howland è un tripolo. La corrente viene generata come funzione di una tensione differenziale, ma su terminali diversi da quelli di ingresso. Non riesco a capire come si potrebbe emulare una resistenza in questo modo.
Avatar utente
Foto UtenteHeavy
565 1 5
Utente disattivato per decisione dell'amministrazione proprietaria del sito
 
Messaggi: 260
Iscritto il: 28 dic 2013, 0:39
Località: Conegliano Veneto

1
voti

[15] Re: Resistor Box

Messaggioda Foto UtenteDirtyDeeds » 20 gen 2014, 17:44

Heavy ha scritto: Non riesco a capire come si potrebbe emulare una resistenza in questo modo.


La pompa di Howland farebbe solo da generatore di corrente, tutto il resto sarebbe come nel tuo circuito.
It's a sin to write sin instead of \sin (Anonimo).
...'cos you know that cos ain't \cos, right?
You won't get a sexy tan if you write tan in lieu of \tan.
Take a log for a fireplace, but don't take log for \logarithm.
Avatar utente
Foto UtenteDirtyDeeds
55,9k 7 11 13
G.Master EY
G.Master EY
 
Messaggi: 7012
Iscritto il: 13 apr 2010, 16:13
Località: Somewhere in nowhere

0
voti

[16] Re: Resistor Box

Messaggioda Foto UtenteHeavy » 20 gen 2014, 18:42

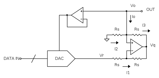
Vediamo cosa ne è uscito


Possiamo scrivere
I_1=I_3=I_0+I_2
poi
I_1=\frac{V_r-V_0}{R_S}
e
I_2=-\frac{V_0}{R_S}
unendo
\frac{V_r-V_0}{R_S}=I_0-\frac{V_0}{R_S}
moltiplicando per R_S
{V_r-V_0}=R_S\cdot I_0-{V_0}
semplificando e riorganizzando
I_O=\frac{V_r}{R_S}
La resistenza che si vede guardando nella porta di uscita è
R=\frac{V_O}{I_O}
Sostituendo
R=\frac{V_O\cdot R_S}{V_r}
Come in [2], il DAC ha come riferimento la tensione di uscita. Alla sua uscita avremo una frazione del riferimento in funzione del codice in ingresso. Se indichiamo con
k=\frac{D_{IN}}{2^{N_{BIT}}}
in uscita avremo
V_r=k\cdot V_O
e quindi
R=\frac{V_O\cdot R_S}{V_O\cdot k}=\frac{R_S}{k}
con k inferiore a 1. Bello Foto UtenteDirtyDeeds, più semplice di prima. Grazie. Facendolo flottante con alimentazione duale dovrebbe lavorare bene anche in prossimità dello zero. Non è realmente bipolare a causa del DAC, ma poco importa, un vero zero è sufficiente. Chissà se oscilla? :roll:
Avatar utente
Foto UtenteHeavy
565 1 5
Utente disattivato per decisione dell'amministrazione proprietaria del sito
 
Messaggi: 260
Iscritto il: 28 dic 2013, 0:39
Località: Conegliano Veneto

3
voti

[17] Re: Resistor Box

Messaggioda Foto UtenteDirtyDeeds » 20 gen 2014, 21:40

Heavy ha scritto:più semplice di prima.


Sulla carta ;-) L'Howland current pump, in generale, non è proprio un circuito privo di problemi, per cui prima di cantare vittoria ci sono ancora parecchie cose da verificare, tra cui, appunto, la stabilità e il comportamento in frequenza (sei proprio sicuro che tutti i circuiti che andrai a mettere in punto lavorino in DC?). Occhio, poi, che la resistenza di uscita di un DAC non è in genere bassa, se non ci metti un buffer.

Heavy ha scritto:Non è realmente bipolare a causa del DAC


Se usi un DAC moltiplicatore a 4 quadranti dovresti avere meno problemi.

Però, prima di partire con altri calcoli, quali sono l'intervallo di resistenza e il passo di sintesi di cui hai bisogno?

Poi, tieni conto che una resistenza del tipo R = R_0/k la puoi anche realizzare direttamente con una rete a scala, con accuratezza maggiore. Se invece vuoi realizzare una resistenza del tipo R = kR_0, usa una serie di resistori con pesi binari con contatti in parallelo.
It's a sin to write sin instead of \sin (Anonimo).
...'cos you know that cos ain't \cos, right?
You won't get a sexy tan if you write tan in lieu of \tan.
Take a log for a fireplace, but don't take log for \logarithm.
Avatar utente
Foto UtenteDirtyDeeds
55,9k 7 11 13
G.Master EY
G.Master EY
 
Messaggi: 7012
Iscritto il: 13 apr 2010, 16:13
Località: Somewhere in nowhere

0
voti

[18] Re: Resistor Box

Messaggioda Foto UtenteHeavy » 21 gen 2014, 10:09

DirtyDeeds ha scritto:sei proprio sicuro che tutti i circuiti che andrai a mettere in punto lavorino in DC?

La produzione attuale sì. Sarebbe bello avere uno strumento che risponda anche nel caso di eccitazione pulsata, ma stando all'adagio che dice che il meglio è nemico del bene...

DirtyDeeds ha scritto:Occhio, poi, che la resistenza di uscita di un DAC non è in genere bassa, se non ci metti un buffer.

Ma allora sei amico del giaguaro... oppure vendi buffer. Ci avevo pensato, dipende dall'impedenza di ingresso della pompa. Per farla alta bisogna modificare il ramo di reazione positiva , sdoppiando la Rs. Fatto un segnetto e poi si vedrà.

DirtyDeeds ha scritto:Se usi un DAC moltiplicatore a 4 quadranti dovresti avere meno problemi.

Ho visto che i DAC bipolari facilmente reperibili (RS) hanno necessità di un amplificatore esterno. Volendo fare il sistema completamente bipolare si potrebbe utilizzare anche un DAC semplice e creare un riferimento con offset. Si vedrà.

DirtyDeeds ha scritto:Però, prima di partire con altri calcoli, quali sono l'intervallo di resistenza e il passo di sintesi di cui hai bisogno?

Mettiamo giù un po' di dati.
Rmin = 750 ohm
Rmax = 500 kohm
Step = 250 ohm

DirtyDeeds ha scritto:Poi, tieni conto che una resistenza del tipo R = R_0/k la puoi anche realizzare direttamente con una rete a scala, con accuratezza maggiore. Se invece vuoi realizzare una resistenza del tipo R = kR_0, usa una serie di resistori con pesi binari con contatti in parallelo.

Questa è l'altra possibilità, da considerare con attenzione. Dovendo generare una corrente (o una tensione) una rete R-2R è una banalità. Dovendo invece fare un bipolo non ho trovato documentazione su come realizzarla. La soluzione delle R in parallelo andrebbe molto bene, ma anche in questo caso non ho trovato documentazione su come sintetizzare i valori, data una curva. Scegliendo le R con peso binario si devono mettere in serie, con i mosfet riferiti a tensioni variabili, una problematica che vorrei sinceramente evitare.
Avatar utente
Foto UtenteHeavy
565 1 5
Utente disattivato per decisione dell'amministrazione proprietaria del sito
 
Messaggi: 260
Iscritto il: 28 dic 2013, 0:39
Località: Conegliano Veneto

3
voti

[19] Re: Resistor box

Messaggioda Foto UtenteDirtyDeeds » 21 gen 2014, 11:34

Heavy ha scritto:con i mosfet riferiti a tensioni variabili,


Mosfet? Usa relè reed, che è meglio. Utilizzare dispositivi elettronici per fare questo tipo di circuiti può portare ad avere correnti di leakage tra il circuto pilota e quello di misura.

Heavy ha scritto:Dovendo invece fare un bipolo non ho trovato documentazione su come realizzarla.


Mi sono sbagliato io: serie o parallelo di resistori con pesi binari.
It's a sin to write sin instead of \sin (Anonimo).
...'cos you know that cos ain't \cos, right?
You won't get a sexy tan if you write tan in lieu of \tan.
Take a log for a fireplace, but don't take log for \logarithm.
Avatar utente
Foto UtenteDirtyDeeds
55,9k 7 11 13
G.Master EY
G.Master EY
 
Messaggi: 7012
Iscritto il: 13 apr 2010, 16:13
Località: Somewhere in nowhere

0
voti

[20] Re: Resistor box

Messaggioda Foto UtenteHeavy » 21 gen 2014, 11:56

I reed sono una rogna. Era la prima soluzione pensata: R in peso binario ad alta stabilità e contatti in parallelo. Al passaggio da 01111 a 10000 (per fare un esempio) ci sono millisecondi di totale imprevedibilità.
Sto affrontando il problema in questo modo. Invece di emulare una curva resistiva, emulo una curva conduttiva. A questo punto posso fare una rete di conduttanze in parallelo con mosfet che chiudono verso il riferimento. Stavo proprio guardando ora un BSS131 che ha leakage nell' ordine dei 10 nA sia D-S, sia G-S (perché non viene specificato il leakage G-D?). Sono mosfet che hanno 20 ohm di RDSon, irrisoria rispetto ai Megaohm da commutare. La curva è molto non lineare e dovrò trovare qualche escamotage per evitare una LUT enorme. Come hai giustamente visto tu, adesso il problema è il leakage, che si somma per ogni peso binario.
Avatar utente
Foto UtenteHeavy
565 1 5
Utente disattivato per decisione dell'amministrazione proprietaria del sito
 
Messaggi: 260
Iscritto il: 28 dic 2013, 0:39
Località: Conegliano Veneto

PrecedenteProssimo

Torna a Elettronica generale

Chi c’è in linea

Visitano il forum: Nessuno e 102 ospiti