Giri al secondo di un motore con uso di un display
Moderatori:
carloc,
g.schgor,
BrunoValente,
IsidoroKZ
0
voti
La buona volontà c'è, e questo è bene.
MA sai, fare un blocco "motore" che ti entra dentro un integrato ... ehm ... suvvia!
Però il terreno buono c'è, ora tocca coltivarlo.
Continua figliuolo, la strada che hai intrapreso è quella che ti porterà verso la conoscenza dei terribili misteri dell' elettronica digitale.
MA sai, fare un blocco "motore" che ti entra dentro un integrato ... ehm ... suvvia!
Però il terreno buono c'è, ora tocca coltivarlo.
Continua figliuolo, la strada che hai intrapreso è quella che ti porterà verso la conoscenza dei terribili misteri dell' elettronica digitale.

"La follia sta nel fare sempre la stessa cosa aspettandosi risultati diversi".
"Parla soltanto quando sei sicuro che quello che dirai è più bello del silenzio".
Rispondere è cortesia, ma lasciare l'ultima parola ai cretini è arte.
"Parla soltanto quando sei sicuro che quello che dirai è più bello del silenzio".
Rispondere è cortesia, ma lasciare l'ultima parola ai cretini è arte.
-

TardoFreak
73,9k 8 12 13 - -EY Legend-

- Messaggi: 15754
- Iscritto il: 16 dic 2009, 11:10
- Località: Torino - 3° pianeta del Sistema Solare
2
voti
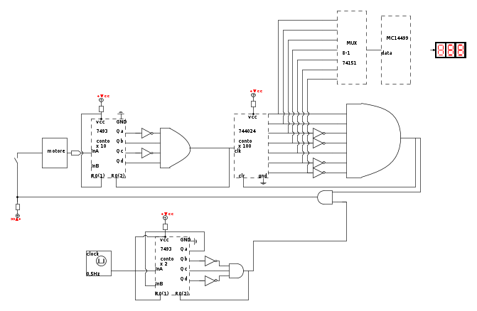
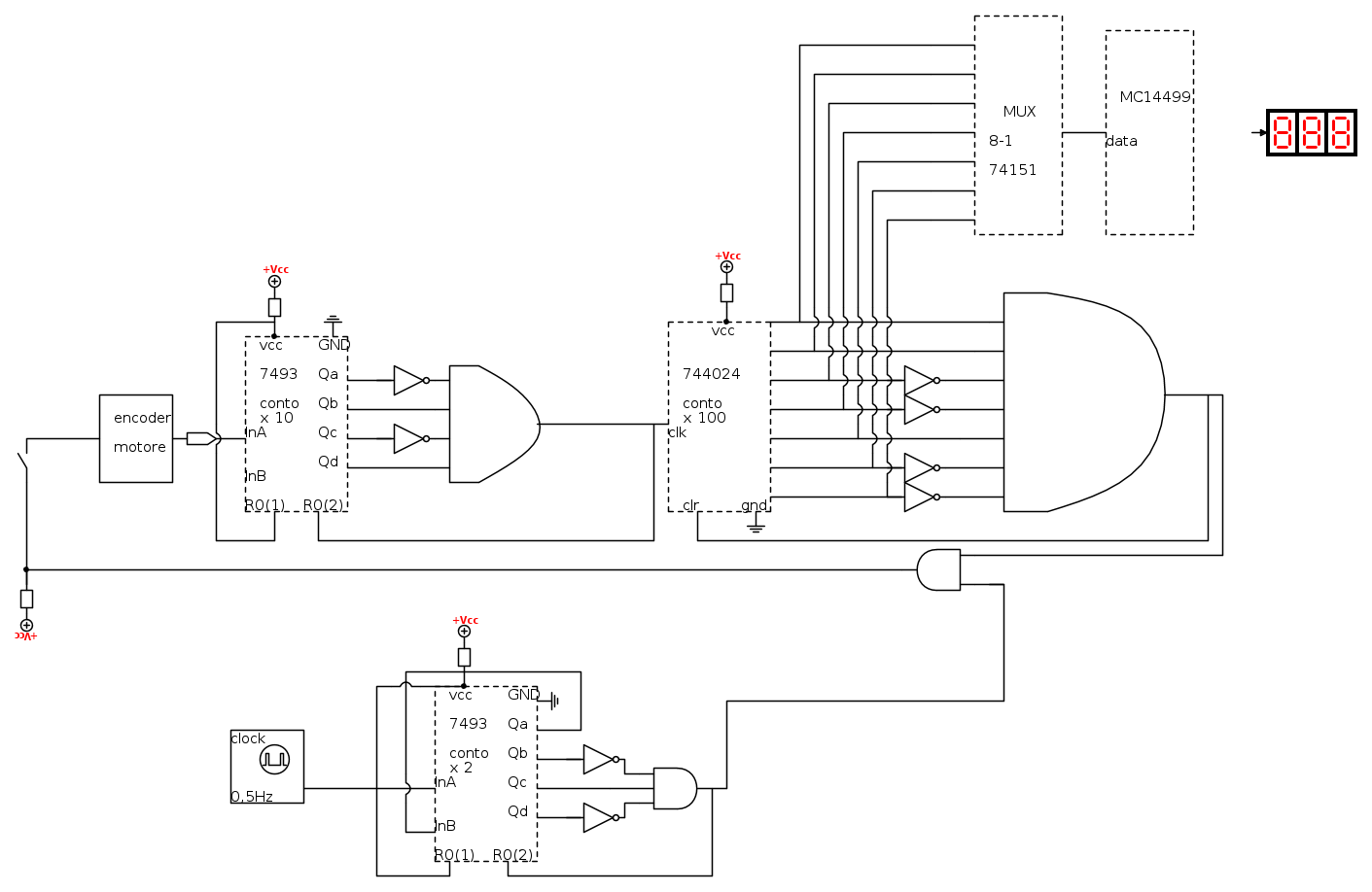
Chi pilota il MUX?
Ma cominciamo dall'inizio, adesso che c'è un abbozzo di schema, spiega il primo blocco.
Partiamo dal motore. Non spiegare altro.
Ma cominciamo dall'inizio, adesso che c'è un abbozzo di schema, spiega il primo blocco.
Partiamo dal motore. Non spiegare altro.
-

PietroBaima
90,7k 7 12 13 - G.Master EY

- Messaggi: 12207
- Iscritto il: 12 ago 2012, 1:20
- Località: Londra
0
voti
Candy ha scritto:Beh, spero che i tuoi insegnanti ed i libri che hai letto sino ad ora in questo tema, n on abbiano usato segni grafici di fantasia, solo perché, per brevità facevano prima diversamente.
Non ho detto che ho realizzato il grafico per brevità, bensì che ho impiegato più tempo a realizzare questo schifo (questo è il quadro della situazione) rispetto al tempo che avrei impiegato se avessi utilizzato i componenti già disegnati da difocadj. Altresì non ho affermato che con sufficenza è possibile spiegare qualcosa.
TardoFreak ha scritto:Ma tu non idea di quanto mi costi non riempirti di punti negativi per quella porcata. Mi costa molto trattenermi, uno sforzo che è al limite dell' umana sopportazione.
Però Linrush, tu lo sai che ti voglio bene e che ti tratto come un figlio quindi non deludermi, altrimenti vedrai la tua reputation schizzare nel campo dei numeri relativi.
Vai figliolo, rimedia, pentiti e non peccare più.
Ti darei se potessi 10000 punti solo per la satira
Il succo non cambia, ma la forma rende meno angusta la situazione.
2
voti
ti arriva un bit tra gnd e 5V già pronto?
Gli impulsi che arrivano hanno rimbalzi?
La durata degli impulsi è sufficiente?
Bisogna filtrare per evitare che segnali spuri entrino nel conteggio?
Gli impulsi che arrivano hanno rimbalzi?
La durata degli impulsi è sufficiente?
Bisogna filtrare per evitare che segnali spuri entrino nel conteggio?
-

PietroBaima
90,7k 7 12 13 - G.Master EY

- Messaggi: 12207
- Iscritto il: 12 ago 2012, 1:20
- Località: Londra
0
voti
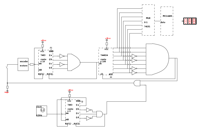
Da un motore ti arriva un albero che ruota.
Se poi ci metti un encoder, una D.T, o un qualcos' altro allora il discorso è diverso.
Ma lo devi specificare, almeno devi disegnarci un blocco.
Se poi ci metti un encoder, una D.T, o un qualcos' altro allora il discorso è diverso.
Ma lo devi specificare, almeno devi disegnarci un blocco.
"La follia sta nel fare sempre la stessa cosa aspettandosi risultati diversi".
"Parla soltanto quando sei sicuro che quello che dirai è più bello del silenzio".
Rispondere è cortesia, ma lasciare l'ultima parola ai cretini è arte.
"Parla soltanto quando sei sicuro che quello che dirai è più bello del silenzio".
Rispondere è cortesia, ma lasciare l'ultima parola ai cretini è arte.
-

TardoFreak
73,9k 8 12 13 - -EY Legend-

- Messaggi: 15754
- Iscritto il: 16 dic 2009, 11:10
- Località: Torino - 3° pianeta del Sistema Solare
0
voti
Il testo dell'esercizio lo avevo inserito nel primo post, queste informazioni non sono ripostate, suppongo che il professore volesse intendere una situazione ideale
1
voti
3
voti
Va beh, facciamo finta che l'encoder motore sia un circuito con il condizionamento a bordo e che tiri fuori un segnale logico pulito e ripetibile ad ogni giro.
Che cosa è quell'interruttore in serie all'encoder?
Che cosa è quell'interruttore in serie all'encoder?
-

PietroBaima
90,7k 7 12 13 - G.Master EY

- Messaggi: 12207
- Iscritto il: 12 ago 2012, 1:20
- Località: Londra
Chi c’è in linea
Visitano il forum: Google Adsense [Bot] e 107 ospiti

Elettrotecnica e non solo (admin)
Un gatto tra gli elettroni (IsidoroKZ)
Esperienza e simulazioni (g.schgor)
Moleskine di un idraulico (RenzoDF)
Il Blog di ElectroYou (webmaster)
Idee microcontrollate (TardoFreak)
PICcoli grandi PICMicro (Paolino)
Il blog elettrico di carloc (carloc)
DirtEYblooog (dirtydeeds)
Di tutto... un po' (jordan20)
AK47 (lillo)
Esperienze elettroniche (marco438)
Telecomunicazioni musicali (clavicordo)
Automazione ed Elettronica (gustavo)
Direttive per la sicurezza (ErnestoCappelletti)
EYnfo dall'Alaska (mir)
Apriamo il quadro! (attilio)
H7-25 (asdf)
Passione Elettrica (massimob)
Elettroni a spasso (guidob)
Bloguerra (guerra)


pigreco]=π