Cos'è ElectroYou | Login Iscriviti

ElectroYou - la comunità dei professionisti del mondo elettrico

PCB amplificatore audio

Elettronica lineare e digitale: didattica ed applicazioni

Moderatori: Foto Utentecarloc, Foto Utenteg.schgor, Foto UtenteBrunoValente, Foto UtenteIsidoroKZ

0
voti

[11] Re: PCB amplificatore audio

Messaggioda Foto Utentespud » 27 feb 2014, 0:45

dean95 ha scritto:è proprio quello che voglio fare anche se non si capisce da come l'ho disegnato.. :D quindi i dissipatori devono essere esterni al PCB e non su di esso?

no è che dal disegno non lo avevo capito, pensavo li volessi mettere distesi.
Va bene che il dissipatore si appoggi al PCB, anzi avrebbero un sostegno in più. Se prevedi due fori per fissarlo bene sarà ancora più solido, cosi non restano attaccati solo tramite i pin dei semiconduttori.

dean95 ha scritto:ho usato eagle perché sapevo che era possibile creare piani di massa,cosa impossibile con PROTHEUS...e poi pensavo che fosse diffuso eagle nonostante fidocad.. :D

non è tanto una questione di diffusione, il fatto è che se posti lo schema in fidocad tutti lo possono modificare e allegare alle risposte in semplicità
Atlant.

Behind every great man is a woman rolling her eyes.
Avatar utente
Foto Utentespud
3.767 3 10 12
free expert
 
Messaggi: 1601
Iscritto il: 1 feb 2012, 14:26
Località: Udine

0
voti

[12] Re: PCB amplificatore audio

Messaggioda Foto Utentedean95 » 4 mar 2014, 22:10

ed ecco finalmente il PCB da modificare( sarà almeno la terza volta che lo rifaccio, prima protheus,poi eagle poi fidocad :D ) e vi assicuro che questo sarà il post più lungo della storia di EY o quasi :D :D



come posso rimpicciolire le immagini senza far perdere la qualità alle immagini? in questo caso l'immagine relativa allo schema elettrico è incomprensibile a causa del resize.. :D

p.s non mi vorrete far mica far rifare lo schema su fidocad :D :D ? non c'è nulla da modificare.. :D

ps2: non escono tutti i simboli sullo schema quando lo posto? è dovuto alle librerie..come faccio?
Avatar utente
Foto Utentedean95
262 1 5 8
Sostenitore
Sostenitore
 
Messaggi: 954
Iscritto il: 20 ago 2010, 17:21

0
voti

[13] Re: PCB amplificatore audio

Messaggioda Foto Utentemarco438 » 5 mar 2014, 15:21

dean95 ha scritto:p.s non mi vorrete far mica far rifare lo schema su fidocad :D :D ? non c'è nulla da modificare.. :D

Si, forse non c'e' nulla da modificare ma e' illeggibile, quindi inutile.
Poi, per ridisegnare quello schema in FdoCadJ, bastano meno di cinque minuti. :D
dean95 ha scritto:ps2: non escono tutti i simboli sullo schema quando lo posto? è dovuto alle librerie..come faccio?

Forse dipende dalla versione FidoCadJ che stai usando, qual'e'?
marco
Avatar utente
Foto Utentemarco438
37,1k 7 11 13
-EY Legend-
-EY Legend-
 
Messaggi: 16323
Iscritto il: 24 mar 2010, 15:09
Località: Versilia

0
voti

[14] Re: PCB amplificatore audio

Messaggioda Foto Utentedean95 » 5 mar 2014, 20:42

Forse dipende dalla versione FidoCadJ che stai usando, qual'e'?


sto usando la versione 0.24.3, non quella standalone.. :D
Avatar utente
Foto Utentedean95
262 1 5 8
Sostenitore
Sostenitore
 
Messaggi: 954
Iscritto il: 20 ago 2010, 17:21

0
voti

[15] Re: PCB amplificatore audio

Messaggioda Foto Utentemarco438 » 5 mar 2014, 20:47

E' strano perche' ho provato a copiare il sorgente ed incollarlo e non viene fuori niente, o meglio un guazzabuglio di righe e simboli sovrapposti.
Mah.
marco
Avatar utente
Foto Utentemarco438
37,1k 7 11 13
-EY Legend-
-EY Legend-
 
Messaggi: 16323
Iscritto il: 24 mar 2010, 15:09
Località: Versilia

0
voti

[16] Re: PCB amplificatore audio

Messaggioda Foto UtenteBrunoValente » 5 mar 2014, 21:09

Ciao Foto Utentedean95,
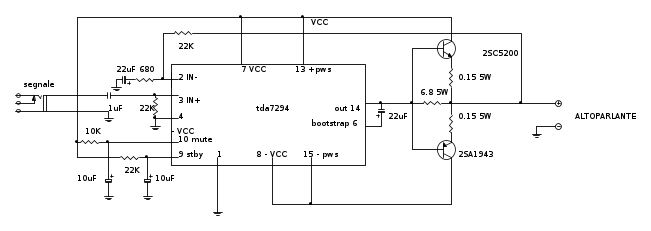
forse mi sono perso qualcosa ma ancora non ho capito di che integrato si tratta..anzi, a dir la verità non ho capito nulla, lo schema è illeggibile.
Potresti disegnarlo con fidocad scrivendo anche la sigla dell'integrato e senza tralasciare alcun dettaglio?
Se vuoi una mano per la disposizione delle piste è fondamentale che sia comprensibile il funzionamento dell'amplificatore e quindi lo schema.
Avatar utente
Foto UtenteBrunoValente
39,6k 7 11 13
G.Master EY
G.Master EY
 
Messaggi: 7796
Iscritto il: 8 mag 2007, 14:48

0
voti

[17] Re: PCB amplificatore audio

Messaggioda Foto Utentedean95 » 6 mar 2014, 0:21

Questo è lo schema anche se resta da risolvere il problema dello sbroglio...
Avatar utente
Foto Utentedean95
262 1 5 8
Sostenitore
Sostenitore
 
Messaggi: 954
Iscritto il: 20 ago 2010, 17:21

2
voti

[18] Re: PCB amplificatore audio

Messaggioda Foto UtenteBrunoValente » 6 mar 2014, 12:16

Se non hai sufficiente esperienza/attrezzature potresti incappare in problemi difficilmente risolvibili con l'aiuto del forum. Le autooscillazioni che possono derivare da un layout inadeguato sono quasi sempre un problema molto subdolo.

Ad esempio potrebbe funzionare tutto bene ma solo apparentemente: potrebbero, cosa molto comune, generarsi delle piccole oscillazioni alla frequenza di qualche centinaio di chiloertz (ovviamente non udibili) solo in prossimità delle creste e solo superando una certa ampiezza del segnale.. saresti in grado di scovarle? hai un generatore di segnali, un carico fittizio adeguato e un oscilloscopio?

Il consiglio che ti posso dare è di realizzare una delle soluzioni proposte nel datasheet dove c'è anche lo stampato e di seguirlo alla lettera senza apportare alcuna modifica. Certe modifiche che a prima vista sembrano insignificanti potrebbero invece generare problemi enormi, soprattutto quando le potenze in gioco sono alte.

Le due soluzioni di fig. 18 e 25 mi sembrano interessanti.
La prima è un modo furbo per aumentare l'efficienza ma è più complicata dell'altra.
La seconda va bene solo se il carico non è inferiore a 8 ohm
Avatar utente
Foto UtenteBrunoValente
39,6k 7 11 13
G.Master EY
G.Master EY
 
Messaggi: 7796
Iscritto il: 8 mag 2007, 14:48

0
voti

[19] Re: PCB amplificatore audio

Messaggioda Foto Utentedean95 » 6 mar 2014, 15:22

Lo schema è già stato testato con successo,non me lo sono inventato io :D
Posso citare anche il sito,se volete.. :D
Avatar utente
Foto Utentedean95
262 1 5 8
Sostenitore
Sostenitore
 
Messaggi: 954
Iscritto il: 20 ago 2010, 17:21

2
voti

[20] Re: PCB amplificatore audio

Messaggioda Foto UtenteBrunoValente » 6 mar 2014, 18:20

Vedo che non hai colto il senso di quello che ho detto: non mi riferivo allo schema ma allo stampato.

Gli elettrolitici di alimentazione non compaiono nello schema che hai riportato e neanche nella bozza dello stampato che hai disegnato .. questo, ad esempio, lascia intendere che la loro posizione per te è di secondaria importanza e invece è fondamentale ai fini del funzionamento.
Avatar utente
Foto UtenteBrunoValente
39,6k 7 11 13
G.Master EY
G.Master EY
 
Messaggi: 7796
Iscritto il: 8 mag 2007, 14:48

PrecedenteProssimo

Torna a Elettronica generale

Chi c’è in linea

Visitano il forum: Majestic-12 [Bot] e 50 ospiti