Diodi in serie
Moderatori:
carloc,
g.schgor,
BrunoValente,
IsidoroKZ
38 messaggi
• Pagina 2 di 4 • 1, 2, 3, 4
2
voti
[11] Re: diodi in serie
I tre diodi in serie non seguono le leggi del partitore resistivo, tanto è vero che la tensione si ripartisce così solo perché i diodi sono identici.
Se uno dei tre diodi avesse delle caratteristiche diverse, la tensione seguirebbe delle leggi fortemente non lineari.
Comunque, per il secondo circuito, ti suggerisco di provare a fare quello che ho fatto io, cioè scriverti le relazioni tensione corrente del circuito e provare a vedere quali siano le condizioni per avere il comportamento dato in ipotesi.
Sforzati un po' da solo, poi, se proprio non ci riesci...
Se uno dei tre diodi avesse delle caratteristiche diverse, la tensione seguirebbe delle leggi fortemente non lineari.
Comunque, per il secondo circuito, ti suggerisco di provare a fare quello che ho fatto io, cioè scriverti le relazioni tensione corrente del circuito e provare a vedere quali siano le condizioni per avere il comportamento dato in ipotesi.
Sforzati un po' da solo, poi, se proprio non ci riesci...
-

PietroBaima
90,7k 7 12 13 - G.Master EY

- Messaggi: 12207
- Iscritto il: 12 ago 2012, 1:20
- Località: Londra
1
voti
[12] Re: diodi in serie
andres90 ha scritto:che la tensione ai capi di ciascun resistore fosse 1/3 della totale, lo sapevo già dall'elettrotecnica, era un banale partitore di tensione.
Allora la sapevi male. La versione corretta è quella che ti ha scritto
andres90 ha scritto:semplicemente, pensavo che essendo I la corrente nella serie e Vo la tensione ai capi della serie, potessi usare Vo nella relazione della corrente nel diodo.
Io abito in un condominio di 3 piani: nel caso mi chiedessero quanto vale l'altezza del mio appartamento posso rispondere 10 m?
It's a sin to write
instead of
(Anonimo).
...'cos you know that
ain't
, right?
You won't get a sexy tan if you write
in lieu of
.
Take a log for a fireplace, but don't take
for
arithm.
instead of
(Anonimo)....'cos you know that
ain't
, right?You won't get a sexy tan if you write
in lieu of
.Take a log for a fireplace, but don't take
for
arithm.-

DirtyDeeds
55,9k 7 11 13 - G.Master EY

- Messaggi: 7012
- Iscritto il: 13 apr 2010, 16:13
- Località: Somewhere in nowhere
0
voti
[13] Re: diodi in serie
DirtyDeeds ha scritto:Allora la sapevi male. La versione corretta è quella che ti ha scrittoPietroBaima.
mi sono espresso male, avevo dato per scontato (nel parallelismo coi resistori) che questi dovessero essere uguali per avere Vo/3. Resta il fatto che ancora non sono riuscito a venire a capo al problema successivo

2
voti
[14] Re: Diodi in serie
mah...
allora, anzitutto il generatore è da 10mA, quindi non è possibile che in uno dei due diodi scorra di più di tale corrente.
Quelle due condizioni ti sono state date per trovare i parametri dei due diodi, che sono identici.
Traducendo quelle condizioni in equazioni abbiamo che:


Facendo il rapporto delle due equazioni otteniamo che:

da cui non ti sarà difficile ricavare n.
Dal circuito possiamo scrivere che:

dove
è la corrente circolante nel diodo in serie alla resistenza e
l'altra.
è la tensione di uscita (80mV).
si ha che

sapendo che
e avendo n non ti sarà difficile trovare
, da cui troverai R.
Però cerca di sforzarti di più da solo.
Ciao,
Pietro.
allora, anzitutto il generatore è da 10mA, quindi non è possibile che in uno dei due diodi scorra di più di tale corrente.
Quelle due condizioni ti sono state date per trovare i parametri dei due diodi, che sono identici.
Traducendo quelle condizioni in equazioni abbiamo che:


Facendo il rapporto delle due equazioni otteniamo che:

da cui non ti sarà difficile ricavare n.
Dal circuito possiamo scrivere che:

dove
è la corrente circolante nel diodo in serie alla resistenza e
l'altra.
è la tensione di uscita (80mV).si ha che

sapendo che
e avendo n non ti sarà difficile trovare
, da cui troverai R.Però cerca di sforzarti di più da solo.
Ciao,
Pietro.
-

PietroBaima
90,7k 7 12 13 - G.Master EY

- Messaggi: 12207
- Iscritto il: 12 ago 2012, 1:20
- Località: Londra
0
voti
[15] Re: Diodi in serie
intanto, un sentitissimo grazie a
PietroBaima per avermi indicato lo svolgimento: in realtà, sapendo quali sono le regole del forum e sapendo come convenga preparare un esame, non pretendevo che mi venisse scritto per intero lo svolgimento ( e ci mancherebbe altro! ). Avevo semplicemente esternato il fatto che non stessi venendo a capo, contando di rifarmi vivo non appena mi fossi arreso
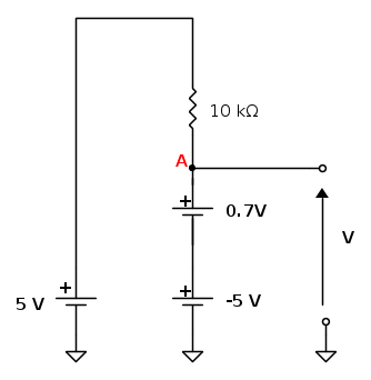
Detto ciò, credo che abbia dei problemi più "terra terra" nella "lettura" degli schemi. Mi spiego: prima che tornassi sull'esercizio di ieri che mi hai illustrato, oggi ne ho visto un altro di questo tipo
l'esercizio chiede di sostituire al diodo ideale il suo modello a tensione costante: dunque, se immagino di metterci una batteria da 0,7 V, all'inizio ho pensato che in A leggessi una tensione di uscita V = 0,7 V. Però, se ridisegno lo schema (o comunque, evidenzio la terra rispetto a cui valuto la tensione di uscita)
e considero il cammino che ho evidenziato in figura con le frecce, ottengo:
![\[V - 0.7 + 5 = 0\] \[V - 0.7 + 5 = 0\]](/forum/latexrender/pictures/94da7669d41d935d592b2a85fe4a81f3.png)
che coincide con la soluzione.
In definitiva, quel terminale che mi porta da A all'uscita non va interpretato come la tensione nel punto A? Mi aiutate a capire come non sbagliare?
Detto ciò, credo che abbia dei problemi più "terra terra" nella "lettura" degli schemi. Mi spiego: prima che tornassi sull'esercizio di ieri che mi hai illustrato, oggi ne ho visto un altro di questo tipo
l'esercizio chiede di sostituire al diodo ideale il suo modello a tensione costante: dunque, se immagino di metterci una batteria da 0,7 V, all'inizio ho pensato che in A leggessi una tensione di uscita V = 0,7 V. Però, se ridisegno lo schema (o comunque, evidenzio la terra rispetto a cui valuto la tensione di uscita)
e considero il cammino che ho evidenziato in figura con le frecce, ottengo:
![\[V - 0.7 + 5 = 0\] \[V - 0.7 + 5 = 0\]](/forum/latexrender/pictures/94da7669d41d935d592b2a85fe4a81f3.png)
che coincide con la soluzione.
In definitiva, quel terminale che mi porta da A all'uscita non va interpretato come la tensione nel punto A? Mi aiutate a capire come non sbagliare?
3
voti
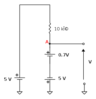
[16] Re: Diodi in serie
andres90 ha scritto:In definitiva, quel terminale che mi porta da A all'uscita non va interpretato come la tensione nel punto A?
Come prima cosa: prego, ma ti ribadisco (a costo di diventare antipatico) che devi sforzarti da solo sugli esercizi. Una nozione conquistata lo è per sempre.
Premesso questo, direi che bisogna chiarire cosa si intende per tensione sul punto A.
La dizione tensione sul punto A significa: "La tensione tra il punto A e il riferimento".
Se vuoi capire che tensione c'è su A devi andare a vedere che tensione c'è tra quel punto e il suo riferimento.
Lascia perdere i termini massa e terra che vogliono dire altro.
La dizione corretta è "0V" oppure "riferimento di tensione".
se vuoi puoi leggerti questo articolo sempreverde, per fare chiarezza sul punto.
Nel tuo caso, semplicemente, tra il punto A e il riferimento ci sono 0.7V del diodo e -5V del generatore di tensione.
andres90 ha scritto:Mi aiutate a capire come non sbagliare?
Schematizza la cosa così:
Ciao,
Pietro.
-

PietroBaima
90,7k 7 12 13 - G.Master EY

- Messaggi: 12207
- Iscritto il: 12 ago 2012, 1:20
- Località: Londra
0
voti
[17] Re: Diodi in serie
-

BrunoValente
39,6k 7 11 13 - G.Master EY

- Messaggi: 7796
- Iscritto il: 8 mag 2007, 14:48
0
voti
[18] Re: Diodi in serie
-

PietroBaima
90,7k 7 12 13 - G.Master EY

- Messaggi: 12207
- Iscritto il: 12 ago 2012, 1:20
- Località: Londra
0
voti
[19] Re: Diodi in serie
PietroBaima ha scritto:Dovrebbe essere la stessa cosa.
Sì, è la stessa cosa. Il secondo disegno è forse meno ambiguo (o più da elettronici
It's a sin to write
instead of
(Anonimo).
...'cos you know that
ain't
, right?
You won't get a sexy tan if you write
in lieu of
.
Take a log for a fireplace, but don't take
for
arithm.
instead of
(Anonimo)....'cos you know that
ain't
, right?You won't get a sexy tan if you write
in lieu of
.Take a log for a fireplace, but don't take
for
arithm.-

DirtyDeeds
55,9k 7 11 13 - G.Master EY

- Messaggi: 7012
- Iscritto il: 13 apr 2010, 16:13
- Località: Somewhere in nowhere
0
voti
[20] Re: Diodi in serie
DirtyDeeds ha scritto:nel disegno originale il - di "-5 V" potrebbe sfuggire.
Giusto, in effetti è capitato anche a me, talvolta!
Ciao,
Pietro.
-

PietroBaima
90,7k 7 12 13 - G.Master EY

- Messaggi: 12207
- Iscritto il: 12 ago 2012, 1:20
- Località: Londra
38 messaggi
• Pagina 2 di 4 • 1, 2, 3, 4
Chi c’è in linea
Visitano il forum: Nessuno e 145 ospiti

Elettrotecnica e non solo (admin)
Un gatto tra gli elettroni (IsidoroKZ)
Esperienza e simulazioni (g.schgor)
Moleskine di un idraulico (RenzoDF)
Il Blog di ElectroYou (webmaster)
Idee microcontrollate (TardoFreak)
PICcoli grandi PICMicro (Paolino)
Il blog elettrico di carloc (carloc)
DirtEYblooog (dirtydeeds)
Di tutto... un po' (jordan20)
AK47 (lillo)
Esperienze elettroniche (marco438)
Telecomunicazioni musicali (clavicordo)
Automazione ed Elettronica (gustavo)
Direttive per la sicurezza (ErnestoCappelletti)
EYnfo dall'Alaska (mir)
Apriamo il quadro! (attilio)
H7-25 (asdf)
Passione Elettrica (massimob)
Elettroni a spasso (guidob)
Bloguerra (guerra)
pigreco]=π




