Amplificare segnale debole
Moderatori:
carloc,
g.schgor,
BrunoValente,
IsidoroKZ
30 messaggi
• Pagina 2 di 3 • 1, 2, 3
0
voti
No, aspe intendevi i BJT... si, a casa ho questi posso usarli in qualche modo? ne ho 100 xD
-

daniele1996
610 3 8 11 - Sostenitore

- Messaggi: 1554
- Iscritto il: 29 ago 2011, 11:29
2
voti
Se hai gli equivalenti PNP 2N3906 puoi pilotare questi con i 2N3904 ed ottenere una tensione in po più alta.
Il circuito a cui mi riferisco è quello del messaggio 2 di questo thread:
viewtopic.php?f=1&t=30725&hilit=+elettrovalvola
La tensione la prelevi ai capi di RL.
Fai una prova.
Il circuito a cui mi riferisco è quello del messaggio 2 di questo thread:
viewtopic.php?f=1&t=30725&hilit=+elettrovalvola
La tensione la prelevi ai capi di RL.
Fai una prova.
2
voti
daniele1996 ha scritto:vi dico a priori che in uscita dovrebbe dare il Vcc.. purtroppo non lo da
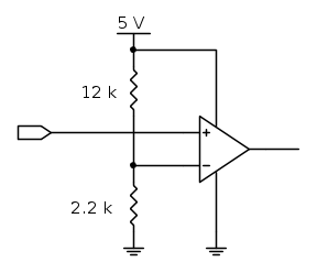
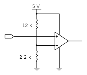
Significa che qualcosa non va, in ogni caso puoi fare così
In cui il segnale di uscita è invertito, oppure così:
Con quelle resistenze hai una soglia di 0.77 V, il segnale non è più invertito e la transizione più veloce.
Edit: ho appena visto il post [11], puoi usare i 2N3904 come sostituti del BC nel mio primo schema.
-

marioursino
5.687 3 9 13 - G.Master EY

- Messaggi: 1598
- Iscritto il: 5 dic 2009, 4:32
0
voti
Uhm.. credo userò lo schema con l ampli...l lm339 può andar bene?
grazie a tutti per le risposte ;)
grazie a tutti per le risposte ;)-

daniele1996
610 3 8 11 - Sostenitore

- Messaggi: 1554
- Iscritto il: 29 ago 2011, 11:29
1
voti
daniele1996 ha scritto:Bipolari = BJT giusto? o intendi qualcos'altro?
Dopo averti indicato uno schema, mi viene spontaneo pensare che mi stai prendendo palesemente per il cucco.
Buon proseguimento.

0
voti
perdonami per la mia distrazione... mmh si, controllo se ho dei PNP e faccio una prova...
-

daniele1996
610 3 8 11 - Sostenitore

- Messaggi: 1554
- Iscritto il: 29 ago 2011, 11:29
0
voti
ho guardato... PNP non ne ho... :/ Con l'NPN solo non si puo fare?
-

daniele1996
610 3 8 11 - Sostenitore

- Messaggi: 1554
- Iscritto il: 29 ago 2011, 11:29
30 messaggi
• Pagina 2 di 3 • 1, 2, 3
Chi c’è in linea
Visitano il forum: Nessuno e 282 ospiti

Elettrotecnica e non solo (admin)
Un gatto tra gli elettroni (IsidoroKZ)
Esperienza e simulazioni (g.schgor)
Moleskine di un idraulico (RenzoDF)
Il Blog di ElectroYou (webmaster)
Idee microcontrollate (TardoFreak)
PICcoli grandi PICMicro (Paolino)
Il blog elettrico di carloc (carloc)
DirtEYblooog (dirtydeeds)
Di tutto... un po' (jordan20)
AK47 (lillo)
Esperienze elettroniche (marco438)
Telecomunicazioni musicali (clavicordo)
Automazione ed Elettronica (gustavo)
Direttive per la sicurezza (ErnestoCappelletti)
EYnfo dall'Alaska (mir)
Apriamo il quadro! (attilio)
H7-25 (asdf)
Passione Elettrica (massimob)
Elettroni a spasso (guidob)
Bloguerra (guerra)

