Sarebbe da chiarire perché non funziona il preset
al conteggio zero (TC=0). Hai provato a
comandarlo manualmente con uno switch?
(stando al datasheet dovrebbe funzionare).
Osservo poi che se vuoi una frequenza con
pausa=impulso devi mettere in uscita un FlipFlop
(che però divide per due la frequenza, quindi
occorre raddoppiare quella di ingresso al 4516)
cd4516 presettable counter come divisore di frequenza
Moderatori:
carloc,
g.schgor,
BrunoValente,
IsidoroKZ
0
voti
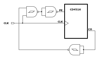
Si in effetti la frequenza di clock è variabile da quasi zero sino a 1Mhz . Meglio il ff .
Il PE , come da tavola temporale del CD4516 , deve andare H sul fornte di risalita del C.O. e durare 1/2 del clock , adesso lo realizzo poi ti dico.
ciao ,
Il PE , come da tavola temporale del CD4516 , deve andare H sul fornte di risalita del C.O. e durare 1/2 del clock , adesso lo realizzo poi ti dico.
ciao ,
0
voti
g.schgor ha scritto: Hai provato a
comandarlo manualmente con uno switch?
Si ho fatto i test in manuale sia il clock che il PE e tutto funziona.
Non va quando collego , con una porta nand per invertire il CO con il PE , tutto si blocca.
Adesso provo con un ff come suggeritomi .
0
voti
adert ha scritto:Non va quando collego , con una porta nand per invertire il CO con il PE , tutto si blocca.
È normale che si blocca, il Preset Enable lo devi disabilitare in qualche modo.
Osserva bene la tabella logica del contatore (dal datasheet)
La quale ti dice che se il PE è a 1, mentre che il reset non sia abilitato, tutto il resto non conta.
In altre parole in questa situazione il contatore non fa nulla.
0
voti
simo85 ha scritto:Comunque, dato che puyoi fare un FF a partire dalla logica NAND, se hai un altro IC 4093 prova a montare questo circuito.
Ho realizzato il circuito da te indicato con 2 porte nand del CD4093 , ma non va, il il CO rimane fisso a L e l'uscita del ff che va al PE rimane fissa a H.
Ho provato ad usare il Q al posto del Qnegato , ma non va lo stesso.
0
voti
Mmm OK. Immagino che tu sia sicuro di aver fatto correttamente i collegamenti.
Prova allora a montare e provare questo:
È una possibile soluzione che mi è venuta in mente ora (che è tardi).
Prova allora a montare e provare questo:
È una possibile soluzione che mi è venuta in mente ora (che è tardi).
0
voti
Ho provato l'ultima da te proposta , era gia cablata una parte del ff cambiato 1 collegamento , but not ok , il PE rimane a 0 il counter non conta
Ma come mai è cosi complicato , nessuno ha mai usato per dividere , il CD4016 mi pareva fatto apposta per tale funzione , su internet non trovo nulla , booo
Si comporta esattamente come con la sola porta nand.
Ma come mai è cosi complicato , nessuno ha mai usato per dividere , il CD4016 mi pareva fatto apposta per tale funzione , su internet non trovo nulla , booo
Si comporta esattamente come con la sola porta nand.
0
voti
Con l'ultimo circuito postato, se il CO è a 1, il PE deve essere a 0.
Una volta che il CO va a 0 abilita almeno un fronte a stato logico alto sul PE. Confermi ?
Una volta che il CO va a 0 abilita almeno un fronte a stato logico alto sul PE. Confermi ?
0
voti
simo85 ha scritto:Con l'ultimo circuito postato, se il CO è a 1, il PE deve essere a 0.
Una volta che il CO va a 0 abilita almeno un fronte a stato logico alto sul PE. Confermi ?
Con l'ultimo circuito ,
con P1,2,3, 4 = 0000 , CO=L PE=H,L,H,L in fase e alla stessa frequenza del clock
con P1,2,3,4 diverso da 0000 , CO=H PE=L
Su internet ho trovato un'applicazione dove dice che se la cava con un not , nostro nand , gia provato , ma not ok !!!!!!!
https://andymurkin.files.wordpress.com/ ... r_4516.jpg
https://andymurkin.wordpress.com/catego ... ylophones/
Chi c’è in linea
Visitano il forum: Nessuno e 55 ospiti

Elettrotecnica e non solo (admin)
Un gatto tra gli elettroni (IsidoroKZ)
Esperienza e simulazioni (g.schgor)
Moleskine di un idraulico (RenzoDF)
Il Blog di ElectroYou (webmaster)
Idee microcontrollate (TardoFreak)
PICcoli grandi PICMicro (Paolino)
Il blog elettrico di carloc (carloc)
DirtEYblooog (dirtydeeds)
Di tutto... un po' (jordan20)
AK47 (lillo)
Esperienze elettroniche (marco438)
Telecomunicazioni musicali (clavicordo)
Automazione ed Elettronica (gustavo)
Direttive per la sicurezza (ErnestoCappelletti)
EYnfo dall'Alaska (mir)
Apriamo il quadro! (attilio)
H7-25 (asdf)
Passione Elettrica (massimob)
Elettroni a spasso (guidob)
Bloguerra (guerra)






Quindi il preset funziona.