clayton ha scritto:dovrò rispettare un tensione particolare o i 63V possono bastare?
63 V sono più che sufficienti, andrebbero bene anche da 35 V.
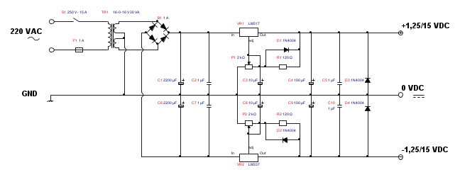
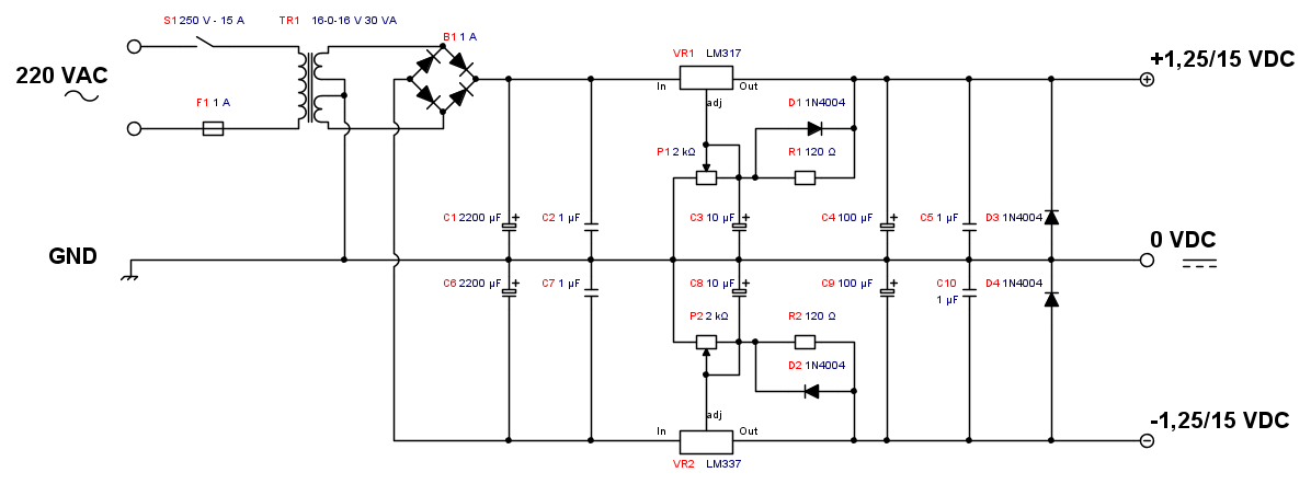
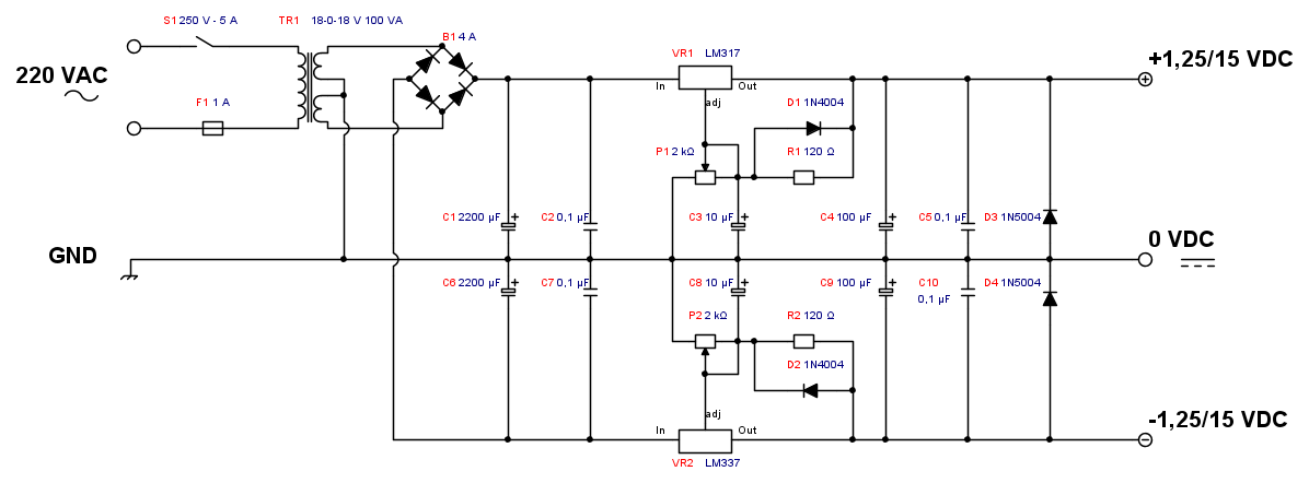
clayton ha scritto:Poi i condensatori aggiunti, C9 e C10, sono sempre diciamo nella sezione regolazione o sono considerati assieme ai diodi D1 e D2 una sezione a parte di protezione cortocircuiti?
C9 e C10 sono "condensatori di bypass" e servono a migliorare la ripple rejection (reiezione all'ondulazione), cioè in uscita ti trovi meno residuo di alternata e quindi meno ronzio (anche se un amplificatore fatto bene non dovrebbe risentirne comunque).
D1 e D2 servono a proteggere gli integrati dalla scarica distruttiva di C9 e C10 qualora si verificasse un cortocircuito all'uscita. A rigore, secondo quanto afferma il datasheet della TI a pag. 11 (sezione Protection Diodes), con i valori di capacità e tensione in gioco non sono necessari.
Ma io li metterei comunque, meglio non stressare gli integrati.
clayton ha scritto:Immagino da 63V possano andare
Sì, 63 V sono più che sufficienti. Per C9 e C10 basterebbero anche 25 V.
clayton ha scritto:ho scaricato i datascheets ora, mi voglio dare una bella letta tanto per cominciare!
Buona lettura!

Elettrotecnica e non solo (admin)
Un gatto tra gli elettroni (IsidoroKZ)
Esperienza e simulazioni (g.schgor)
Moleskine di un idraulico (RenzoDF)
Il Blog di ElectroYou (webmaster)
Idee microcontrollate (TardoFreak)
PICcoli grandi PICMicro (Paolino)
Il blog elettrico di carloc (carloc)
DirtEYblooog (dirtydeeds)
Di tutto... un po' (jordan20)
AK47 (lillo)
Esperienze elettroniche (marco438)
Telecomunicazioni musicali (clavicordo)
Automazione ed Elettronica (gustavo)
Direttive per la sicurezza (ErnestoCappelletti)
EYnfo dall'Alaska (mir)
Apriamo il quadro! (attilio)
H7-25 (asdf)
Passione Elettrica (massimob)
Elettroni a spasso (guidob)
Bloguerra (guerra)






