mosfet interruttore su positivo
Moderatori:
carloc,
g.schgor,
BrunoValente,
IsidoroKZ
37 messaggi
• Pagina 2 di 4 • 1, 2, 3, 4
0
voti
quindi come scrivevo io prima?il transistor come pilota del MOS giusto?
-

danielealfa
243 2 4 7 - Expert

- Messaggi: 1313
- Iscritto il: 27 mag 2009, 22:51
0
voti
danielealfa ha scritto:quindi come scrivevo io prima?il transistor come pilota del MOS giusto?
quando lo dicevi?
comunque sì, un NPN che comanda il MOS a canale P. ...il 4013 a quanto è alimentato? non è che riesci a fare uno schema con fidocadj, che a parlare di elettronica così si fa soloun gran casino? :)
l'IRF540 è un canale N, quindi non va bene...l'IRFZ748 non so cosa sia, sicuro della sigla?
_______________________________________________________
Gli oscillatori non oscillano mai, gli amplificatori invece sempre
Io HO i poteri della supermucca, e ne vado fiero!
Gli oscillatori non oscillano mai, gli amplificatori invece sempre
Io HO i poteri della supermucca, e ne vado fiero!
0
voti
puo' essere un inizio?
-

danielealfa
243 2 4 7 - Expert

- Messaggi: 1313
- Iscritto il: 27 mag 2009, 22:51
0
voti
grazie della precisazione, pero' se io prendo l uscita negata del 4013 non mi serve neanche il transistor?
-

danielealfa
243 2 4 7 - Expert

- Messaggi: 1313
- Iscritto il: 27 mag 2009, 22:51
0
voti
danielealfa ha scritto:grazie della precisazione, pero' se io prendo l uscita negata del 4013 non mi serve neanche il transistor?
E' come dici tu solo nel caso in cui il positivo dell'alimentazione da tagliare sia lo stesso che alimenta il 4013, se invece si tratta di positivi di diverse alimentazioni allora ti serve il transistor.
Ovviamente questo circuito funziona solo se le diverse alimentazioni hanno il negativo in comune.
IRFZ44 e IRFZ48 sono entrambi mosfet N e non sono adatti: servono P.
-

BrunoValente
39,6k 7 11 13 - G.Master EY

- Messaggi: 7796
- Iscritto il: 8 mag 2007, 14:48
0
voti
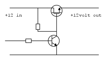
perché non usare questo banale schema per interrompere il positivo con un transistor?
Se il carico ha una resistenza grossomodo costante non vedo controindicazioni. Voi che dite?
Se il carico ha una resistenza grossomodo costante non vedo controindicazioni. Voi che dite?
1
voti
aldofad ha scritto:Voi che dite?
Direi
..._______________________________________________________
Gli oscillatori non oscillano mai, gli amplificatori invece sempre
Io HO i poteri della supermucca, e ne vado fiero!
Gli oscillatori non oscillano mai, gli amplificatori invece sempre
Io HO i poteri della supermucca, e ne vado fiero!
37 messaggi
• Pagina 2 di 4 • 1, 2, 3, 4
Chi c’è in linea
Visitano il forum: Nessuno e 85 ospiti

Elettrotecnica e non solo (admin)
Un gatto tra gli elettroni (IsidoroKZ)
Esperienza e simulazioni (g.schgor)
Moleskine di un idraulico (RenzoDF)
Il Blog di ElectroYou (webmaster)
Idee microcontrollate (TardoFreak)
PICcoli grandi PICMicro (Paolino)
Il blog elettrico di carloc (carloc)
DirtEYblooog (dirtydeeds)
Di tutto... un po' (jordan20)
AK47 (lillo)
Esperienze elettroniche (marco438)
Telecomunicazioni musicali (clavicordo)
Automazione ed Elettronica (gustavo)
Direttive per la sicurezza (ErnestoCappelletti)
EYnfo dall'Alaska (mir)
Apriamo il quadro! (attilio)
H7-25 (asdf)
Passione Elettrica (massimob)
Elettroni a spasso (guidob)
Bloguerra (guerra)





