Rilevatore segnale PWM
Moderatori:
carloc,
g.schgor,
BrunoValente,
IsidoroKZ
14 messaggi
• Pagina 2 di 2 • 1, 2
0
voti
Gli aspetti progettuali di un filtro passa basso per PWM, sono ben descritti in questo documento:
[url]
http://ltwiki.org/images/8/82/PWM_Filters.pdf
[/url]
[url]
http://ltwiki.org/images/8/82/PWM_Filters.pdf
[/url]
0
voti
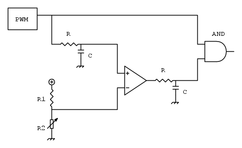
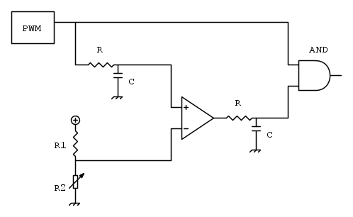
Ripensandoci il filtro non è cosi' drammatico, puoi farlo anche davvero senza operazionale, tanto la frequenza della PWM immagino sia piuttosto alta.
Magari forse è piu' saggio mettere un passabasso sull'uscita dell'operazionale per stabilizzare il comportamento a valle
Per la frequenza di taglio del filtro, dovrebbe essere che è pari circa a 1/(R*C)
Il valore di riferimento è dato dal partitore R1,R2. Se vuoi la soglia al 10% dovrai mettere ad es R1=90KOhm, e R2=10KOhm.
Comunque in sostanza io pensavo ad uno schema complessivo analogo a questo:
Magari forse è piu' saggio mettere un passabasso sull'uscita dell'operazionale per stabilizzare il comportamento a valle
Per la frequenza di taglio del filtro, dovrebbe essere che è pari circa a 1/(R*C)
Il valore di riferimento è dato dal partitore R1,R2. Se vuoi la soglia al 10% dovrai mettere ad es R1=90KOhm, e R2=10KOhm.
Comunque in sostanza io pensavo ad uno schema complessivo analogo a questo:
0
voti
si ma anche no.aldofad ha scritto:Ma non si fa prima con un micro?
Un ricorso incondizionato ad un microcontrollore finisce per erodere quella capacità di trovare soluzioni alternative e questo a prescindere dalla disponibilità a programmare del silicio, ma è solo il mio punto di vista.
A me piace quanto proposto da
Saluti
W - U.H.F.
-

WALTERmwp
30,2k 4 8 13 - G.Master EY

- Messaggi: 8990
- Iscritto il: 17 lug 2010, 18:42
- Località: le 4 del mattino
14 messaggi
• Pagina 2 di 2 • 1, 2
Chi c’è in linea
Visitano il forum: Nessuno e 134 ospiti

Elettrotecnica e non solo (admin)
Un gatto tra gli elettroni (IsidoroKZ)
Esperienza e simulazioni (g.schgor)
Moleskine di un idraulico (RenzoDF)
Il Blog di ElectroYou (webmaster)
Idee microcontrollate (TardoFreak)
PICcoli grandi PICMicro (Paolino)
Il blog elettrico di carloc (carloc)
DirtEYblooog (dirtydeeds)
Di tutto... un po' (jordan20)
AK47 (lillo)
Esperienze elettroniche (marco438)
Telecomunicazioni musicali (clavicordo)
Automazione ed Elettronica (gustavo)
Direttive per la sicurezza (ErnestoCappelletti)
EYnfo dall'Alaska (mir)
Apriamo il quadro! (attilio)
H7-25 (asdf)
Passione Elettrica (massimob)
Elettroni a spasso (guidob)
Bloguerra (guerra)





