da
DarwinNE » 18 mag 2015, 21:55
Sjuanez ha scritto:(non pensi sia utile per le implementazioni nelle web-app mettere le librerie in CDN? o comunque remote?)
Lungo da spiegare. Per farla breve, ci sono librerie interne e librerie esterne. Le librerie interne sono quelle solite e da poco si è aggiunta quella EY, assente nelle vecchie versioni. In qualunque versione di FidoCadJ si possono usare librerie esterne liberamente, piazzabili dove si desidera, a patto di fornire il percorso per accedervi (ci sono opzioni dalla linea di comando apposite etc).
Ora, per aggiungere la libreria EY al sito la si può indicare come libreria esterna (il manuale fornisce tutti i dettagli), oppure molto più semplicemente aggiornare il programma sostituendo il vecchio fidocadj.jar con la nuova versione. Questa strada è la più semplice, anche perché sono stati risolti alcuni problemini nella nuova versione.
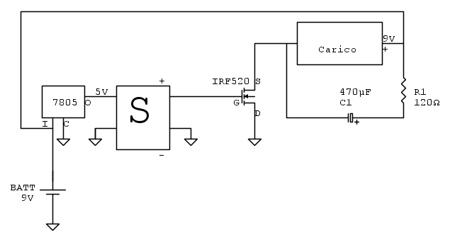
Sjuanez ha scritto:Venendo al circuito. So per certo, anche da novellino, che anche se ho ottenuto la giusta tensione per il mio sensore, sto sprecando energia mediante la resistenza e che con un regolatore dovrei avere una maggiore efficienza.
No, a meno di utilizzare regolatori switching (fuori luogo nel tuo circuito), l'efficienza non aumenta ed anzi probabilmente diminuisce leggermente perché investi un poco di corrente nel fare in modo che il regolatore funzioni. Il vantaggio è che con un 78L05 ti assicuri che il tuo sensore sia sempre alimentato con la tensione corretta, anche se la pila si scarica etc.
Sjuanez ha scritto:Mi studierò la faccenda e lo implementerò, ma ti avverto:
che tu lo voglia o no ormai sarai menzionato nel progetto della maglia per discoteca!
Ommi nussgnur
