Cos'è ElectroYou | Login Iscriviti

ElectroYou - la comunità dei professionisti del mondo elettrico

Transistor switch

Elettronica lineare e digitale: didattica ed applicazioni

Moderatori: Foto Utentecarloc, Foto Utenteg.schgor, Foto UtenteBrunoValente, Foto UtenteIsidoroKZ

0
voti

[11] Re: Transistor switch

Messaggioda Foto Utentepaofanello » 4 set 2015, 20:46

Russell ha scritto:e se questo puo' essere configurato come inseguitore di tensione


Salve O_/ Provo a rispondere, come dice:
simo85 ha scritto:Attenzione che qui stai facendo riferimento ad un bilateral switch (o analog switch), che non è la stessa cosa di un 3-state buffer

con un'ampli operazionale in configurazione buffer non si otterrebbe comunque un vero switch analogico, l'entrata e l'uscita, per quanto alla stessa tensione sono "scollegati" :roll:
Piuttosto che chiedere qualcosa a me, chiedila a Mara Maionchi. E' più competente.
Avatar utente
Foto Utentepaofanello
2.280 8 13
Expert
Expert
 
Messaggi: 532
Iscritto il: 7 lug 2015, 21:01

1
voti

[12] Re: Transistor switch

Messaggioda Foto UtenteBrunoValente » 4 set 2015, 20:47

Russell ha scritto:...non è che praticamente ci siamo?

Schema per favore
Avatar utente
Foto UtenteBrunoValente
39,6k 7 11 13
G.Master EY
G.Master EY
 
Messaggi: 7796
Iscritto il: 8 mag 2007, 14:48

2
voti

[13] Re: Transistor switch

Messaggioda Foto Utentesimo85 » 4 set 2015, 20:53

paofanello ha scritto:con un'ampli operazionale in configurazione buffer non si otterrebbe comunque un vero switch analogico

È che non ha senso fare questo paragone. Un buffer è un buffer.

Un analog switch è un componente che ha 3 terminali: due bidirezionali ed uno di controllo:

Avatar utente
Foto Utentesimo85
30,9k 7 12 13
Disattivato su sua richiesta
 
Messaggi: 9927
Iscritto il: 30 ago 2010, 4:59

0
voti

[14] Re: Transistor switch

Messaggioda Foto UtenteIsidoroKZ » 5 set 2015, 7:11

Se si mettono delle limitazioni sui quadranti in cui il pass transistor deve funzionare, e magari si fissa anche il potenziale di un lato dello switch, qualcosa si puo` fare, ma il pilotaggio e` abbastanza incasinato.
Per usare proficuamente un simulatore, bisogna sapere molta più elettronica di lui
Plug it in - it works better!
Il 555 sta all'elettronica come Arduino all'informatica! (entrambi loro malgrado)
Se volete risposte rispondete a tutte le mie domande
Avatar utente
Foto UtenteIsidoroKZ
121,2k 1 3 8
G.Master EY
G.Master EY
 
Messaggi: 21059
Iscritto il: 17 ott 2009, 0:00

0
voti

[15] Re: Transistor switch

Messaggioda Foto UtenteRussell » 5 set 2015, 9:59

BrunoValente ha scritto:Schema per favore


Io semplicemente suggerivo di combinare alcune nozioni base, ovvero...
Amplificatore Differenziale con BJT
https://it.wikipedia.org/wiki/Amplificatore_differenziale
Inseguitore di tensione
https://it.wikipedia.org/wiki/Amplificatore_operazionale#Inseguitore_di_tensione_o_buffer_o_adattatore_di_impedenza
Lo schema (di principio) è banale a questo punto

Ma se a quanto vedo il componente deve essere bidirezionale, e soprattutto a seguito di questo commento

paofanello ha scritto:l'entrata e l'uscita, per quanto alla stessa tensione sono "scollegati" :roll:


non saprei come procedere
Avatar utente
Foto UtenteRussell
3.373 3 5 9
Master
Master
 
Messaggi: 2193
Iscritto il: 4 ott 2009, 10:25

0
voti

[16] Re: Transistor switch

Messaggioda Foto Utentepaofanello » 5 set 2015, 10:40

paofanello ha scritto:l'entrata e l'uscita, per quanto alla stessa tensione sono "scollegati" :roll:

Questa affermazione era riferite al buffer (che naturalmente cerca di avere un'alta impedenza di ingresso e una bassa d'uscita), non al bilateral switch.
Piuttosto che chiedere qualcosa a me, chiedila a Mara Maionchi. E' più competente.
Avatar utente
Foto Utentepaofanello
2.280 8 13
Expert
Expert
 
Messaggi: 532
Iscritto il: 7 lug 2015, 21:01

3
voti

[17] Re: Transistor switch

Messaggioda Foto UtenteBrunoValente » 6 set 2015, 10:43

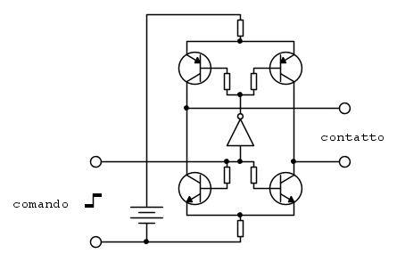
Forse così potrebbe funzionare ma l'alimentazione deve essere isolata da quella del circuito dove si utilizza il contatto.
Non serve dire che i transistor devono essere identici, altrimenti si avrebbe una piccola caduta di tensione sul contatto chiuso.
Avatar utente
Foto UtenteBrunoValente
39,6k 7 11 13
G.Master EY
G.Master EY
 
Messaggi: 7796
Iscritto il: 8 mag 2007, 14:48

0
voti

[18] Re: Transistor switch

Messaggioda Foto Utentepaofanello » 6 set 2015, 10:52

Interessante... Appena posso lo provo! Grazie!!
Piuttosto che chiedere qualcosa a me, chiedila a Mara Maionchi. E' più competente.
Avatar utente
Foto Utentepaofanello
2.280 8 13
Expert
Expert
 
Messaggi: 532
Iscritto il: 7 lug 2015, 21:01

2
voti

[19] Re: Transistor switch

Messaggioda Foto UtenteBrunoValente » 6 set 2015, 11:10

Dico alcune cose anche se dovrebbero risultare ovvie:

La tensione di batteria deve essere sufficientemente più alta di quella massima che il circuito utilizzatore applica sul contatto quando è aperto.

Le R in serie alle basi vanno dimensionate per far saturare i transistor ad interruttore chiuso.

Le R in serie agli emettitori vanno dimensionate in modo da far scorrere una corrente sufficientemente più alta di quella prevista nel circuito utilizzatore quando il contatto è chiuso.

I livelli basso e alto in ingresso e in uscita all'inverter devono essere pari a 0V e alla tensione di batteria.
Avatar utente
Foto UtenteBrunoValente
39,6k 7 11 13
G.Master EY
G.Master EY
 
Messaggi: 7796
Iscritto il: 8 mag 2007, 14:48

2
voti

[20] Re: Transistor switch

Messaggioda Foto UtenteBrunoValente » 6 set 2015, 12:24

paofanello ha scritto:Interessante... Appena posso lo provo! Grazie!!

Se vuoi provare a realizzarlo ti conviene separare le basi: con le giunzioni BE in parallelo la condizione di equipartizione nelle basi della corrente di polarizzazione proveniente dalle R è assicurata solo se i transistor hanno identica caratteristica di ingresso, cosa molto improbabile nella pratica, quindi conviene rendere indipendenti le due correnti.

Avatar utente
Foto UtenteBrunoValente
39,6k 7 11 13
G.Master EY
G.Master EY
 
Messaggi: 7796
Iscritto il: 8 mag 2007, 14:48

PrecedenteProssimo

Torna a Elettronica generale

Chi c’è in linea

Visitano il forum: Nessuno e 91 ospiti