Amplificatore stereo con TDA7377 - Domanda

Elettronica lineare e digitale: didattica ed applicazioni

Moderatori: Foto Utentecarloc, Foto Utenteg.schgor, Foto UtenteBrunoValente, Foto UtenteIsidoroKZ

Avatar utente
Foto Utenteabusivo
13,3k 4 7 10
Master
Master
Messaggi: 7008
Iscritto il: 16 ott 2012, 18:43
Località: L'Aquila
0
voti

[11] Re: Amplificatore stereo con TDA7377 - Domanda

Messaggioda Foto Utenteabusivo » 10 ott 2015, 12:18

Giusto, ma il segnale per la cuffia del canale R dovrebbe essere prelevato dal pin 14!
Se quello che funziona basta non lo tocca' sennò te lassa!

Avatar utente
Foto UtenteFedericoSibona
5.022 3 5 8
Master
Master
Messaggi: 3951
Iscritto il: 19 mar 2013, 10:43
0
voti

[12] Re: Amplificatore stereo con TDA7377 - Domanda

Messaggioda Foto UtenteFedericoSibona » 10 ott 2015, 12:49

Foto Utenteabusivo, avevo considerato la configurazione a quattro ingressi, in questa, a due ingressi e due uscite, credo sia indifferente, anzi forse prendendo dal pin 14 potrebbe esserci un problema di fase.

Avatar utente
Foto Utenteabusivo
13,3k 4 7 10
Master
Master
Messaggi: 7008
Iscritto il: 16 ott 2012, 18:43
Località: L'Aquila
0
voti

[13] Re: Amplificatore stereo con TDA7377 - Domanda

Messaggioda Foto Utenteabusivo » 10 ott 2015, 13:00

Continuo a mal interpretare il datasheet!
Quello che non capisco è come si faccia a mettere a ponte due finali di questo integrato senza interporre uno sfasatore in ingresso su uno di essi!?!?
Se quello che funziona basta non lo tocca' sennò te lassa!

Avatar utente
Foto UtenteBrunoValente
39,6k 7 11 13
G.Master EY
G.Master EY
Messaggi: 7797
Iscritto il: 8 mag 2007, 14:48
2
voti

[14] Re: Amplificatore stereo con TDA7377 - Domanda

Messaggioda Foto UtenteBrunoValente » 10 ott 2015, 14:01

abusivo ha scritto:Continuo a mal interpretare il datasheet!
Quello che non capisco è come si faccia a mettere a ponte due finali di questo integrato senza interporre uno sfasatore in ingresso su uno di essi!?!?

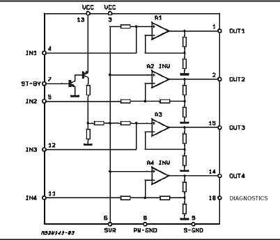
Osserva bene lo schema interno all'integrato: due amplificatori sono invertenti e due no.

TDA7377.png
TDA7377.png (25.74 KiB) Visto 1732 volte


Entrando con il segnale del canale sinistro sui pin 4 e 5 in parallelo, ottieni in uscita due segnali in controfase sui pin 1 e 2: sull'1 è in fase con l'ingresso e sul 2 in controfase, quindi tra 1 e 2 puoi collegarci l'altoparlante a ponte.

Stessa cosa per il canale destro sui pin 15 e 14 con il 15 in fase con l'ingresso e il 14 in controfase.

Il segnale sbilanciato per i due canali della cuffia va preso sull'1 e sul 15 oppure sul 2 e sul 14, altre combinazioni produrrebbero uscite in controfase.

Avatar utente
Foto Utenteabusivo
13,3k 4 7 10
Master
Master
Messaggi: 7008
Iscritto il: 16 ott 2012, 18:43
Località: L'Aquila
0
voti

[15] Re: Amplificatore stereo con TDA7377 - Domanda

Messaggioda Foto Utenteabusivo » 10 ott 2015, 14:42

BrunoValente ha scritto:Osserva bene...

Grazie della spiegazione, non avevo notato gli invertenti!
Se quello che funziona basta non lo tocca' sennò te lassa!

Avatar utente
Foto UtenteBrunoValente
39,6k 7 11 13
G.Master EY
G.Master EY
Messaggi: 7797
Iscritto il: 8 mag 2007, 14:48
0
voti

[16] Re: Amplificatore stereo con TDA7377 - Domanda

Messaggioda Foto UtenteBrunoValente » 10 ott 2015, 15:09

Figurati. O_/

Avatar utente
Foto UtenteKagliostro
6.401 4 5 7
Master
Master
Messaggi: 4837
Iscritto il: 19 set 2012, 11:32
0
voti

[17] Re: Amplificatore stereo con TDA7377 - Domanda

Messaggioda Foto UtenteKagliostro » 11 ott 2015, 23:20

Vi ringrazio molto per avermi fatto trovare la soluzione bella e pronta

Naturalmente Foto UtenteBrunoValente meriterebbe più di un grazie

ma una birra fatica a passare attraverso il web

non posso che ripetermi, ancora grazie

K

Avatar utente
Foto UtenteBrunoValente
39,6k 7 11 13
G.Master EY
G.Master EY
Messaggi: 7797
Iscritto il: 8 mag 2007, 14:48
1
voti

[18] Re: Amplificatore stereo con TDA7377 - Domanda

Messaggioda Foto UtenteBrunoValente » 12 ott 2015, 10:16

Kagliostro ha scritto:..una birra fatica a passare attraverso il web..

E già, ancora non l'hanno fatta un'interfaccia "birra-USB", si dovrebbe provvedere! O_/

Avatar utente
Foto UtenteKagliostro
6.401 4 5 7
Master
Master
Messaggi: 4837
Iscritto il: 19 set 2012, 11:32
0
voti

[19] Re: Amplificatore stereo con TDA7377 - Domanda

Messaggioda Foto UtenteKagliostro » 12 ott 2015, 19:42

Foto UtenteBrunoValente mi considero in debito

K

Avatar utente
Foto UtenteBrunoValente
39,6k 7 11 13
G.Master EY
G.Master EY
Messaggi: 7797
Iscritto il: 8 mag 2007, 14:48
1
voti

[20] Re: Amplificatore stereo con TDA7377 - Domanda

Messaggioda Foto UtenteBrunoValente » 12 ott 2015, 19:52

Kagliostro ha scritto:Foto UtenteBrunoValente mi considero in debito

K


Ma figurati!! quando riesco a rendermi utile è un piacere, altrimenti non sarei qui. :-)

Piuttosto se lo realizzi facci sapere come va.


Torna a “Elettronica generale”