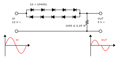
Cardos ha scritto:...Ora dovrei solo creare un uscita da 9v alternati partendo da una 12 V alternata...
Se non ho capito male con un solo trasformatore vorresti ottenere sia tensioni continue che alternate a 9 V?
Moderatori:
carloc,
g.schgor,
BrunoValente,
IsidoroKZ
Cardos ha scritto:...Ora dovrei solo creare un uscita da 9v alternati partendo da una 12 V alternata...






Cardos ha scritto:...Si effettivamente con un solo trasformatore...
Cardos ha scritto:... 800 /1000 milliampere

Visitano il forum: Nessuno e 110 ospiti