
Cambio di guadagno da 1 a 10 operazionale
Moderatori:
carloc,
g.schgor,
BrunoValente,
IsidoroKZ
25 messaggi
• Pagina 2 di 3 • 1, 2, 3
0
voti

"Non farei mai parte di un club che accettasse la mia iscrizione" (G. Marx)
-

claudiocedrone
21,3k 4 7 9 - Master EY

- Messaggi: 15305
- Iscritto il: 18 gen 2012, 13:36
0
voti
Concordo con
claudiocedrone e
edgar .
Usa dei potenziometri regolabili (trimmer), usati come resistori regolabili, per impostare esattamente il guadagno, compensi anche il guadagno non infinito dell'operazionale. I trimmer costeranno 1 € l'uno contro i 0,1€ dei resistori 1/2W 5%, ma sempre poco.
Hai mai letto una rivista di elettronica per hobbisti, per esempio come RadioKit ?

Usa dei potenziometri regolabili (trimmer), usati come resistori regolabili, per impostare esattamente il guadagno, compensi anche il guadagno non infinito dell'operazionale. I trimmer costeranno 1 € l'uno contro i 0,1€ dei resistori 1/2W 5%, ma sempre poco.
Hai mai letto una rivista di elettronica per hobbisti, per esempio come RadioKit ?
Una volta gli Ingegneri usavano il regolo e la mente e non sbagliavano (quasi ) mai i conti, ora sarà la colpa delle calcolatrici, dei calcolatori, o degli smart. che tempi....DarioDT ha scritto:il guadagno in tensione risulta essere di 10,09, quindi ho un errore del 9% che vorrei ridurre (portare all'1%)
10,09 corrisponde ad un errore dello 0,9 % ...
0
voti
MarcoD ha scritto: ...Hai mai letto una rivista di elettronica per hobbisti...
"Cosa" deve essere amplificato o 1 o 10 volte in configurazione invertente ? E anche quanti esemplari ne servono, uno nessuno o centomila (
I trimmer sono "belli" ma col tempo possono rognare... (i multigiri sono pure un po' più induttivi... ) forse meglio selezionare resistori fissi, tenere conto di di compensare eventuali derive... con l'integrato linkato da

"Non farei mai parte di un club che accettasse la mia iscrizione" (G. Marx)
-

claudiocedrone
21,3k 4 7 9 - Master EY

- Messaggi: 15305
- Iscritto il: 18 gen 2012, 13:36
2
voti
MarcoD ha scritto:Una volta gli Ingegneri usavano il regolo e la mente e non sbagliavano (quasi ) mai i conti, ora sarà la colpa delle calcolatrici, dei calcolatori, o degli smart. che tempi....![]()
Infierisci pure.......di più....di più-----offendimi......
claudiocedrone ha scritto: scherzi a parte scusate se insisto: applicazione ?
Quello nello schema è un current feedback operational amplifier AD844 ed è corretto che le resistenze siano di basso valore.
Sto lavorando (molto lentamente, alla fine del 2015 ho incominciato) alla costruzione di sonde differenziali per oscilloscopio ad alta tensione (per uso personale).
In foto il prototipo che sto testando e sembra funzionare molto bene.
Devo testare la parte power supply e sto già pensando a come inscatolare tutto.
Lo switch mi consente di passare dalla risoluzione 100x a quella 10x. Quello che molto probabilmente userò è bipolare e quindi alla pressione posso sostituire la resistenza cambiando il guadagno "senza errori" da 1 a 10(uso R 0.1%).
Non mi chiedete troppe cose che se tutto va bene faccio l'articolo.
Dario
⋮ƎlectroYou e non smetti mai di imparare!
0
voti
gammaci ha scritto:Molto bella, posso chiedere chi è il produttore della schedina?
I cinesi di PCBWAY.
https://www.pcbway.com
10 schede doppia faccia a 5$ + 12$ spese di spedizione (io faccio normalmente un corriere tracciato), altrimenti si risparmia ancora ma aspetti di più.
⋮ƎlectroYou e non smetti mai di imparare!
0
voti
Fantastico! Grazie.
Ho provato il pricing di una 20x10 doppia faccia e viene 5pz 41$, m........ Cinesi
pronta in 24h a 65$
Impossibile temo in Italia.
Aspetto - quando e se - l'articolo sulla tua sonda con molto interesse.
Come diceva
claudiocedrone meglio evitare i trimmer, fondamentalmente componenti elettromeccanici, non solo sono fonte di rumore nella banda di interesse ma sono anche la prima causa di guasto dei circuiti elettronici.
Ho provato il pricing di una 20x10 doppia faccia e viene 5pz 41$, m........ Cinesi
Impossibile temo in Italia.
Aspetto - quando e se - l'articolo sulla tua sonda con molto interesse.
Come diceva
Da soli conosciamo alcune cose.
In molti ne conosceremo molte di più.
In molti ne conosceremo molte di più.
1
voti
DarioDT ha scritto: ...Lo switch mi consente di passare dalla risoluzione 100x a quella 10x. Quello che molto probabilmente userò è bipolare e quindi alla pressione posso sostituire la resistenza cambiando il guadagno "senza errori" da 1 a 10...

"Non farei mai parte di un club che accettasse la mia iscrizione" (G. Marx)
-

claudiocedrone
21,3k 4 7 9 - Master EY

- Messaggi: 15305
- Iscritto il: 18 gen 2012, 13:36
1
voti
claudiocedrone ha scritto:DarioDT ha scritto: ...Lo switch mi consente di passare dalla risoluzione 100x a quella 10x. Quello che molto probabilmente userò è bipolare e quindi alla pressione posso sostituire la resistenza cambiando il guadagno "senza errori" da 1 a 10...
Ma però... personalmente continua a non piacermi la variazione della resistenza d'ingresso, quindi commuterei il feedback, ...
Sono d'accordo, ad ogni modo mi sembrava di vedere un 2 * 1MΩ verso l'ingresso di misura siamo 3 ordini di grandezza sotto questa deltaZi
ergo preferirei la serie cortocircuitabile per evitare il transito per la condizione di anello aperto.
Bisognerebbe vedere lo schema finale, da evitare se possibile, specie se la sonda prevede l'uso in ambienti rumorosi.
Da soli conosciamo alcune cose.
In molti ne conosceremo molte di più.
In molti ne conosceremo molte di più.
0
voti
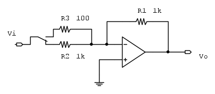
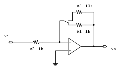
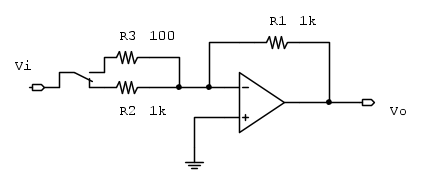
Abbandanata l'idea di inserire potenziometri/trimmer ma utilizzare un commutatore abbiamo due soluzioni:
Soluzione 1:
Soluzione 2 con commutazione su feedback:
A me sembra che la condizione di anello aperto si ha con la soluzione proposta da
claudiocedrone (soluzione 2) nel passaggio da R1 ad R3.
O ho capito male/sbaglio?
Soluzione 1:
Soluzione 2 con commutazione su feedback:
A me sembra che la condizione di anello aperto si ha con la soluzione proposta da
O ho capito male/sbaglio?
⋮ƎlectroYou e non smetti mai di imparare!
25 messaggi
• Pagina 2 di 3 • 1, 2, 3
Chi c’è in linea
Visitano il forum: Nessuno e 137 ospiti

Elettrotecnica e non solo (admin)
Un gatto tra gli elettroni (IsidoroKZ)
Esperienza e simulazioni (g.schgor)
Moleskine di un idraulico (RenzoDF)
Il Blog di ElectroYou (webmaster)
Idee microcontrollate (TardoFreak)
PICcoli grandi PICMicro (Paolino)
Il blog elettrico di carloc (carloc)
DirtEYblooog (dirtydeeds)
Di tutto... un po' (jordan20)
AK47 (lillo)
Esperienze elettroniche (marco438)
Telecomunicazioni musicali (clavicordo)
Automazione ed Elettronica (gustavo)
Direttive per la sicurezza (ErnestoCappelletti)
EYnfo dall'Alaska (mir)
Apriamo il quadro! (attilio)
H7-25 (asdf)
Passione Elettrica (massimob)
Elettroni a spasso (guidob)
Bloguerra (guerra)




