Nello schema ho dato nomi diversi ai tre generatori solo per poterli distinguere nei conti. In realtà hanno tutti lo stesso valore.
Vp3 fa scorrere solo I3 dato che è staccato dal resto del circuito. Vp2 non riesce a forzare alcuna corrente (se si trascura l'effetto Early) dato che è collegato al collettore del BJT.
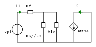
Quando si lascia acceso solo Vp1 si ha questo circuito
Ho indicato con I11 la corrente I1 dovuta al generatore di test 1 e con I21 la corrente I2 dovuta sempre al generatore di test 2. Il contributo I21 si somma agli altri per il calcolo della corrente totale.


Elettrotecnica e non solo (admin)
Un gatto tra gli elettroni (IsidoroKZ)
Esperienza e simulazioni (g.schgor)
Moleskine di un idraulico (RenzoDF)
Il Blog di ElectroYou (webmaster)
Idee microcontrollate (TardoFreak)
PICcoli grandi PICMicro (Paolino)
Il blog elettrico di carloc (carloc)
DirtEYblooog (dirtydeeds)
Di tutto... un po' (jordan20)
AK47 (lillo)
Esperienze elettroniche (marco438)
Telecomunicazioni musicali (clavicordo)
Automazione ed Elettronica (gustavo)
Direttive per la sicurezza (ErnestoCappelletti)
EYnfo dall'Alaska (mir)
Apriamo il quadro! (attilio)
H7-25 (asdf)
Passione Elettrica (massimob)
Elettroni a spasso (guidob)
Bloguerra (guerra)



) è dovuto al generatore
della figura sottostante.
infatti non contribuisce (impedenza di ingresso infinita, quindi corrente nulla).
(in tal caso la corrente sarà
).


