Cos'è ElectroYou | Login Iscriviti

ElectroYou - la comunità dei professionisti del mondo elettrico

Rete di adattamento a 2 induttori ?

Elettronica lineare e digitale: didattica ed applicazioni

Moderatori: Foto Utentecarloc, Foto Utenteg.schgor, Foto UtenteBrunoValente, Foto UtenteIsidoroKZ

0
voti

[11] Re: Rete di adattamento a 2 induttori ?

Messaggioda Foto Utentegvee » 15 apr 2018, 15:32

Ciao Foto UtenteIanero e Foto UtenteMarkyMark,

Innanzitutto grazie per l'aiuto e la partecipazione.
Anche io ho fatto i conti, però li ho fatti questa notte alle 02.30 e questa mattina mi sono svegliato con una guancia gonfia ... :? Li rifarò sotto effetto di antibiotici, può essere che mi sia sbagliato.

Ianero ha scritto:hai controllato che la Z da adattare, cioè da utilizzare nel progetto della rete, è un valore che va ottenuto trasformando \Gamma _{\text{in}} e non \Gamma _{\text{in}}^*?

Mmm, in questo caso con una rapida occhiata alla carta di Smith dovrebbe essere possibile l'adattamento con 2 induttori, ma non quadra il discorso dell'adattamento per il massimo guadagno (almeno con il coefficiente di riflessione dato), che si deve avere nel caso in cui \Gamma_S = \Gamma_\text{in}^*, come appunto commenta Foto UtenteMarkyMark.

A questo punto le possibilità sono due: o ci sono degli errori nei calcoli, o il coefficiente di riflessione dato S_{11} dovrebbe essere S_{11} = 0.69\angle 126^\circ. Per il momento penso che quest'ultimo sia sbagliato nel testo dell'esercizio...

Mi ritiro a controllare.
Avatar utente
Foto Utentegvee
1.475 5 7
Sostenitore
Sostenitore
 
Messaggi: 526
Iscritto il: 11 feb 2018, 20:34

0
voti

[12] Re: Rete di adattamento a 2 induttori ?

Messaggioda Foto Utentegvee » 15 apr 2018, 17:28

gvee ha scritto:In questo caso con una rapida occhiata alla carta di Smith dovrebbe essere possibile l'adattamento con 2 induttori

No, qui mi sono confuso. In quel caso sarebbe la C in parallelo..
Avatar utente
Foto Utentegvee
1.475 5 7
Sostenitore
Sostenitore
 
Messaggi: 526
Iscritto il: 11 feb 2018, 20:34

1
voti

[13] Re: Rete di adattamento a 2 induttori ?

Messaggioda Foto UtenteIanero » 15 apr 2018, 17:40

gvee ha scritto: ma non quadra il discorso dell'adattamento per il massimo guadagno (almeno con il coefficiente di riflessione dato), che si deve avere nel caso in cui \Gamma_S = \Gamma_\text{in}^*

No, per avere \Gamma_S = \Gamma_\text{in}^* devi, col tuo procedimento, adattare \Gamma_\text{in} in \Gamma =0.
:shock:
Avatar utente
Foto UtenteIanero
8.069 5 8 11
Master EY
Master EY
 
Messaggi: 4320
Iscritto il: 21 mar 2012, 15:47

0
voti

[14] Re: Rete di adattamento a 2 induttori ?

Messaggioda Foto Utentegvee » 15 apr 2018, 18:48

Allora ti chiedo scusa però non capisco perché dovrei tenere in conto \Gamma _{\text{in}} e non \Gamma _{\text{in}}^*.

Non lo capisco perché nella teoria si spiega che per ottenere il massimo guadagno si deve adattare la rete in base a Z_S ottenuta tramite \Gamma_S = \Gamma_\text{in}^*, e nel caso unilaterale io ottengo:

\begin{aligned}
\Gamma_S &= \Gamma_{\text{in}}^* = \left( S_{11} + \frac{S_{12}S_{21}\Gamma_L}{1 - S_{22}\Gamma_L}\right)^* = S_{11}^*
\end{aligned}

con i valori riportati prima.
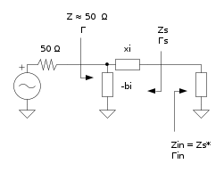
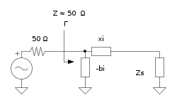
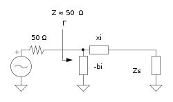
Quindi io rappresento il tutto cosi:



Che schematizzato in maniera simplificata:



Fin qui credo che sia corretto. No ?
Avatar utente
Foto Utentegvee
1.475 5 7
Sostenitore
Sostenitore
 
Messaggi: 526
Iscritto il: 11 feb 2018, 20:34

1
voti

[15] Re: Rete di adattamento a 2 induttori ?

Messaggioda Foto UtenteIanero » 15 apr 2018, 18:56

Si è giusto, è il modo di progettare la rete di adattamento (che deve fare quello che hai detto tu) che è diverso.

Il motivo è che se un rete adatta R_0 \Leftrightarrow \Gamma = 0 (impedenza caratteristica di 50 \; \Omega) a sinistra in un certo \Gamma a destra, allora la stessa rete adatta anche \Gamma ^* a destra in \Gamma = 0 a sinistra.
Ciò deriva dalla proprietà di reciprocità di questo tipo di reti di adattamento, ovvero dal fatto che la loro matrice di scattering rappresentativa è simmetrica, puoi divertirti a provare a dimostrarlo sfruttando proprio questa ipotesi.
:shock:
Avatar utente
Foto UtenteIanero
8.069 5 8 11
Master EY
Master EY
 
Messaggi: 4320
Iscritto il: 21 mar 2012, 15:47

0
voti

[16] Re: Rete di adattamento a 2 induttori ?

Messaggioda Foto Utentegvee » 15 apr 2018, 19:03

Ianero ha scritto:è il modo di progettare la rete di adattamento (che deve fare quello che hai detto tu) che è diverso.

OK, grazie. Cerco di ragionare un po' di più su quest'ultimo spunto che mi hai dato.
Appena ho qualche news continuo qui.

O_/
Avatar utente
Foto Utentegvee
1.475 5 7
Sostenitore
Sostenitore
 
Messaggi: 526
Iscritto il: 11 feb 2018, 20:34

2
voti

[17] Re: Rete di adattamento a 2 induttori ?

Messaggioda Foto Utentegvee » 16 apr 2018, 6:25

Ho capito dove sbaglio.

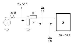
L'errore di fondo che stavo commettendo è quello di non vedere il circuito che io stesso ho disegnato nel messaggio 14... In altre parole io stavo ragionando su questo:



(notare che è completamente sbagliato) e non su questo:



ed il suggerimento di Foto UtenteIanero si centra proprio su questo. Come non ho fatto a vederlo prima. #-o

Facendo i calcoli correttamente (come ha anche postato Foto UtenteMarkyMark) e aggiustando un po' gli arrotondamenti si ottiene questo circuito:



e simulando i parametri S:

ampli_in_2L_match.png


da cui si può apprezzare l'adattamento. Sulla carta di Smith il procedimento dovrebbe essere questo:



L'errore commesso mi ha permesso di vederne di altri commessi in un altro esercizio simile.
Rinnovo i ringraziamenti a Foto UtenteIanero e Foto UtenteMarkyMark.
Grazie 1k.

O_/
Avatar utente
Foto Utentegvee
1.475 5 7
Sostenitore
Sostenitore
 
Messaggi: 526
Iscritto il: 11 feb 2018, 20:34

1
voti

[18] Re: Rete di adattamento a 2 induttori ?

Messaggioda Foto UtenteMarkyMark » 16 apr 2018, 18:00

Di nulla, i tuoi esercizi sono molto belli :D
Anche io sto seguendo un corso di microwave e ne approfitto per imparare qualcosa :ok:
mark
Avatar utente
Foto UtenteMarkyMark
3.422 2 5 6
Master EY
Master EY
 
Messaggi: 518
Iscritto il: 11 giu 2016, 12:01

1
voti

[19] Re: Rete di adattamento a 2 induttori ?

Messaggioda Foto Utentegvee » 17 apr 2018, 1:05

Allora in bocca al lupo per l'esame. :-)
Avatar utente
Foto Utentegvee
1.475 5 7
Sostenitore
Sostenitore
 
Messaggi: 526
Iscritto il: 11 feb 2018, 20:34

Precedente

Torna a Elettronica generale

Chi c’è in linea

Visitano il forum: Nessuno e 72 ospiti