Beh, ho voluto cimentarmi in qualcosa di nuovo. Non avevo mai fatto una reverse engineering... virtuale.
Partendo dalla prima immagine postata in [1] ho ottenuto una seconda immagine, scalata e distorta per ottenere l'equivalente di una visione frontale, e da questa ho ricavato il circuito.
Per prima cosa ho dedotto dove andassero a finire i vari pin e l'unica possibilità concreta è quella visibile in figura.

- Pinout.png (9.91 KiB) Osservato 2073 volte
I pin sono visti in trasparenza e passano sotto il substrato in allumina, lo attraversano nei fori e sono saldati sulla faccia superiore nei pad di forma quadrata ben visibili nella foto. Notare il foro non utilizzato che rende il substrato simmetrico per facilitare la produzione.
Dopo aver numerato i pin e i relativi pad, è stato ricavato il layout, separato per 'Metal', 'Pads', 'Resistors', 'Components', 'I/O'. In questa fase sono stati anche numerati i componenti. Il risultato è visibile in figura.
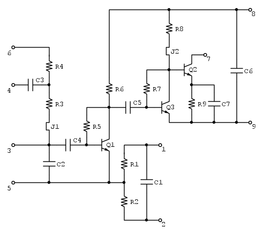
La parte più difficile è stata dare un senso logico allo schema elettrico derivato dal layout. Disponendo degli schemi applicativi, oppure ottenendoli sempre per reverse engineering, è più facile stabilire la funzione dei vari componenti. Con il solo circuito si devono fare molte assunzioni che poi magari risultano smentite dai fatti.
Comunque, lo schema che segue, a meno di errori di trascrizione, è corretto per il circuito analizzato, ma la disposizione dei componenti che vede tre stadi a emettitore comune, potrebbe anche essere diversa se il circuito fosse utilizzato in modo diverso.
Lo schema ottenuto è il seguente.
Il primo stadio è un emettitore comune con resistore di degenerazione costituito dal parallelo R1//R2. I pin 1 e 2 sono probabilmente connessi ai pin 8 e 9 e costituiscono un partitore che porta la tensione sull'emettitore, e di conseguenza al pin 5 a circa la metà della tensione di alimentazione. Dall'immagine non si può dedurre il valore elle resistenze, ma supponendo che siano state ottenute tutte con lo stesso processo serigrafico e lo stesso materiale, i loro rapporti sono deducibili dalle dimensioni e dai fattori di forma. Nel caso di R1 e R2, le due resistenze appaiono uguali. Il segnale entra al pin 3, disaccoppiato da C4 e entra in base di Q1, polarizzato da R5 e con R6 come carico di collettore.
Il secondo stadio, costituito da Q3, è un emettitore comune non degenerato con polarizzazione ottenuta dal collettore tramite R7 e carico di collettore realizzato da R8. Il segnale proviene dallo stadio precedente tramite C5.
Il terzo stadio, costituito da Q2 è un altro emettitore comune con resitenza di degenerazione in emettitore, R9, capacità di shunt sulla stessa, C7, che esce open collector sul pin 7. Il carico sarà ovviamente parte del circuito esterno all'ibrido in esame. C6 è il condensatore di alimentazione tra i pin 8 e 9 che ne costituiscono le connessioni.
La rete R3, R4, C3 è probabilmente parte della reazione per stabilizzare il funzionamento dell'amplificatore, ma senza ulteriori informazioni, resta solo un ipotesi.
Divertente...