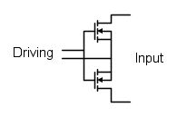
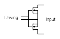
Se hai fatto un carico attivo a MOS puoi mettere due MOS in antiserie e ottieni un dispositivo bidirezionale.
Il problema e` che lo devi controllare rispetto a un nodo flottante. Il controllo deve essere unipolare e andare su Driving, mentre il carico lo si ha sui due terminali "input".
Potrebbe essere complicato fare un sistema di controllo con banda abbastanza grande per pilotare i gate in modo da avere il comportamento voluto.
Massima frequenza lavoro per ponte diodi.
Moderatori:
carloc,
g.schgor,
BrunoValente,
IsidoroKZ
44 messaggi
• Pagina 2 di 5 • 1, 2, 3, 4, 5
1
voti
Per usare proficuamente un simulatore, bisogna sapere molta più elettronica di lui
Plug it in - it works better!
Il 555 sta all'elettronica come Arduino all'informatica! (entrambi loro malgrado)
Se volete risposte rispondete a tutte le mie domande
Plug it in - it works better!
Il 555 sta all'elettronica come Arduino all'informatica! (entrambi loro malgrado)
Se volete risposte rispondete a tutte le mie domande
0
voti
Scusate si si giusto sarei un egoista a non rendervi partecipi. Volevo precisare per i puristi audio che per testare gli amplificatori come carico fittizio uso lampade alogene da 500w in parallelo fino ad arrivare a valori di 8, 4 e 2 ohm.... Quella del carico fittizio a mosfet è nata per testare alimentatori, scaricare batterie... E perché mi piace sperimentare.
Alberto
Alberto
-

maredentro72
35 2 - Messaggi: 46
- Iscritto il: 24 dic 2012, 22:04
2
voti
Le lampade hanno una variazione di resistenza molto elevata con la temperatura. A seconda della potenza che dissipano cambiano in modo significativo la loro resistenza.
Per usare proficuamente un simulatore, bisogna sapere molta più elettronica di lui
Plug it in - it works better!
Il 555 sta all'elettronica come Arduino all'informatica! (entrambi loro malgrado)
Se volete risposte rispondete a tutte le mie domande
Plug it in - it works better!
Il 555 sta all'elettronica come Arduino all'informatica! (entrambi loro malgrado)
Se volete risposte rispondete a tutte le mie domande
0
voti
IsidoroKZ ha scritto:Le lampade hanno una variazione di resistenza molto elevata con la temperatura...
Manco questa l'ho combinata giusta. E mi pensavo figo ad usare le lampade alogene... Mac Gyver insomma.
A questo punto esco un po' dal tema della discussione e chiedo come poter fare un carico fittizio che sopporti discrete potenze pur rimanendo stabile in un ragionevole range di impedenza.
Alberto
-

maredentro72
35 2 - Messaggi: 46
- Iscritto il: 24 dic 2012, 22:04
1
voti
Resistenze da 50 W blindate e montate su radiatore che può essere anche ventilato.
Io ho usato 3 resistenze da 2,7 ohm ( che avevo ) da 50 W montate su un radiatore in alluminio di 200 x 100 x 100 mm e mi ci trovo bene, anche se è eccessivo perché non è un uso continuativo.
Alex
abusivo, mi hai preceduto 
Io ho usato 3 resistenze da 2,7 ohm ( che avevo ) da 50 W montate su un radiatore in alluminio di 200 x 100 x 100 mm e mi ci trovo bene, anche se è eccessivo perché non è un uso continuativo.
Alex

Alex
https://www.facebook.com/Elettronicaeelettrotecnica
<< vedi di pigliare arditamente in mano, il dizionario che ti suona in bocca,
se non altro è schietto e paesano.
(Giuseppe Giusti) <<
https://www.facebook.com/Elettronicaeelettrotecnica
<< vedi di pigliare arditamente in mano, il dizionario che ti suona in bocca,
se non altro è schietto e paesano.
(Giuseppe Giusti) <<
0
voti
Mi scanso e mi metto da parte!
Io ne ho messe un totale di 9 su un bel dissipatore.
Poi con il tempo mi ritrovo con 4 di questi carichi fittizi ma non so da dove sono spuntati...
Se quello che funziona basta non lo tocca' sennò te lassa!
0
voti

"Non farei mai parte di un club che accettasse la mia iscrizione" (G. Marx)
-

claudiocedrone
21,3k 4 7 9 - Master EY

- Messaggi: 15303
- Iscritto il: 18 gen 2012, 13:36
1
voti
setteali ha scritto:Resistenze da 50 W blindate e montate su radiatore che può essere anche ventilato
Per potenze elevate e tempi lunghi in ambito RF ne ho viste pure in bagno d'olio
1
voti
"Non farei mai parte di un club che accettasse la mia iscrizione" (G. Marx)
-

claudiocedrone
21,3k 4 7 9 - Master EY

- Messaggi: 15303
- Iscritto il: 18 gen 2012, 13:36
44 messaggi
• Pagina 2 di 5 • 1, 2, 3, 4, 5
Chi c’è in linea
Visitano il forum: Nessuno e 330 ospiti

Elettrotecnica e non solo (admin)
Un gatto tra gli elettroni (IsidoroKZ)
Esperienza e simulazioni (g.schgor)
Moleskine di un idraulico (RenzoDF)
Il Blog di ElectroYou (webmaster)
Idee microcontrollate (TardoFreak)
PICcoli grandi PICMicro (Paolino)
Il blog elettrico di carloc (carloc)
DirtEYblooog (dirtydeeds)
Di tutto... un po' (jordan20)
AK47 (lillo)
Esperienze elettroniche (marco438)
Telecomunicazioni musicali (clavicordo)
Automazione ed Elettronica (gustavo)
Direttive per la sicurezza (ErnestoCappelletti)
EYnfo dall'Alaska (mir)
Apriamo il quadro! (attilio)
H7-25 (asdf)
Passione Elettrica (massimob)
Elettroni a spasso (guidob)
Bloguerra (guerra)





