Come voi, approfondisco il problema un poco alla volta.
ritieni anche tu che fino a qualche MHz dovrebbe farcela?
Penso almeno fino a qualche MHz.
La tecnologia delle valvole è la stessa, cambia la distanza fra griglia e catodo riferita all'anodo.
Dai data sheet delle valvole:
La ECC81 ha meno mu = 62, ma una resistenza interna minore 16,5 kohm
62/16,5 = 3,75 mA/V transconduttanza.
Funziona bene negli oscillatori o amplificatori a RF accordati
La ECC83 ha mu = 100, Rinterna 80 kohm, transconduttanza 100/80 = 1,25 mA/V
E' stata progettata per resistenza di carico elevate, come quele che si trovano negli amplificatori audio o a frequenza basse.
un induttore di blocco sulla anodica (VK200 p. es.) lo hai messo?
VK200 2 uH ?. Serve a proteggere gli eventuali altri circuiti dai disturbi dell'oscillatore.
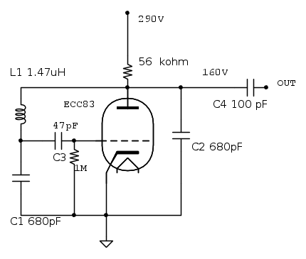
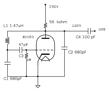
Insisto che nell'ultimo schema (che è il primo, con correzioni) le capacità vanno scambiate o comunque corrette (la frequenza cambierà).
A 7 MHz, 680 ohm in parallelo a 47 pF ammazzano la capacità, la quale fa parte del circuito risonante.
Xc = 1/(6,28 x 7 x 10^6 x 47 x 10^-12) = circa 480 ohm, di sicuro viene perturbata dai 680 ohm.
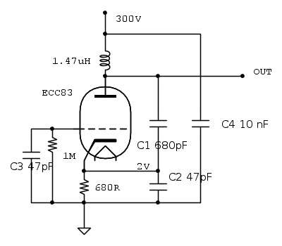
Non sono sicuro sul'effetto dello scambio dei condensatori: diverso guadagno del circuito a pigreco, a fronte di differente impedenza di carico sulla resistenza interna di uscita della valvola. Non saprei quale vince, occorrerebbe approfondire con dei calcoli o una simulazione, ma al momento non ho voglia di approfondire.
Se al posto dei 680 ohm si mettesse una impedenza da 100 uH, le cose migliorerebbero.
Xl = 6,28 x 7 x 10^6 x 0,1 x 10^-6) = 4,2 kohm
