La sinusoide la sintetizzerei da un SPWM (magari generata da qualcosa più veloce di Arduino o IC dedicato)
La quadra la genererei con un IC dedicato (che é quella che usi spesso).
Per SPWM non ricordo la sigla ma c'è quell' integrato che usano gli indiani e assimilabili per creare gli inverter su YouTube, con un paio di potenziometri regoli ampiezza e frequenza, stasera vedo di recuperare la sigla.
Cerca TL494 per la quadra !
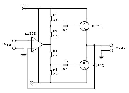
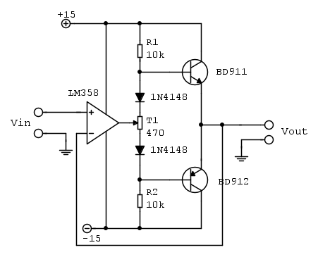
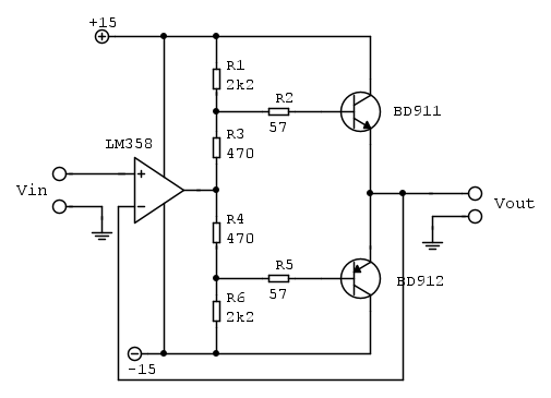
Uno stadio finale di potenza push-pull a transistor dissipa non poca potenza.


Elettrotecnica e non solo (admin)
Un gatto tra gli elettroni (IsidoroKZ)
Esperienza e simulazioni (g.schgor)
Moleskine di un idraulico (RenzoDF)
Il Blog di ElectroYou (webmaster)
Idee microcontrollate (TardoFreak)
PICcoli grandi PICMicro (Paolino)
Il blog elettrico di carloc (carloc)
DirtEYblooog (dirtydeeds)
Di tutto... un po' (jordan20)
AK47 (lillo)
Esperienze elettroniche (marco438)
Telecomunicazioni musicali (clavicordo)
Automazione ed Elettronica (gustavo)
Direttive per la sicurezza (ErnestoCappelletti)
EYnfo dall'Alaska (mir)
Apriamo il quadro! (attilio)
H7-25 (asdf)
Passione Elettrica (massimob)
Elettroni a spasso (guidob)
Bloguerra (guerra)






12V e 2A sono numeri completamente privi di senso per le spiegazioni che hai dato. E forse non hai idea della complessità..




