Cos'è ElectroYou | Login Iscriviti

ElectroYou - la comunità dei professionisti del mondo elettrico

Gestire piccolo galvanometro con TDA1521

Elettronica lineare e digitale: didattica ed applicazioni

Moderatori: Foto Utentecarloc, Foto Utenteg.schgor, Foto UtenteBrunoValente, Foto UtenteIsidoroKZ

0
voti

[11] Re: Gestire piccolo galvanometro con TDA1521

Messaggioda Foto UtenteMarcoD » 27 gen 2024, 18:06

Ora i calcoli di verifica dei valori:

Hai una Vingresso che varia fra 0,12 e 0,31 V, ossia una escursione di 0,19 V, per la quale vuoi che la corrente passi da 0 a 50 uA (una volta che hai regolato il potenziometro a 0,12V per avere 0 mA a riposo)
Il potenzionetro è da 5000 ohm, a metà corsa sono solo 2500, che vanno in parallelo, quindi sono 1250 visti dal cursore.

0,19 V /50 uA = 3800 ohm, Il trimmer guadagno va regolato per circa 3800 - 1000 - 5000/4 (caso peggiore) = 1600 ohm.
O_/

p.s.: Quanto è la effettiva tensione di alimentazione ?
La tensione di alimentazione è costante ? all' 1% o al 10 % ?
Come dipende la tensione del CAV con l'intensità del segnale ricevuto?
S9 50 uV, ogni unità S un dimezzamento del segnale ?

Questo problema è didattico, perché insegna a progettare, ci sono varie alternativa, poi si complica se uno vuole una scala non lineare e vuole consumare meno potenza possibile.
Buone prove.
Avatar utente
Foto UtenteMarcoD
12,2k 5 9 13
Master EY
Master EY
 
Messaggi: 6696
Iscritto il: 9 lug 2015, 16:58
Località: Torino

0
voti

[12] Re: Gestire piccolo galvanometro con TDA1521

Messaggioda Foto UtentePiercarlo » 27 gen 2024, 18:34

pino81 ha scritto: hahaha.. lo so sarà alquanto sovradimensionato,ma c'el'ho veramente in disuso da tanto tempo..
quindi volevo capire come fargli assolvere la funzione


Dammi retta: il TDA tienilo da parte per qualcosa di adatto, prima o poi ti servirà come tale.
Avatar utente
Foto UtentePiercarlo
24,0k 6 11 13
G.Master EY
G.Master EY
 
Messaggi: 6722
Iscritto il: 30 mar 2010, 19:23
Località: Milano

0
voti

[13] Re: Gestire piccolo galvanometro con TDA1521

Messaggioda Foto Utentepino81 » 27 gen 2024, 19:17

piercarlo ,osserverò il tuo consiglio..,
in compenso ho trovato un piccolo C1313HA che sarebbe un preamplificatore,
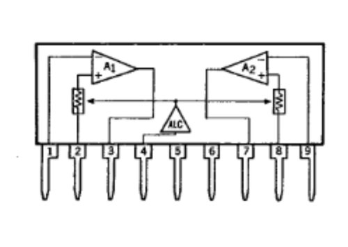
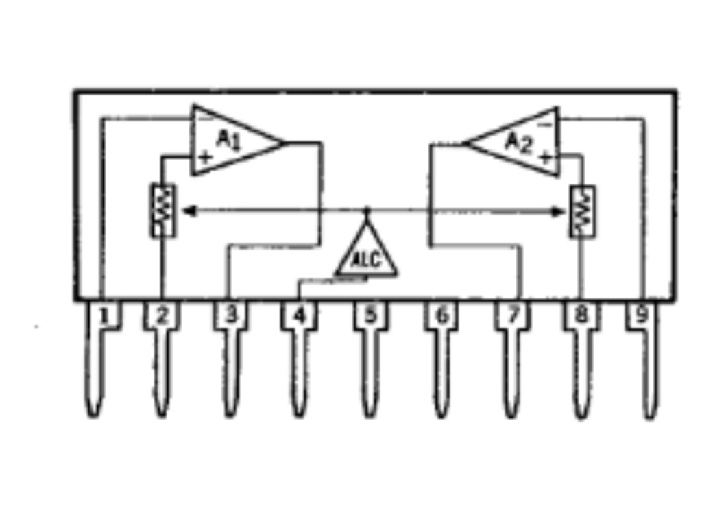
MARCO, la tensione è sempre i 12,5/13 volt delle radio non voglio sicuramente complicarmi la vita... quindi saldo la resistenza da 200 k tra 1 e 3 adesso io do alimentazione al 5 gnd e al 6 =12,5v ,,quindi al 3 output mi da 2,7 volt ma se tocco il 2 l'input e i 12 volt la tensione all output scende a 0,5 v,non dovrebbe innalzarsi?

ps. chiederei ai moderatori di cambiare il titolo magari eliminando TDA.. e mettendo "amplificatore audio" grazie
Allegati
Screenshot_20240127_181144_Chrome.jpg
Screenshot_20240127_181210_Chrome.jpg
Avatar utente
Foto Utentepino81
189 1 3 6
Sostenitore
Sostenitore
 
Messaggi: 976
Iscritto il: 14 lug 2009, 17:13
Località: Biancavilla

1
voti

[14] Re: Gestire piccolo galvanometro con TDA1521

Messaggioda Foto UtenteBrunoValente » 27 gen 2024, 21:18

Per quello che ti occorre, se non vuoi complicarti la vita, puoi provare questo... alla vecchia maniera, che poi è la versione troglodita di quello che ti ha proposto Marco.



Con il trimmer da 1k sposti su e giù il range, quindi con quel trimmer centri l'escursione del microamperometro.

Con il trimmer da 10k invece regoli la sensibilità del microamperometro.

Per il transistor va bene qualsiasi tipo che sia piccolo e PNP.

Attenzione: se lo alimenti senza collegare l'ingresso lo strumento va oltre il fondo scala, comunque non dovrebbe danneggiarsi, le correnti in ballo sono al massimo di circa 1mA.
Avatar utente
Foto UtenteBrunoValente
39,6k 7 11 13
G.Master EY
G.Master EY
 
Messaggi: 7796
Iscritto il: 8 mag 2007, 14:48

0
voti

[15] Re: Gestire piccolo galvanometro con TDA1521

Messaggioda Foto Utentepino81 » 27 gen 2024, 21:58

ciao bruno,avevo provato con un bc548 ma mi pareva di aver capito che la soglia minima alla base fosse 0,7 V se non sbaglio.. infatti lo strumento non si spostava di nulla,ad un pnp basta anche di meno..?
Avatar utente
Foto Utentepino81
189 1 3 6
Sostenitore
Sostenitore
 
Messaggi: 976
Iscritto il: 14 lug 2009, 17:13
Località: Biancavilla

1
voti

[16] Re: Gestire piccolo galvanometro con TDA1521

Messaggioda Foto UtenteIsidoroKZ » 28 gen 2024, 0:37

BrunoValente ha scritto:Attenzione: se lo alimenti senza collegare l'ingresso lo strumento va oltre il fondo scala, comunque non dovrebbe danneggiarsi, le correnti in ballo sono al massimo di circa 1mA.


1mA su un microamperometro da 50µA non ce lo metterei, prende una bella botta a fondoscala!
Per usare proficuamente un simulatore, bisogna sapere molta più elettronica di lui
Plug it in - it works better!
Il 555 sta all'elettronica come Arduino all'informatica! (entrambi loro malgrado)
Se volete risposte rispondete a tutte le mie domande
Avatar utente
Foto UtenteIsidoroKZ
121,2k 1 3 8
G.Master EY
G.Master EY
 
Messaggi: 21059
Iscritto il: 17 ott 2009, 0:00

0
voti

[17] Re: Gestire piccolo galvanometro con TDA1521

Messaggioda Foto Utentepino81 » 28 gen 2024, 2:25

quindi nessuno che sia in grado di farmi configurare l'op amp che ho fra le mani allo scopo indicato... ?
Avatar utente
Foto Utentepino81
189 1 3 6
Sostenitore
Sostenitore
 
Messaggi: 976
Iscritto il: 14 lug 2009, 17:13
Località: Biancavilla

0
voti

[18] Re: Gestire piccolo galvanometro con TDA1521

Messaggioda Foto Utentepino81 » 28 gen 2024, 6:44

mi scuso per una grave disattenzione,sono riuscito in qualche modo (grottesco) a far funzionare lo strumento, ma in pratica il segnale di pilotaggio può assumere una tensione negativa,cioè da circa 80 mV a circa -150 mV quindi ho fatto un test con un terzo amplificatore (TDA7056) e praticamente io devo registrare il fondo scala a partire dal segnale minimo che sarebbe la tensione positiva,quindi la lancetta funziona al contrario dato che l'amplificatore non potrebbe fare altrimenti.. l'idale sarebbe proprio invertire la funzionalità dell'amplificatore ... :roll:
il problema è che quando viene a mancare del tutto la tensione di 80mV l'amplificatore innalza ancor di più la tensione di alcuni volt facendo lanciare l'ago a fondo scala con rischio di rottura.. quindi devo sempre prima staccare il galvanometro e solo in un secondo momento la fonte di segnale... accetto qualsiasi consiglio di miglioramento...
Allegati
Screenshot_20240128_053656_Adobe Acrobat.jpg
Ultima modifica di Foto Utentepino81 il 28 gen 2024, 7:10, modificato 1 volta in totale.
Avatar utente
Foto Utentepino81
189 1 3 6
Sostenitore
Sostenitore
 
Messaggi: 976
Iscritto il: 14 lug 2009, 17:13
Località: Biancavilla

0
voti

[19] Re: Gestire piccolo galvanometro con TDA1521

Messaggioda Foto UtenteSediciAmpere » 28 gen 2024, 6:54

Quindi nell'apparecchio è presente anche una tensione negativa? Sarebbe una buona notizia
Adesso hai questo malfunzionamento perché stai usando un operazionale che non arriva alla tensione del rail negativo, MarcoD ti avevo detto giustamente di usare un LM358; ma se puoi prelevare da qualche parte un -12V ti puoi svincolare da questa cosa
Deve essere a fondo scala con la tensione posivitiva o con quella negativa?
Avatar utente
Foto UtenteSediciAmpere
4.187 5 5 8
Master
Master
 
Messaggi: 4848
Iscritto il: 31 ott 2013, 15:00

0
voti

[20] Re: Gestire piccolo galvanometro con TDA1521

Messaggioda Foto Utentepino81 » 28 gen 2024, 7:16

SediciAmpere ha scritto:Deve essere a fondo scala con la tensione posivitiva o con quella negativa?

quella negativa, -150 mV
purtroppo non ho un LM358 e nemmeno il TL071 che proponeva piercarlo questo progetto comunque non è definitivo,ma mi serve a capire come funzionano gli amplificatori dato che capiterà di volerli utilizzare in altre applicazioni e segnali diversi.
,ci si aggiorna domani..
buona notte.. O_/
Avatar utente
Foto Utentepino81
189 1 3 6
Sostenitore
Sostenitore
 
Messaggi: 976
Iscritto il: 14 lug 2009, 17:13
Località: Biancavilla

PrecedenteProssimo

Torna a Elettronica generale

Chi c’è in linea

Visitano il forum: Nessuno e 110 ospiti