ThEnGi ha scritto:se la corrente è poca ma non pochissima

circa 20mA puoi fare cosi
L'operazionale funge da buffer e si oppone alla variazione !
Questa!
La corrente sarà sempre pochissima in questi circuiti! Non si tratta dell'alimentazione dell'operazionale, ma solo di avere un punto di riferimento.
L'offset dell'opamp c'è, ma non è quello che l'OP vede. L'OP vede quello che io chiamerei bias (giusto per confondere un po' le idee) e che è il valore del riferimento del segnale. Lui mette il puntale nero del multimetro sull'alimentazione negativa e misura il riferimento del circuito come se fosse una tensione positiva.
bigendian, mi sembra di leggere tra le righe un po' di confusione iniziale
Attento a non fare il passo piú lungo della gamba allinizio.
Usa il TL082 che è un buon candidato per questo tipo di lavoro.
Te ne servono due, che contengono, in tutto, 4 operazionali.
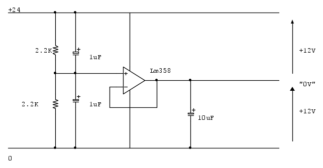
Un paio di note sul circuito, se non capisci tutto, non preoccuparti
- tutti gli opamp sono alimentati in
alimentazione singola tra 0 e 12 V
- le due resistenze di sinistra (Ra) sono un partitore che al suo centro avrà una tensione di 6V, essendo i suo rami uguali. Va bene qualsiasi valore che non sia troppo basso (scorre troppa corrente) o assurdamente alto. Diciamo che tra 1k e 10k va bene tutto.
- il centro di questo partitore è collegato all'ingresso non invertente dell'opamp 1. Visto che il TL082 ha ingressi JFET, possiamo con buona approssimazione dire che non scorre corrente e quindi il partitore non viene influenzato.
- il compito di 1 (configurato come inseguitore di tensione) è ripetere la tensione del partitore alla sua uscita. La differenza è che qui non ci sono due resistori collegati tra 12V e 0V, ma (all'interno dell'opamp) due transitor che possono fornire e assorbire corrente senza che la tensione cambi.
- abbiamo poi la combinazione di due resistori e un potenziometro. Se scegli i valori uguali (per esempio due resistori da 1k e un potenziometro da 1k), potrai variare la tensione in ingresso all'opamp 2 tra 4V e 8V (ambedue misurati rispetto agli 0V dell'alimentazione negativa)
- l'amplificatore 2 svolge la stessa funzione di 1 per quello che è il tuo segnale in ingresso all'integratore
- parliamo brevemente di 4: questo è un opamp che ci avanza. Non ci serve, ma è contenuto nei TL08. Anche se non lo usiamo, lo dobbiamo collegare esattamente come l'ho disegnato. Se non lo facciamo, anche l'altro opamp nello stesso chip funzionerà male.
- e adesso finalmente il nostro integratore, costruito attorno a 3. Ri e Ci sono i componenti che determinano la caratteristica dell'integratore. Usa come condensatore un condensatore ceramico o a film, non un elettrolitico.
- ho identificato due punti sullo schema: X e Y. Collegato il tuo voltmetro in modo che il negativo sia collegato a X e il positivo a Y.
- ora inizia a muovere il potenziometro, vedrai il segnale integrato che segue i tuoi movimenti
Cosa succede? In X abbiamo prodotto un riferimento arbitrario a metà strada tra le due tensioni di alimentazione. Collegandovi il negativo del voltmetro, gli diciamo che quello è lo zero. Di conseguenza il valore indicato sarà la differenza tra la tensione in Y e 6V. Se misuri tra X e 12V, troverai un valore di +6V. Se misuri tra X e 0V, leggerai -6V.
Se colleghi il voltmetro con il negativo a 0V e il positivo su Y probabilmente ottieni quello che hai visto finora. Non abbiamo modificato il circuito! Abbiamo solo misurato in un altro punto.
Se adesso tu modificassi il partitore di sinistra in modo da portarlo a 5V rispetto agli 0V (quindi non piú in mezzo), il circuito continuerà a funzionare.
All'opamp non interessa dove tu metti il tuo zero arbitrario, a condizione che rientri nelle sue condizioni di funzionamento ammissibili (specificate nel data-sheet).
Quindi attenzione con gli esperimenti, devi assicurarti che il common-mode dell'opamp sia rispettato.
Per approfondire, leggi qui:
https://www.electroyou.it/isidorokz/wik ... erazionaliBoiler