Un problema ricorrente che si vede nel forum è la violazione delle limitazioni di tensione di modo comune all'ingresso degli operazionali e relativo non funzionamento del circuito. Un collega mi diceva che talvolta questa svista capita anche in ambiente professionale, vale forse la pena parlarne.
Strettamente collegato al modo comune è la possibilità di usare o non usare l'operazionale a singola alimentazione. In questo primo articolo sarà trattato il problema della tensione di modo comune in ingresso agli operazionali, usati sia come amplificatori che comparatori. In un secondo articolo esaminerò i circuiti amplificatori funzionanti con una tensione singola di alimentazione.
Una splendida presentazione sperimentale delle limitazioni di tensione di modo comune per vari tipi di operazionali è stata fatta da brabus nel suo videoblog, con l'articolo Op Amp Common Mode Voltage Range [8].
Spero che alla fine sarà comprensibile perché alcuni operazionale in un certo circuito funzionano e altri no.
Quello che segue si applica alla stragrande maggioranza degli operazionali e in forma meno dettagliata è sparso in vari messaggi sul forum.
Indice |
Alimentazione
Un operazionale ha 5 piedini importanti, due ingressi, uno invertente e uno non invertente, una uscita e due piedini di alimentazione, alimentazione positiva e negativa. L'operazionale non ha un piedino ulteriore da collegare al potenziale di 0V anche detto riferimento, lui non sa come è collegato.
In questa prima parte si analizza solo la parte di alimentazione, senza disegnare il resto del circuito. GLi schemi non devono essere interpretati come se i piedini di ingresso fossero lasciati aperti. Questo ovviamente nella realtà non viene fatto, per ora sto solo definendo tensioni varie.
In figura 1 le configurazioni a) e b) vengono normalmente dette rispettivamente ad alimentazione duale e a singola alimentazione, ma in realtà i due circuiti sono esattamente uguali, in entrambi i casi l'operazionale vede una tensione di alimentazione di 30V. Da notare che non ho detto tensione di alimentazione totale perché non c'è una alimentazione "parziale": l'operazionale in entrambi i casi vede la stessa tensione applicata. Le tensioni indicate vicino ai piedini di alimentazione sono riferite al potenziale di 0V, che però per l'operazionale non ha nessun significato in quanto non sa dov'è.
La figura c) mostra la stessa configurazione di alimentazione del circuito, in cui, almeno per il momento, si è solo scelto un altro potenziale di riferimento, in pratica si è messo il "puntale nero" del multimetro su un altro nodo.
In modo analogo in figura 2 si ha ancora una alimentazione di 30V, che nel primo caso ha il riferimento sull'alimentazione positiva che adesso è il nostro 0V, nel secondo invece il riferimento è in una posizione asimmetrica. Ma in entrambi i circuiti l'operazionale vede la stessa tensione di alimentazione di 30V.
Ma se le configurazioni a) e b) di figura 1 sono equivalenti, vuol dire che tutti gli operazionali possono essere usati indifferentemente a singola alimentazione o ad alimentazione duale? La risposta è sì, tenendo presenti alcune limitazioni illustrate dopo nel prossimo paragrafo.
Altri problemi legati alla modellazione dell'alimentazione dell'operazionale nei simulatori spice sono magistralmente illustrati da carloc in questo thread, e non verranno trattati qui.
Limitazione della tensione di modo comune
Consideriamo ora le tensioni che possono essere applicate all'ingresso di un operazionale. I data sheet danno per lo più due indicazioni gli Absolute maximum ratings e le Electrical characteristics.
Se vi aspettavate a questo punto la definizione di modo comune di ingresso e di operazionale a singola alimentazione... dovete aspettare ancora un po', tanto gli operazionali mica sanno queste definizioni!
Absolute Maximum Ratings
I maximum ratings sono i valori di tensione (o corrente) applicate dal circuito esterno all'ingresso dell'operazionale, oltre ai quali il dispositivo si può rompere. Praticamente per tutti i circuiti integrati la massima tensione applicata deve essere al più uguale alle tensioni di alimentazione. Ci sono delle eccezioni a questa regola, ma in linea di massima funziona abbastanza bene. Detto in altre parole, le tensioni su ciascun ingresso non possono essere più negative dell'alimentazione negativa né più positive dell'alimentazione positiva.
Ad esempio nel circuito di figura 3 le tensioni indicate in rosso e quelle indicate in blu devono essere tutte positive, altrimenti l'operazionale potrebbe guastarsi. Nelle figure non è rappresentato il circuito collegato agli ingressi, che è quello che applica le tensioni di ingresso, all'operazionale interessa solo il valore delle tensioni, non da dove arrivano (operazionale miope!)
Non ha importanza quanto valga ad esempio la tensione dell'ingresso non invertente: l'operazionale NON SA dove noi abbiamo arbitrariamente deciso di mettere il riferimento, la tensione applicata dal circuito all'ingresso deve essere più positiva dell'alimentazione negativa e più negativa dell'alimentazione positiva!
E se siamo in un caso a "single supply" come in figura 1b? Fa lo stesso, fra i due morsetti di alimentazione dell'operazionale ce n'è uno positivo e uno negativo. Che il negativo si chiami 0V o -15V all'operazionale non interessa, lui NON vede dove è il riferimento, vede solo le tensioni ai suoi piedini di alimentazione.
Se misuriamo le tensioni sul morsetto invertente
e non invertente
rispetto allo stesso potenziale di riferimento (strano) che abbiamo scelto per il circuito, come mostrato in figura 4,
allora le limitazioni di tensione di ingresso sono
La ragione per cui non mi piace questo modo di definire i limiti massimi è che i valori sono dipendenti dallo specifico circuito, da dove si è definito il potenziale di riferimento mentre sui data sheet si trova un circuito standard che spesso non è neanche tanto esplicitamente specificato.
Ad esempio per l'operazionale TL081 troviamo sul data sheet nell'edizione Texas Instruments del 2015 [1] queste indicazioni di valori massimi assoluti.
Come nei contratti di assicurazione, anche qui bisogna leggere le note, specie quelle scritte in piccolo e riportate in figura 6. Qui bisogna dire che la nota 2 dice esplicitamente come è fatta l'alimentazione e dove viene preso il potenziale di riferimento.
La nota 2 dice che l'alimentazione è simmetrica, e il valore massimo specificato in figura 5 è di 18V su ogni ramo, mentre la nota 4 dice che la tensione applicata su ciascuno degli ingressi non può superare le tensioni di alimentazione oppure 15V, la più bassa delle due. Queste tensioni sono quelle definite in figura 7 a) e b), e fanno riferimento al potenziale di 0V definito dalla nota 2. Sembrerebbe una situazione tranquilla: in 7a la tensione di alimentazione duale è di 10V, quindi la massima tensione applicabile agli ingressi è di 10V, positivi o negativi, mentre in 7b la massima tensione è di 15V.
E nel caso di figura 7c? Per cominciare, stiamo rispettando la massima tensione di alimentazione, figura 5 "Supply Voltage"? Il data sheet dice
, mentre nello schema ci sono 25V. Non sarebbe la prima volta che un povero operazionale viene seviziato. In questo caso però non ci sono problemi perché la tensione che vede l'operazionale, la sola importante, è di 30V, quindi non ci sono problemi perché si può arrivare fino a 36V.
E per quanto riguarda i valori di Vmax che presumibilmente sono diversi fra massimo valore positivo e massimo negativo? Questo tipo di situazioni, peraltro facilmente risolvibili, mi portano a usare quanto mostrato in figura 3, non superare le tensioni di alimentazione, che secondo me è di più immediata comprensione. La risposta analitica per le massime tensioni applicabili è quella data prima
ma mi sembra più comprensibile pensare alle tensioni di ingresso riferite all'alimentazione.
Come forse ho già detto, l'operazionale non sa dove abbiamo deciso di mettere il potenziale di riferimento (prometto che è l'ultima volta che lo dico,
)
Electrical Characteristics
Quanto detto nel paragrafo precedente si riferisce a limiti che vanno rispettati se si vuole che l'integrato sopravviva. L'ho fatta un po' lunga perché il concetto di tensione sugli ingressi è importante non solo per non danneggiare l'integrato ma anche per garantirne il corretto funzionamento.
Quando la tensione sugli ingressi si avvicina alle tensioni di alimentazione, capita per tanti modelli che il circuito cessi di funzionare. L'integrato non si guasta, ma non funziona. Quando le tensioni di ingresso si allontanano dalle tensioni di alimentazione, il circuito riprende a funzionare.
Oltre ai limiti di sopravvivenza ci sono sono altri due limiti che separano la regione dove l'operazionale può funzionare correttamente dalle regioni in cui l'operazionale non funziona, pur senza guastarsi. In figura 8 sono rappresentate graficamente queste varie regioni.
Da notare che in figura 8 la direzione verticale rappresenta delle tensioni, ma non è specificato dove è posizionato lo 0V. Si può anche considerare che in verticale ci sia il potenziale, che è definito a meno di una costante, basta che tutti i valori abbiano la stessa costante addittiva.
Il messaggio importante è che se l'operazionale lavora con gli ingressi a una tensione al di fuori delle alimentazioni, si può avere una rottura, mentre se il potenziale degli ingressi si avvicina troppo alle alimentazioni l'operazionale non funziona più.
E ora vediamo la tensione di modo comune, che all'ingresso di un operazionale è definita come la media aritmetica delle tensioni sui due ingressi:
.
Quando l'operazionale lavora in linearità le due tensioni di ingresso sono a tutti gli effetti coincidenti, per cui la tensione di modo comune è praticamente pari alla tensione di ingresso dell'integrato. Il problema della tensione di modo comune che supera i limiti per il corretto funzionamento si verifica solo nella configurazione non invertente, specialmente a inseguitore di tensione. In figura 9 è mostrato un circuito invertente e uno non invertente, supposti in ilinearità, con indicate le tensioni sugli ingressi e la tensione di modo comune.
I limiti di tensione di modo comune che consentono il corretto funzionamento dell'operazionale sono dati nel data sheet nella sezione "Electrical characteristics" usando una varietà di nomi. Ad esempio nel TL081 il parametro si chiama
Common mode input voltage range e la parte rilevante del data sheet (fatto un po' di taglia e incolla) è in figura 10.
Il data sheet indica che i valori sono riferiti alla condizione di alimentazione duale simmetrica di 15V, a temperatura ambiente di 25°C e la massima tensione di modo comune applicabile, per garantire il funzionamento è di 11V, positivi o negativi (ricordando sempre la nota 2 discussa prima). Il valore MIN è quello che garantisce il funzionamento. Poi c'è una colonna TYP, typical, che dice che l'intervallo di funzionamento potrebbe essere più ampio, da -12V fino a +15V, quindi fino alla tensione di alimentazione positiva, ma questo non è garantito per tutti gli integrati e quindi in un progetto non solo professionale, ma anche minimamente serio, questa estensione dell'intervallo non deve essere usata, altrimenti si rischia che solo una parte dei circuiti funzionino.
Se si riportano in un grafico queste tensioni, per esempio prendendo l'alimentazione negativa come tensione di riferimento, si ottiene il grafico di figura 11. Ho volutamente preso l'alimentazione negativa come potenziale di riferimento (come se fosse single supply) per mostrare che per l'operazionale non cambia nulla. Se avessi avuto una alimentazione duale, tutti i valori del grafico sarebbero di 15V più bassi.
I valori di tensione di modo comune cui si deve attenere qualunque progettista analogico, aspirante progettista, amico di aspirante progettista, collezionista di figurine... in pratica TUTTI, i valori di modo comune da rispettare, dicevo, sono quelli dati dalla colonna MIN, quindi sul grafico di figura 11 da +4V fino a +26V. È possibile che su molti integrati anche la zona viola sia funzionante, ma dispiacerebbe avere in produzione una elevata percentuale di scarti perché la sfiga ci vede bene
!
Che cosa capita ad altri valori di alimentazione? Il data sheet non lo dice, e potrebbe essere una assunzione prudente considerare che di debba sempre rispettare una guardia di 4V fra le tensioni di alimentazione e le tensioni di ingresso. Probabilmente questa scelta è molto conservativa, ma se si fa un progetto che deve funzionare, non ci sono tante altre possibilità.
Che cosa succede se si va a lavorare nella zona gialla di figura 8? Sicuramente l'integrato non si danneggia, ma in figura 12 [2] c'è il comportamento drammatico di due inseguitori di tensione in cui si violano i limiti di modo comune. La forma d'onda di sinistra è la tensione di ingresso che sfora in zona gialla. La forma d'onda centrale è la tensione di uscita, in cui ci può anche essere un fenomeno di saturazione dell'uscita.
Infine nella forma d'onda di destra in figura 12 si vede un altro operazionale usato come voltage follower che presenta il fenomeno di phase reversal: quando la tensione di ingresso diventa troppo negativa, l'uscita salta di colpo a un valore positivo. Se questo comportamento si avesse all'interno di un loop di controllo, potrebbero esserci conseguenze gravi perché il comando avrebbe il segno sbagliato. Molti operazionali sono pubblicizzati per non avere il phase reversal: in questi operazionali quando si sconfina in zona gialla l'uscita si satura ma non salta alla polarità opposta,
L'analisi del phase reversal si trova ad esempio in [3].
Op amp a singola alimentazione e rail-to-rail
A questo punto si può provare a spiegare il problema iniziale di che cosa siano gli amplificatori operazionali "normali", quelli single supply e quelli rail-to-rail. Nel seguito si fa riferimento solo alle caratteristiche di ingresso, ma analoghe proprietà devono anche essere presenti sull'uscita.
Devo dire che mi era venuta la tentazione di intitolare questa sezione "What is all this single supply stuff, anyhow?" ma mi è sembrato poco rispettoso e peggio ancora molto superbo
.
La differenza fra i tre tipi di operazionali, alla luce di quanto detto precedentemente, è immediata da capire ed è mostrata in figura 13.
Negli operazionali "normali" il potenziale degli ingressi deve rimanere a una certa distanza dal potenziale delle alimentazioni, pena il non funzionamento, anche drammatico, dell'operazionale.
Negli operazionali "single supply" la tensione di modo comune in ingresso può scendere fino al livello dell'alimentazione negativa, ma deve "tenersi lontana" almeno un paio di volt dall'alimentazione positiva.
Infine negli operazioanli rail-to-rail, il funzionamento è garantito anche con potenziale di modo comune che raggiunge il potenziale delle alimentazioni.
Ci sono poi delle caratteristiche di dinamica di uscita normalmente associate ai vari tipi di operazionali, ma queste forse un'altra volta.
Spero sia emerso che un operazionale "normale" può essere usato a singola alimentazione e uno a singola alimentazione anche con alimentazione duale. La cosa importante è rispettare il range della tensione di modo comune in ingresso, restare cioè nella zona verde.
Esempi di alcuni operazionali
Seguono ora esempi tratti dai data sheet di alcuni operazionali abbastanza comuni. Si evidenzia solo la parte tratta da Electrical characteristics, la regione dove il componente funziona secondo le specifiche. Le limitazioni date dagli absolute maximum ratings tipicamente sono pari ai potenziali di alimentazione.
Queste sono (fra le altre) le parti del data sheet che tipicamente ci si dimentica di controllare, per poi scoprire che il circuito non funziona
.
LF411
Il 411 [4] è un operazionale bipolare con ingresso a JFET, analogo al TL081 visto prima. Come molti di questi operazionali può essere soggetto al phase reversal descritto prima.
Il data sheet in figura 14 dice che è un operazionale "normale", con limiti della tensione di modo comune da rispettare.
- Può essere usato con singola alimentazione? Sì, certo, basta rispettare il range di modo comune.
- Può essere usato come un rail-to-rail? No, ci sono le zone gialle di figura 13 che non lo permettono.
- Può essere usato come operazionale a singola alimentazione? No anche qui, c'è sempre una zona gialla di troppo.
OOPS: ho appena detto due cose in contraddizione?
LM358
L'LM358 [5], operazionale doppio, è stato uno dei primi operazionali di tipo single supply, lanciato da National Seminconductor nel 1972 circa, ha avuto un enorme successo anche nella sua versione quadrupla, LM324. Anche se il suo stadio di uscita ha qualche problemino, continua ad essere prodotto da più costruttori.
La parte rilevante del suo datasheet, nella versione Fairchild, è in figura 15.
Da notare che National in origine e anche Fairchild nel loro data sheet non dicevano "single supply" ma dicono che l'ingresso può scendere fino a a ground. In questo modo mette bene in evidenza che non è obbligatorio farlo funzionare a singola alimentazione, anche in duale se la cava benissimo!
LT1013
L'LT1013 [6] è la versione molto migliorata dell'LM358 prodotta dalla Linear Technology circa dal 1985. Le prestazioni di offset, guadagno, CMRR sono state molto migliorate, mentre sono rimaste invariate le caratteristiche di single supply. Il data sheet (figura 16) in questo caso dice "single supply".
Da notare che la tensione ammissibile di modo comune non ha un simbolo proprio e anche il nome di questo parametro può cambiare da un costruttore all'altro, e da un modello all'altro.
LMC6482
L'LMC6482 [7] è un operazionale doppio sviluppato inizialmente da National Seminconductors, poi acquisita da Texas Instruments. Come dice la lettera C della sigla, l'operazionale è costruito in tecnologia CMOS e questo permette di ottenere facilmente le proprietà di rail-to-rail sia in ingresso che in uscita, come dice addirittura il titolo del data sheet. Subito sotto è specificato che la proprietà di rail-to-rail vale su tutto l'intervallo di temperatura.
Il data sheet, figura 17, è completo e mostra i limiti a temperatura ambiente e quelli su tutto l'intervallo di temperatura.
Esempi di circuiti sbagliati
Ho fatto una breve ricerca sul forum usando come parole chiave di ricerca "modo comune" e "operazionale" e nel bienno 2009-2011 ho trovato una mezza dozzina o più di problemi legati alla violazione dell'intervallo di modo comune in ingresso. Non tutti i messaggi hanno uno schema allegato (qualche volta c'era su server esterno e non più recuperabile), per cui mi limito a pochi esempi.
Le limitazioni di modo comune valgono anche per i comparatori, nello stesso modo, e fra gli esempi ci saranno anche alcuni circuiti con gli operazionali usati come comparatori.
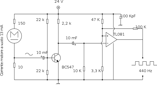
Ampli con TL081
Il circuito di figura 18 vince a mani basse la palma di peggiore schifezza realizzabile con soli due integrati. La quantità di errori presenti in questo schema supera ogni normale o perversa immaginazione, ma chi ha fatto quel florilegio di errori dice che va bene in quanto lui era, all'epoca, un laureando in ingegneria.
A parte quanto di interesse in questo articolo, non posso non far notare che l'alimentazione arriva da una USB a 5V, viene passata in un 7805 per avere in uscita una tensione di 5V stabile (sic), poi la tensione di uscita viene ridotta con un partitore variabile per alimentare l'operazionale, un TL081, fino a 1V di tensione totale.
L'operazionale viene fatto lavorare con tensione di alimentazione troppo bassa, il minimo dichiarato sul data sheet è 10V, e la tensione di modo comune applicata all'ingresso è pari all'alimentazione negativa: si avrebbe presumibilmente phase reversal, se appena l'operazionale riuscisse ad essere alimentato
. Il fatto che il 7805 non sia fatto lavorare con la minima corrente di uscita richiesta non è neanche un peccato veniale :-).
In questo caso non si ha la violazione della tensione di modo comune all'ingresso, si è in presenza di violazione di qualunque buon senso dell'elettronica!
Comparatore con LM741
In questo circuito, in figura 19, a parte la rete di ingresso del segnale, la tensione di ingresso sul morsetto invertente è troppo bassa, e mi pare che anche la tensione di alimentazione 5V, non sia sufficiente.
Probabilmente cambiando operazionale e mettendo a posto la rete di ingresso il circuito potrebbe funzionare.
Comparatore con TL081
In questo schema, figura 20, a parte qualche condensatore girato al contrario, il problema è solo la tensione di modo comune di ingresso che è troppo bassa per l'operazionale. Mettendo un single supply le cose dovrebbero andare a posto.
Al posto di cambiare l'operazionale si potrebbe alzare la tensione continua di entrambi gli ingressi, e verificare la compatibilità della tensione di uscita, in quanto anche sull'uscita i diversi tipi di operazionali si comportano diversamente.
Comparatore con TL082
Qui si ha una doppia (o tripla) violazione del modo comune, figura 21.
La tensione costante applicata agli ingressi invertenti dal partitore resistivo R1-R2 è di 1V, troppo bassa e anche la tensione che arriva dalla rete con il pulsante è alternativamente 12V o 0V: nel primo caso forse potrebbe ancora essere accettabile, almeno per una piccola frazione dei TL081, mentre quando il pulsante è aperto la tensione di ingresso è decisamente troppo bassa e il phase reversal è in agguato.
L'ingresso anche la tensione di ingresso del secondo stadio dovrebbe essere verificata, ma non dovrebbero esserci problemi troppo grandi.
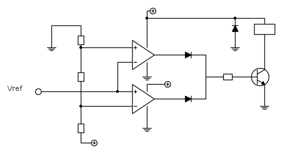
Comparatore a finestra
L'ultimo esempio rigurada il comparatore a finestra per uso automotive mostrato in figura 22.
Senza entrare nel merito del fatto che per avere una comparazione è meglio usare un comparatore e non un operazionale, osservazione comune anche agli esempi precedenti, e lasciando la dimenticanza del diodo di ricircolo in parallelo al relé, in questo circuito Vref può andare dall'alimentazione negativa a quella positiva. Il circuito, se utilizzasse operazionali rail-to-rail funzionerebbe.
Se invece usasse un operazionale single supply avrebbe dei problemi a livello alto di ingresso, facilmente eliminabili con un partitore su Vref. Se invece usasse degli operazionali normali bisognerebbe spostare la tensione di ingresso in un intervallo accettabile per gli operazionali. Questo costa in totale 3 resistenze. Se poi gli operazionali accettassero in ingresso una tensione che arriva fino all'alimentazione positiva, come certi derivati del TL082, allora lo scalamento di tensione potrebbe essere fatto con sole due resistenze.
Ma usando un operazionale non a singola alimentazione, anche mettendo a posto il modo comune in ingresso, il circuito non funzionerebbe ugualmente perché la tensione di uscita dell'operazionale non riuscirebbe a scendere abbastanza da spegnere il transistore. Ma questa è un aspetto non trattato in questo articolo.
Conclusione (provvisoria)
Ho provato a spiegare quali siano le esigenze dei diversi tipi di operazionali per quanto riguarda la loro tensione sui piedini di ingresso, tensione di modo comune in ingresso, mostrando come sono definite queste tensioni, come sono riportate sui data sheet e ho anche mostrato alcuni esempi di maltrattamento di questo parametro. Nel prossimo articolo mostrerò alcuni esempi di come si possa fare un circuito di amplificazione lineare in presenza di una singola tensione di alimentazione.
Bibliografia
[1] Texas Instruments, Data Sheet TL081
[2] Linear Technology, Data Sheet LT1464
[3] Analog Devices, Op Amp Output Phase-Reversal and Input Over-Voltage Protection, Tutorial MT-036
[4] National Semiconductor LF411 Data Sheet, Aug 2000. National è ora parte di Texas Instruments
[5] Fairchild, LM358 Data Sheet, 2010
[6] Linear Technology, LT1013 Data Sheet
[7] Texas Instruments, LMC 6482 Data Sheet
[8] Brabus, EY VBlog 2 - Op Amp Common Mode Voltage Range, ElectroYou Sett 2013
[9] Analog Devices Op Amp Inputs, Outputs, Single-Supply, and Rail-to-Rail Issues, MT035 Tutorial, 2010.

Elettrotecnica e non solo (admin)
Un gatto tra gli elettroni (IsidoroKZ)
Esperienza e simulazioni (g.schgor)
Moleskine di un idraulico (RenzoDF)
Il Blog di ElectroYou (webmaster)
Idee microcontrollate (TardoFreak)
PICcoli grandi PICMicro (Paolino)
Il blog elettrico di carloc (carloc)
DirtEYblooog (dirtydeeds)
Di tutto... un po' (jordan20)
AK47 (lillo)
Esperienze elettroniche (marco438)
Telecomunicazioni musicali (clavicordo)
Automazione ed Elettronica (gustavo)
Direttive per la sicurezza (ErnestoCappelletti)
EYnfo dall'Alaska (mir)
Apriamo il quadro! (attilio)
H7-25 (asdf)
Passione Elettrica (massimob)
Elettroni a spasso (guidob)
Bloguerra (guerra)










