Effettivamente non è un lavoretto indifferente.
L'altra strada che usa una MCU, secondo te è quella percorribile che porta a minori tempi di realizzazione ed anche ad una maggiore semplicità ?

Moderatori:
carloc,
g.schgor,
BrunoValente,
IsidoroKZ

setteali ha scritto:L'altra strada che usa una MCU, secondo te è quella percorribile che porta a minori tempi di realizzazione ed anche ad una maggiore semplicità ?
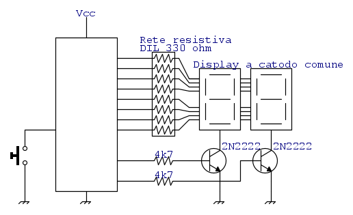
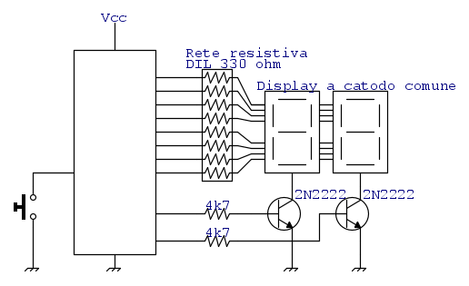
stefanopc ha scritto:La via probabilmente più "semplice" sarebbe realizzare un bus BCD 4 bit con 16 DM9368 e 16 display (7 segmenti) e 16 linee di enable.
Rimane la gestione degli 8 pulsanti.
boiler ha scritto:la soluzione concettualmente (e anche economicamente) migliore è di usare un microcontroller per canale.
Visitano il forum: Nessuno e 174 ospiti