I calcoli mi sembrano giusti.
Non vedo l'utilità di poter impostare l'offset (non è detto che sia costante), io lo metterei fisso al valore nominale e imposterei il guadagno in modo da avere il range desiderato.
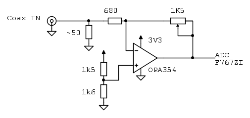
Se sfioriamo cosa succede?
L'OPA354 limita a 0 e 3.3 V, ambedue tensioni di ingresso valide per l'ADC.
Il recovery time in caso di saturazione per l'OPA354 è 1 ns, quindi non perdiamo informazioni.
Però si può fare anche così, come preferite.
Boiler
I2C Bus Extender
Moderatori:
carloc,
g.schgor,
BrunoValente,
IsidoroKZ
0
voti
[102] Re: I2C Bus Extender
Cosi :
Crei non ci sia la necessità' di variare l'offset ?
0
voti
[103] Re: I2C Bus Extender
Dipende tutto dalla risoluzione che ti serve.
Alla fine devi decidere tu.
Ti ho riassunto tutto in una tabella excel (vedi allegato).
I parametri in blu puoi modificarli a piacere. Quelli sotto allo schema sono quelli relativi all'amplificatore.
Vb è semplicemente dato come una tensione. Puoi poi decidere tu se metterci un partitore fisso, un potenziometro, un DAC o che altro.
Con i valori come li ho impostati, vedi che hai un ingresso valido all'ADC in ogni condizione possibile.
Il rovescio della medaglia è che se hai sfiga usi solo il 69% del possibile intervallo di misura dell'ADC. Questo vuol dire che i tuoi ±3g si spalmano sul 69% di 12 bit, portandoti ad avere una risoluzione di 0.002 g per LSB (un pochino meno perché non stiamo calcolando con bit effettivi). Se questo è sufficiente, puoi realizzare il circuito così come schizzato e avrai una soluzione che funziona sempre.
Se invece vuoi aumentare la risoluzione devi prenderti carico della maggiore complessità circuitale e della necessità di calibrare ogni circuito.
Boiler
Alla fine devi decidere tu.
Ti ho riassunto tutto in una tabella excel (vedi allegato).
I parametri in blu puoi modificarli a piacere. Quelli sotto allo schema sono quelli relativi all'amplificatore.
Vb è semplicemente dato come una tensione. Puoi poi decidere tu se metterci un partitore fisso, un potenziometro, un DAC o che altro.
Con i valori come li ho impostati, vedi che hai un ingresso valido all'ADC in ogni condizione possibile.
Il rovescio della medaglia è che se hai sfiga usi solo il 69% del possibile intervallo di misura dell'ADC. Questo vuol dire che i tuoi ±3g si spalmano sul 69% di 12 bit, portandoti ad avere una risoluzione di 0.002 g per LSB (un pochino meno perché non stiamo calcolando con bit effettivi). Se questo è sufficiente, puoi realizzare il circuito così come schizzato e avrai una soluzione che funziona sempre.
Se invece vuoi aumentare la risoluzione devi prenderti carico della maggiore complessità circuitale e della necessità di calibrare ogni circuito.
Boiler
0
voti
[104] Re: I2C Bus Extender
Dite che e' troppo tardi, per fare il rompi(quelle) come al solito e chiedersi perche' usare degli accelerometri invece di un paio di estensimetri (strain gage) incollati sui supporti ?
In fondo, sono semplici resistenze variabili (dove la variazione e' data dalla deformazione), li danno in genere come molto veloci (usati fra 1 e 10 kHz) costano poco ...
In fondo, sono semplici resistenze variabili (dove la variazione e' data dalla deformazione), li danno in genere come molto veloci (usati fra 1 e 10 kHz) costano poco ...
"Sopravvivere" e' attualmente l'unico lusso che la maggior parte dei Cittadini italiani,
sia pure a costo di enormi sacrifici, riesce ancora a permettersi.
sia pure a costo di enormi sacrifici, riesce ancora a permettersi.
-

Etemenanki
9.527 3 6 10 - Master

- Messaggi: 5951
- Iscritto il: 2 apr 2021, 23:42
- Località: Dalle parti di un grande lago ... :)
0
voti
[105] Re: I2C Bus Extender
Etemenanki ha scritto:Dite che e' troppo tardi, per fare il rompi(quelle) come al solito e chiedersi perche' usare degli accelerometri invece di un paio di estensimetri (strain gage) incollati sui supporti ?![]()
Proposti al messaggio [7] e bocciati al messaggio [9].
Boiler
0
voti
[106] Re: I2C Bus Extender
boiler ha scritto:Dipende tutto dalla risoluzione che ti serve.
Alla fine devi decidere tu.
...
Questo vuol dire che i tuoi ±3g si spalmano sul 69% di 12 bit, portandoti ad avere una risoluzione di 0.002 g per LSB (un pochino meno perché non stiamo calcolando con bit effettivi). Se questo è sufficiente, puoi realizzare il circuito così come schizzato e avrai una soluzione che funziona sempre.
...[/attachment]
Grazie mille
Con questa tabella e i dati che mi hai fornito sono sicuro che non ho bisogno di alcuna regolazione.
Tieni conto che in genere non si va mai sotto al grammo di peso per compensare lo squilibro di quei rotori. Non sono rotori che necessitano di una bilanciatura millesimale.
Facendo due calcoli (sperando di non aver cannato qualcosa), prendendo un esempio di un rotore da 100Kg:
Convertire la Risoluzione G in Accelerazione

Convertire l'Accelerazione in Forza

Risoluzione dell'ADC

Convertire la Forza in Grammi

Quindi, la risoluzione in termini di grammi di squilibrio che potrei rilevare è approssimativamente:

Sono ben oltre il grado si sensibilità richiesta.
0
voti
[107] Re: I2C Bus Extender
Etemenanki ha scritto:Dite che e' troppo tardi, per fare il rompi(quelle) come al solito e chiedersi perche' usare degli accelerometri invece di un paio di estensimetri (strain gage) incollati sui supporti ?![]()
In fondo, sono semplici resistenze variabili (dove la variazione e' data dalla deformazione), li danno in genere come molto veloci (usati fra 1 e 10 kHz) costano poco ...
I supporti hanno possibilità di movimento di circa 20/30 mm è un gioco troppo alto da gestire con delle celle di carico, quando il rotore è squilibrato c'è proprio una oscillazione trasversale del supporto su cui è fissato.
0
voti
[108] Re: I2C Bus Extender
Signori sto buttando giù il layout del PCB, vi chiedo un consiglio per per portare la 3.3V sul poligono in basso della scheda.
Non riuscendo a portare la tensione di alimentazione in quella zona della scheda ho messo un ponte da 0 ohm in package 1206 che accavalla la pista del segnale che porta al micro:
Pensate che possa andare bene ?
Il bottom layer e' solo massa e non volevo passare con altre piste, voi che dite ? quale è il male minore ?
Non riuscendo a portare la tensione di alimentazione in quella zona della scheda ho messo un ponte da 0 ohm in package 1206 che accavalla la pista del segnale che porta al micro:
Pensate che possa andare bene ?
Il bottom layer e' solo massa e non volevo passare con altre piste, voi che dite ? quale è il male minore ?
0
voti
[110] Re: I2C Bus Extender
Ho modificato cosi:
Non credo che servi espanderlo di più visto che altrove non mi serve. O sbaglio ?
Altri consigli ?
Chi c’è in linea
Visitano il forum: Nessuno e 160 ospiti

Elettrotecnica e non solo (admin)
Un gatto tra gli elettroni (IsidoroKZ)
Esperienza e simulazioni (g.schgor)
Moleskine di un idraulico (RenzoDF)
Il Blog di ElectroYou (webmaster)
Idee microcontrollate (TardoFreak)
PICcoli grandi PICMicro (Paolino)
Il blog elettrico di carloc (carloc)
DirtEYblooog (dirtydeeds)
Di tutto... un po' (jordan20)
AK47 (lillo)
Esperienze elettroniche (marco438)
Telecomunicazioni musicali (clavicordo)
Automazione ed Elettronica (gustavo)
Direttive per la sicurezza (ErnestoCappelletti)
EYnfo dall'Alaska (mir)
Apriamo il quadro! (attilio)
H7-25 (asdf)
Passione Elettrica (massimob)
Elettroni a spasso (guidob)
Bloguerra (guerra)


