La

va bene, mentre per la

c'è qualcosa da dire.
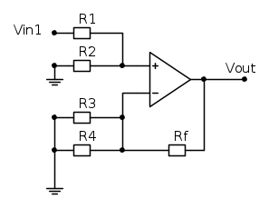
Per risolvere questo problema si può usare un po' di strategia: si può utilizzare la sovrapposizione degli effetti in un modo furbo.
La sovrapposizione degli effetti dice che devo prima considerare solo

, poi solo

, poi solo

, poi solo

, poi sommare tutto insieme per ottenere

.
Posso applicare la sovrapposizione, infatti, a qualunque tensione io voglia, non solo per

o

.
Prova così:
Se io applico la sovrapposizione tenendo acceso

e spegnendo tutto il resto per calcolare

ho questo circuito:
Che, a guardarlo bene, è un amplificatore non invertente. C'è solo un partitore in ingresso in più, che possiamo trattare a parte.
La formula di quel partitore è che:

La tensione

è poi applicata ad un amplificatore non invertente.
E' inutile ricalcolare la formula dell'amplificatore non invertente, l'abbiamo già calcolata prima.
Al posto della vecchia resistenza R c'è il parallelo di R3 ed R4, così:
per cui la tensione Vout è pari a:

quindi, in definitiva:

A te completare gli altri casi.