Cos'è ElectroYou | Login Iscriviti

ElectroYou - la comunità dei professionisti del mondo elettrico

Thread sugli operazionali

Elettronica lineare e digitale: didattica ed applicazioni

Moderatori: Foto Utentecarloc, Foto Utenteg.schgor, Foto UtenteBrunoValente, Foto UtenteIsidoroKZ

0
voti

[151] Re: Thread sugli operazionali

Messaggioda Foto Utenteelegos » 8 feb 2013, 16:10

Sì, ma non va a moltiplicare tutto... non è una somma? Se noti è così sintetizzata la formula lì sopra:

V_o = - aV_1 + bV_2 - cV_2

non è questo:

V_o = - (aV_1 + bV_2 - cV_2)


EDIT:
a proposito di Vo di V1:
PietroBaima ha scritto:
elegos ha scritto:\boxed{V_o = \frac{R_4R_9}{R_2R_6}V_1}



segno sbagliato, ma risultato giusto :D
Avatar utente
Foto Utenteelegos
335 3 6
Frequentatore
Frequentatore
 
Messaggi: 183
Iscritto il: 29 gen 2013, 19:43
Località: Milano

3
voti

[152] Re: Thread sugli operazionali

Messaggioda Foto UtentePietroBaima » 8 feb 2013, 16:15

Sì, ma l'uscita del primo operazionale, considerando solo V1 vale:

V_{out1}=-\frac{R_4}{R_2}V_1

e l'uscita del secondo vale:

V_o=-\frac{R_9}{R_6}V_{out1}

quindi, in definitiva si ha che:

V_o=\frac{R_9}{R_6}\frac{R_4}{R_2}V_1

Questo è il primo termine della somma, al quale va poi sommato quello calcolato per V2.
Generatore codice per articoli:
nomi
Sul forum:
[pigreco]=π
[ohm]=Ω
[quadrato]=²
[cubo]=³
Avatar utente
Foto UtentePietroBaima
90,7k 7 12 13
G.Master EY
G.Master EY
 
Messaggi: 12206
Iscritto il: 12 ago 2012, 1:20
Località: Londra

1
voti

[153] Re: Thread sugli operazionali

Messaggioda Foto Utenteelegos » 8 feb 2013, 16:22

Come dire: mi hai fottuto alla grande xD

Ora faccio una pausa, comincio ad accusare il sonno arretrato xD
Avatar utente
Foto Utenteelegos
335 3 6
Frequentatore
Frequentatore
 
Messaggi: 183
Iscritto il: 29 gen 2013, 19:43
Località: Milano

1
voti

[154] Re: Thread sugli operazionali

Messaggioda Foto UtentePietroBaima » 8 feb 2013, 16:24

Vai tranquillo, è normale fare di questi errori quando ci sono i circuiti di mezzo. Poi sono stato troppo laconico io nella prima risposta.
Quando torni ti faccio trovare un sunto per la soluzione dell'esercizio ;-)

Ciao e complimenti, sei bravo!
Generatore codice per articoli:
nomi
Sul forum:
[pigreco]=π
[ohm]=Ω
[quadrato]=²
[cubo]=³
Avatar utente
Foto UtentePietroBaima
90,7k 7 12 13
G.Master EY
G.Master EY
 
Messaggi: 12206
Iscritto il: 12 ago 2012, 1:20
Località: Londra

3
voti

[155] Re: Thread sugli operazionali

Messaggioda Foto UtentePietroBaima » 8 feb 2013, 17:12

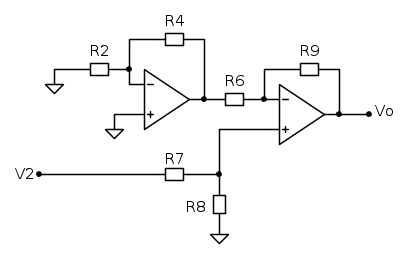
Allora, il circuito da risolvere è questo:



Come prima cosa notiamo che ci sono delle resistenze che non entreranno a far parte della formula risolutiva, quindi possono essere non considerate. Evidenziamole:



Queste resistenze sono eliminabili perché:

  1. R1 è posta tra gli ingressi V1 e V2, e tra quei due punti c'è una tensione che è fissata dagli ingressi, quindi che ci sia o no per l'operazionale non cambia;
  2. R3 è in serie ad un ingresso di un operazionale per il quale usiamo il modello ideale, per cui non circola corrente e la tensione sulla resistenza è nulla;
  3. R5 ed R10 sono poste all'uscita di un operazionale, e tra quel punto e 0V la tensione è fissata dall'operazionale.

A questo punto disegniamo la rete senza il superfluo:



Si nota che abbiamo tre tensioni in ingresso, per le quali applichiamo la sovrapposizione degli effetti, essendo la rete lineare:

Primo pezzo:

La rete diventa così:



che equivale a:



Senza ricavare tutto da capo, possiamo osservare che l'uscita V_o^\prime è formata dalla cascata di due amplificatori invertenti, dei quali ricordiamo la formula risolutiva:



Pertanto l'uscita varrà:

V_o^\prime=\frac{R_9}{R_6}\frac{R_4}{R_2}V_1

Passiamo ora alla seconda tensione da sovrapporre:



Si vede che il circuito è formato dalla cascata di un amplificatore non invertente e da un amplificatore invertente.
Ricordiamo la formula dell'amplificatore non invertente, già ricavata:



Pertanto l'uscita varrà:

V_o^{\prime \prime}=-\frac{R_9}{R_6}\left( 1+\frac{R_4}{R_2} \right)V_2

Passiamo ora alla terza tensione da sovrapporre:



Notiamo che il primo operazionale è un amplificatore invertente con ingresso nullo, oppure anche un amplificatore non invertente con ingresso nullo. Pertanto la sua uscita è nulla a sua volta.
La rete diventa:



Quindi essa è formata da un amplificatore non invertente con un partitore posto al suo ingresso.
Pertanto l'uscita varrà:

V_o^{\prime \prime \prime}=\frac{R_8}{R_7+R_8}\left( 1+\frac{R_9}{R_6} \right)V_2

In conclusione la tensione di uscita Vo sarà la somma delle tre tensioni parziali ottenute.
Generatore codice per articoli:
nomi
Sul forum:
[pigreco]=π
[ohm]=Ω
[quadrato]=²
[cubo]=³
Avatar utente
Foto UtentePietroBaima
90,7k 7 12 13
G.Master EY
G.Master EY
 
Messaggi: 12206
Iscritto il: 12 ago 2012, 1:20
Località: Londra

0
voti

[156] Re: Thread sugli operazionali

Messaggioda Foto Utenteelegos » 8 feb 2013, 17:28

Mi sembra un metodo alquanto più veloce ed intelligente di fare le cose :P

Ora provo l'esercizio successivo :)
Avatar utente
Foto Utenteelegos
335 3 6
Frequentatore
Frequentatore
 
Messaggi: 183
Iscritto il: 29 gen 2013, 19:43
Località: Milano

1
voti

[157] Re: Thread sugli operazionali

Messaggioda Foto UtentePietroBaima » 8 feb 2013, 17:33

Poi abbiamo da fare anche quello proposto da Foto UtenteDirtyDeeds!
Generatore codice per articoli:
nomi
Sul forum:
[pigreco]=π
[ohm]=Ω
[quadrato]=²
[cubo]=³
Avatar utente
Foto UtentePietroBaima
90,7k 7 12 13
G.Master EY
G.Master EY
 
Messaggi: 12206
Iscritto il: 12 ago 2012, 1:20
Località: Londra

0
voti

[158] Re: Thread sugli operazionali

Messaggioda Foto Utenteelegos » 8 feb 2013, 17:51



Poniamo Ron << R1, Roff >> R1.

Nel caso in cui l'interruttore sia spento, in un caso ideale, in V+ si avrebbe Vi. Nel caso particolare invece la formula è:

V_- = \frac{R_{off}}{R_1+R_{off}}V_i

Avendo posto Roff di molto superiore ad R1, ci rendiamo conto che R1 diventa un infinitesimo rispetto a Roff, quindi si può, tendenzialmente, eliminare, con il risultato di un rapporto pari a 1. Se vogliamo essere pignoli la tensione in ingresso a V- è leggermente (di una piccolezza inversamente proporzionale al delta tra Roff e R1) inferiore a Vi.

Nel caso in cui l'interruttore sia aperto, in un caso ideale, in V+ si avrebbe una tensione pari a 0. Nel caso specifico invece la formula è:

V_- = \frac{R_{on}}{R_1+R_{on}}V_i

Avendo posto Ron di molto più piccolo rispetto ad R1, abbiamo un rapporto che tende a 0. Per essere precisi, sul morsetto + abbiamo una tensione che rasenta lo 0, ma che non è esattamente 0.

Quindi la lezione sarebbe... attenzione a calibrare bene le resistenze attorno a tutti i componenti che diamo per scontato non abbiano al loro interno un qualsiasi meccanismo di resistenza, perché potremmo finire con il creare un circuito sbilanciato, e quindi non funzionante?
Avatar utente
Foto Utenteelegos
335 3 6
Frequentatore
Frequentatore
 
Messaggi: 183
Iscritto il: 29 gen 2013, 19:43
Località: Milano

2
voti

[159] Re: Thread sugli operazionali

Messaggioda Foto UtentePietroBaima » 8 feb 2013, 18:00

Sì, ma ti era stato chiesto il guadagno.

Il guadagno è definito come il rapporto tra la tensione di uscita (dell'operazionale) e quella di ingresso.

Il calcolo va fatto nei due casi. Comunque aspettiamo che sia Foto UtenteDirtyDeeds a risponderti, magari vuol farti notare qualcosa di utile.

Adesso sono io che devo andare.
Se ci sei stasera continuiamo. Nel frattempo potresti finire l'esempio con Ron e Roff e poi continuare con il prossimo esercizio.

A dopo
O_/
Pietro.
Generatore codice per articoli:
nomi
Sul forum:
[pigreco]=π
[ohm]=Ω
[quadrato]=²
[cubo]=³
Avatar utente
Foto UtentePietroBaima
90,7k 7 12 13
G.Master EY
G.Master EY
 
Messaggi: 12206
Iscritto il: 12 ago 2012, 1:20
Località: Londra

0
voti

[160] Re: Thread sugli operazionali

Messaggioda Foto Utenteelegos » 8 feb 2013, 18:03

Beh, teoricamente il guadagno (seppur tanto piccolo quanto vogliamo) è, relativamente a Vi, sempre negativo ad interruttore spento e sempre positivo ad interruttore acceso, praticamente si perde sempre un po' di tensione.
Avatar utente
Foto Utenteelegos
335 3 6
Frequentatore
Frequentatore
 
Messaggi: 183
Iscritto il: 29 gen 2013, 19:43
Località: Milano

PrecedenteProssimo

Torna a Elettronica generale

Chi c’è in linea

Visitano il forum: Nessuno e 41 ospiti