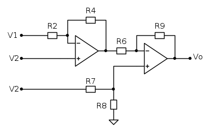
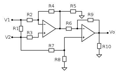
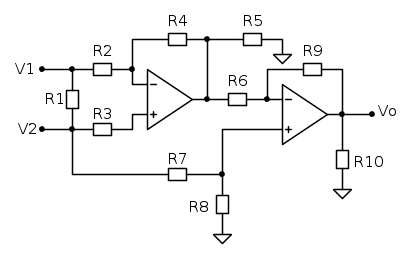
Allora, il circuito da risolvere è questo:
Come prima cosa notiamo che ci sono delle resistenze che non entreranno a far parte della formula risolutiva, quindi possono essere non considerate. Evidenziamole:
Queste resistenze sono eliminabili perché:
- R1 è posta tra gli ingressi V1 e V2, e tra quei due punti c'è una tensione che è fissata dagli ingressi, quindi che ci sia o no per l'operazionale non cambia;
- R3 è in serie ad un ingresso di un operazionale per il quale usiamo il modello ideale, per cui non circola corrente e la tensione sulla resistenza è nulla;
- R5 ed R10 sono poste all'uscita di un operazionale, e tra quel punto e 0V la tensione è fissata dall'operazionale.
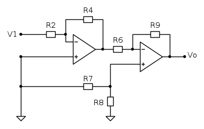
A questo punto disegniamo la rete senza il superfluo:
Si nota che abbiamo
tre tensioni in ingresso, per le quali applichiamo la sovrapposizione degli effetti, essendo la rete lineare:
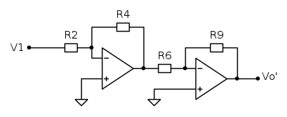
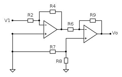
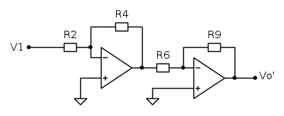
Primo pezzo:
La rete diventa così:
che equivale a:
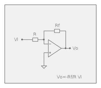
Senza ricavare tutto da capo, possiamo osservare che l'uscita

è formata dalla cascata di due amplificatori invertenti, dei quali ricordiamo la formula risolutiva:
Pertanto l'uscita varrà:

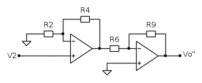
Passiamo ora alla seconda tensione da sovrapporre:
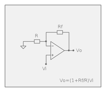
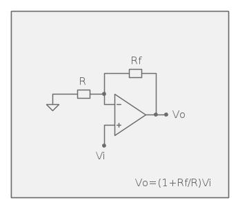
Si vede che il circuito è formato dalla cascata di un amplificatore non invertente e da un amplificatore invertente.
Ricordiamo la formula dell'amplificatore non invertente, già ricavata:
Pertanto l'uscita varrà:

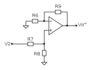
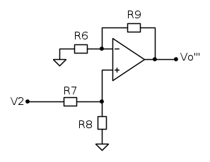
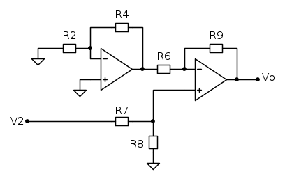
Passiamo ora alla terza tensione da sovrapporre:
Notiamo che il primo operazionale è un amplificatore invertente con ingresso nullo, oppure anche un amplificatore non invertente con ingresso nullo. Pertanto la sua uscita è nulla a sua volta.
La rete diventa:
Quindi essa è formata da un amplificatore non invertente con un partitore posto al suo ingresso.
Pertanto l'uscita varrà:

In conclusione la tensione di uscita Vo sarà la somma delle tre tensioni parziali ottenute.