Più chiaro di così!
Come 555 cosa devo usare? Mi è sembrato di averne avvistato con diverse caratteristiche
PWM led
Moderatori:
carloc,
g.schgor,
BrunoValente,
IsidoroKZ
0
voti
[22] Re: PWM led
Dimenticavo
Per quanto riguarda lo schema del Duty cycle da 0 a 100% , posso usare una tensione di alimentazione pari a 12V?
Se si o no (in entrambi i casi), posso sapere i dati del potenziometro, dei condensatori(uno lo so già).
QUINDI ORA POSSO DAR VITA AL MIO DIMMER REGOLATORE DI LUMINOSITA' POWER LED?
(se così si può chiamare)
Per quanto riguarda lo schema del Duty cycle da 0 a 100% , posso usare una tensione di alimentazione pari a 12V?
Se si o no (in entrambi i casi), posso sapere i dati del potenziometro, dei condensatori(uno lo so già).
QUINDI ORA POSSO DAR VITA AL MIO DIMMER REGOLATORE DI LUMINOSITA' POWER LED?
(se così si può chiamare)
0
voti
[23] Re: PWM led
Sì, 12Vcc va bene.
La frequenza di uscita dovrebbe essere >100Hz.
Se mi dici il valore del tuo condensatore, posso
simulare il circuito.
Si, facendo attenzione di partire con l'uscita al minimo
(prova col tester prima di attaccare il LED)
Cirio ha scritto:posso sapere i dati del potenziometro, dei condensatori(uno lo so già).
La frequenza di uscita dovrebbe essere >100Hz.
Se mi dici il valore del tuo condensatore, posso
simulare il circuito.
Cirio ha scritto:ORA POSSO DAR VITA AL MIO DIMMER
Si, facendo attenzione di partire con l'uscita al minimo
(prova col tester prima di attaccare il LED)
0
voti
[24] Re: PWM led
Anzi sbaglio
un valore del mio condensatore non c' è. Ho preso per buono il valore letto nel suo circuito Duty cicle....
In poche parole ho lo schema, ma non i dati per poterlo realizzare.
Ho pensato di usare il tester prima, altrimenti rischio di fulminarlo.
In poche parole ho lo schema, ma non i dati per poterlo realizzare.
Ho pensato di usare il tester prima, altrimenti rischio di fulminarlo.
0
voti
[26] Re: PWM led
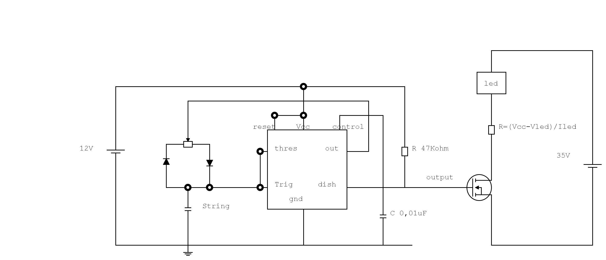
Ho notato 2 condensatori, sono entrambi da 1uF?
Il potenziometro di che potenza? Va bene da 1/2W?
Come resistenza prima del led, vale sempre la formula R=(Vcc-Vled)/I led?
Una resistenza da 100W va bene? o da 120W?
Il potenziometro di che potenza? Va bene da 1/2W?
Come resistenza prima del led, vale sempre la formula R=(Vcc-Vled)/I led?
Una resistenza da 100W va bene? o da 120W?
0
voti
[27] Re: PWM led
Cirio ha scritto:2 condensatori, sono entrambi da 1uF?
No, quello di Control (pin 5) è di solito ceramico da 10nF.
Cirio ha scritto:a bene da 1/2W?
Sì
Cirio ha scritto:R=(Vcc-Vled)/I led
Con il PWM non è necessaria la resistenza
(potrebbe essere solo di "sicurezza")
Cirio ha scritto:Una resistenza da 100W va bene?
Si, ma dovrebbe essere > 10 Ohm (per
una corrente di 3.5Amax)
0
voti
[28] Re: PWM led
g.schgor ha scritto:Con il PWM non è necessaria la resistenza
(potrebbe essere solo di "sicurezza")
Mi sono perso in questo lungo thread, e non ricordo che alimentatore voglia usare, se limitato in corrente oppure no. A meno che l'alimentatore non sia gia` di suo limitato in corrente al valore richiesto, la resistenza ce la metterei comunque, calcolata in modo tale che con duty cycle=1 la corrente sia quella massima del led.
Il PWM solito parzializza la tensione, la corrente e` sempre determinata dal carico. Visto che i led sono critici da questo punto di vista, bisogna fare un PWM che parzializzi la corrente, e serve almeno una resistenza.
Per usare proficuamente un simulatore, bisogna sapere molta più elettronica di lui
Plug it in - it works better!
Il 555 sta all'elettronica come Arduino all'informatica! (entrambi loro malgrado)
Se volete risposte rispondete a tutte le mie domande
Plug it in - it works better!
Il 555 sta all'elettronica come Arduino all'informatica! (entrambi loro malgrado)
Se volete risposte rispondete a tutte le mie domande
Chi c’è in linea
Visitano il forum: Nessuno e 90 ospiti

Elettrotecnica e non solo (admin)
Un gatto tra gli elettroni (IsidoroKZ)
Esperienza e simulazioni (g.schgor)
Moleskine di un idraulico (RenzoDF)
Il Blog di ElectroYou (webmaster)
Idee microcontrollate (TardoFreak)
PICcoli grandi PICMicro (Paolino)
Il blog elettrico di carloc (carloc)
DirtEYblooog (dirtydeeds)
Di tutto... un po' (jordan20)
AK47 (lillo)
Esperienze elettroniche (marco438)
Telecomunicazioni musicali (clavicordo)
Automazione ed Elettronica (gustavo)
Direttive per la sicurezza (ErnestoCappelletti)
EYnfo dall'Alaska (mir)
Apriamo il quadro! (attilio)
H7-25 (asdf)
Passione Elettrica (massimob)
Elettroni a spasso (guidob)
Bloguerra (guerra)



