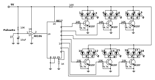
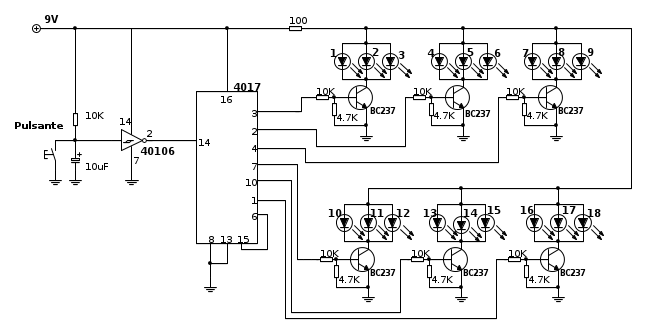
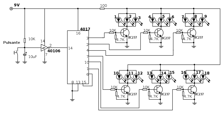
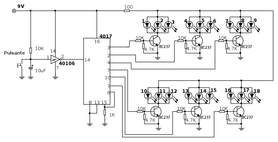
giorjevic ha scritto:Proponevo l'utilizzo del 40106 perché si era parlato di interruttore quindi mi sembra la soluzione più semplice e conveniente.
L'utente all'inizio mi aveva parlato di un pulsante, per questo gli ho proposto subito la soluzione NOT Schmitt Triggers. Altrimenti gli avrei dato la seconda soluzione Set-Reset con mezzo 4011. La soluzione di IsidoroKZ invece non la conoscevo e me la appunto per il futuro


Elettrotecnica e non solo (admin)
Un gatto tra gli elettroni (IsidoroKZ)
Esperienza e simulazioni (g.schgor)
Moleskine di un idraulico (RenzoDF)
Il Blog di ElectroYou (webmaster)
Idee microcontrollate (TardoFreak)
PICcoli grandi PICMicro (Paolino)
Il blog elettrico di carloc (carloc)
DirtEYblooog (dirtydeeds)
Di tutto... un po' (jordan20)
AK47 (lillo)
Esperienze elettroniche (marco438)
Telecomunicazioni musicali (clavicordo)
Automazione ed Elettronica (gustavo)
Direttive per la sicurezza (ErnestoCappelletti)
EYnfo dall'Alaska (mir)
Apriamo il quadro! (attilio)
H7-25 (asdf)
Passione Elettrica (massimob)
Elettroni a spasso (guidob)
Bloguerra (guerra)
per i led, ma è uguale per quelli da 3V?
,considerando 



