Cos'è ElectroYou | Login Iscriviti

ElectroYou - la comunità dei professionisti del mondo elettrico

elettrodo di riferimentooo

Elettronica lineare e digitale: didattica ed applicazioni

Moderatori: Foto Utentecarloc, Foto Utenteg.schgor, Foto UtenteBrunoValente, Foto UtenteIsidoroKZ

2
voti

[21] Re: elettrodo di riferimentooo

Messaggioda Foto UtenteDarwinNE » 14 giu 2011, 22:17

giulia87 ha scritto:dovrei fare un circuito che amplifica e filtra i segnali al posto del sistema commerciale ingombrantissimo che abbiamo...di questo ovviamente non dicono in che configurazione sono gli opamp,i filtri,dove va l'elettrodo di riferimento,se usano amplificatori differenziali,etc...dicono solo che l'elettrodo di riferimento grosso lo collegano alll'housing ground dei pre-amplificatori. e da qui sono sorti tutti i miei dubbi sulla funzione del riferimento, etc.


Si tratta di un sistema che non è semplicissimo realizzare, perché i segnali sono piccoli. Se ho letto bene, si tratta di misurare segnali di frazioni di millivolt senza essere troppo disturbati dal rumore che può venire da fuori e da dentro al circuito.

giulia87 ha scritto:intendevo di usare un operazionale in configurazione differenziale per ognuno degli elettrodi, non certo di usare un solo opamp in tutto! e fare tanti circuiti uguali so che nel differenziale ci sono problemi per il CMRR, e quindi cerchero componenti molto stabili...non penso di usare INA, perché non ne ho trovati QUAD (avendo 60 elettrodi vorrei comprare 15 amplificatori in tutto per ridurre ingombro,etc) e per il costo.


Come del resto hai detto tu all'inizio, non sembra che in questo caso la misura sia una vera misura differenziale, quindi mi chiedo se non basterebbe un amplificatore non invertente. Da parte mia, credo invece che sia molto utile mantenere molto alta l'impedenza di ingresso all'elettrodo di misura.
Personalmente, proverei a fare una misura su un paio di canali.


Puoi provare a realizzare il circuito qui sopra con un TL082 che contiene al suo interno due operazionali. Conviene cominciare subito a lavorare con due canali perché così potrai vedere se ci sono problemi di diafonia eccetera. E' molto probabile che ci saranno altre cose da aggiungere, per esempio questo circuito non è protetto da intrusioni RF che possano essere captati dai fili delle sonde (naturalmente, saranno schermati, ma filtrare bisogna sempre). Non hai mai dato un'ordine di idea della banda passante (che non dev'essere elevatissima, da come deduco dai cronogrammi che ho visto nell'articolo e neppure del guadagno su cui aggiustare R1 e R2.
Potrebbe essere una buona idea filtrare il segnale, per esempio mettendo dei condensatori di valore opportuno in parallelo alle resistenze che ho chiamate R1
Procurati un buon alimentatore stabilizzato duale per alimentare gli operazionali, un buon oscilloscopio e qualcuno che lo sappia usare e che ti spieghi come fare e parti da qui. Oltre a leggerti gli articoli citati che ti ho detto prima, procurati un po' di libri di strumentazione biomedica e vedi come problemi simili sono già stati risolti in passato.

giulia87 ha scritto:cioè ho progettato il circuito che fa da amplificatore-filtro da replicare per ogni canale in configurazione differenziale, pensando di mandare a ogni canale il differenziale tra elettrodo e riferimento, come ci siam sempre detti finora. Poi però leggendo sul datasheet dello strumento che uso ora che il riferimento lo mettono al ground, ho pensato che il circuito potevo anche non farlo differenziale ma appunto non invertente, risparmiando su un po' di componenti...


Guarda, un elettronico non ragiona, anzi, non vive senza uno schema elettrico sotto gli occhi. Tirati giù il mio FidoCadJ e disegna cosa hai in mente, magari ispirandoti da quello che ti ho suggerito io, che appunto è un amplificatore non invertente. Disegna chiaramente le alimentazioni, fornisci i valori dei componenti e specifica sempre tutto il necessario. Per esempio adesso mi parli di un filtro (immagino passa basso), a che frequenza dovrebbe cominciare ad intervenire?
Follow me on Mastodon: @davbucci@mastodon.sdf.org
Avatar utente
Foto UtenteDarwinNE
31,0k 7 11 13
G.Master EY
G.Master EY
 
Messaggi: 4420
Iscritto il: 18 apr 2010, 9:32
Località: Grenoble - France

1
voti

[22] Re: elettrodo di riferimentooo

Messaggioda Foto Utentegiulia87 » 14 giu 2011, 23:13

DarwinNE ha scritto:Da parte mia, credo invece che sia molto utile mantenere molto alta l'impedenza di ingresso all'elettrodo di misura.


subito dopo gli elettrodi in realtà non c'è l'amplificatore ma ci sono dei buffer, infatti, uno per ogni elettrodo, compreso il riferimento..questo anche perché poi la parte di amplificazione non è nelle immediatissime vicinanze degli elettrodi (comunque non è lontana!)

DarwinNE ha scritto:Conviene cominciare subito a lavorare con due canali perché così potrai vedere se ci sono problemi di diafonia eccetera. E' molto probabile che ci saranno altre cose da aggiungere, per esempio questo circuito non è protetto da intrusioni RF che possano essere captati dai fili delle sonde (naturalmente, saranno schermati, ma filtrare bisogna sempre). Non hai mai dato un'ordine di idea della banda passante (che non dev'essere elevatissima, da come deduco dai cronogrammi che ho visto nell'articolo e neppure del guadagno su cui aggiustare R1 e R2.
Potrebbe essere una buona idea filtrare il segnale, per esempio mettendo dei condensatori di valore opportuno in parallelo alle resistenze che ho chiamate R1



lo schema elettrico che mi hai disegnato è quello che avevo in mente e che ho già realizzato includendo filtri. La banda passante è 300 Hz- 3 kHz, il G in banda è 1000. Per fare filtro con certa selettività ho pensato di mettere in cascata due opamp per canale (configurazione Multiple Feedback), e distribuire il guadagno tra i due stadi in modo opportuno..la 50 Hz non passa per come ho scelto la banda.
Si, ho già pensato a progettare prima una schedina per due o quattro canali e testarla..

DarwinNE ha scritto:Procurati un buon alimentatore stabilizzato duale per alimentare gli operazionali, un buon oscilloscopio e qualcuno che lo sappia usare e che ti spieghi come fare e parti da qui.


Per l'alimentazione devo ancora vedere se usare una batteria o farla venire dal sistema di acquisizione commerciale in cascata al front-end..

Mi fa piacer tutto questo entusiasmo! se hai anche altri consigli che ti vengono in mente sono ben accetti, magari in privato! :D
Avatar utente
Foto Utentegiulia87
125 1 2 7
Stabilizzato
Stabilizzato
 
Messaggi: 393
Iscritto il: 14 apr 2011, 21:47

1
voti

[23] Re: elettrodo di riferimentooo

Messaggioda Foto Utentebelva87 » 14 giu 2011, 23:48

Non so, la butteri così io per iniziare a fare qualcosa...



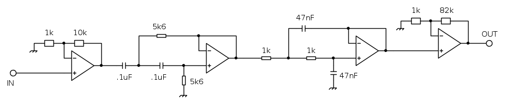
I filtri sono tipo SallenKey a componenti uguali... ovviamente questo modo va bene solo se puoi permetterti di gestire i segnale proveniente dagli elettrodi in modo comune, cioè non differenziale... in quel caso avrai ogni elettrodo collegato al'ingresso di quel circuito (che ha una impedenza d'ingresso alta) e l'elettrodo di riferimento sarà collegato alla massa del circuito...
Non so potrebbe non andare, non ho la minima idea di problematiche bioelettroniche :roll: però il filtro non è distante da quello che ti serve e nemmeno il guadagno complessivo (900 circa) ... potresti renderlo tarabile a 1000 e dintorni impiegando anche un trimmer nell'ultimo stadio amplificatore.
Spero di non essere stato inutile per voi, per me lo sono già stato dato che non ho modo di leggere quegli articoli :roll: ho la testa troppo presa dall'esame imminente... sorry O_/
Avatar utente
Foto Utentebelva87
2.292 2 6 12
free expert
 
Messaggi: 1323
Iscritto il: 9 mag 2011, 15:01

0
voti

[24] Re: elettrodo di riferimentooo

Messaggioda Foto Utentegiulia87 » 15 giu 2011, 8:09

grazie mille!
nessuno è inutile, fidati! :D
per me ogni intervento è prezioso!

ma non si possono usare solo i due Opamp centrali e fare in modo che oltre a filtrare già loro rendano il guadagno totale di 1000?


in bocca al lupo per l'esame!
Avatar utente
Foto Utentegiulia87
125 1 2 7
Stabilizzato
Stabilizzato
 
Messaggi: 393
Iscritto il: 14 apr 2011, 21:47

0
voti

[25] Re: elettrodo di riferimentooo

Messaggioda Foto Utentebelva87 » 15 giu 2011, 9:23

Purtroppo no, non ricordo filo per segno i filtri analogici con amp.op. ma mi pare che il guadagno ottenibile sia scarso... tipo 3 al limite o forse 2 :roll: , altrimenti non sono più stabili. Io quella configurazione l'ho sempre usata a guadagno unitario e mi sono sempre trovato bene...
ora però mi sorge il dubbio, forse anche alimentato dal fatto che non ricordo tutto il topic, ma dopo che guadagni 1000 ... e ottieni un segnale nell'intorno dei volt (spero :roll: ), cosa ci devi fare? lo converti in digitale? se si, c'è un attimo da valutare il problema dell'aliasing... con quel filtro diciamo che dovresti campionare almeno a 6ksps e spicci... approssimerei a 10 ... ma dipende anche se la grandezza è lentamente variabile o meno, in quel caso potresti anche permetterti di "barbatruccare" e sottocampionare... però dipende anche da altre cose :mrgreen:
Comunque se ti va bene quella soluzione, io non ho minimamente posto attenzione all'adattamento di impedenza tra l'elettrodo/sonda e l'ingresso del circuito perché non so se ne necessita :roll: (perdonami ma per me la biomedica/bioelettronica è quasi del tutto sconosciuta); per il resto... è relativamente poco costoso come sistema... hai 4 operazionali che sono prodotti da molte case su package unici anche,sopratutto anzi, in SMD (prova a vedere per esempio questo) e i valori dei condensatori e resistenze sono standard e ho tentato di unificarli il più possibile. Prima ho parlato di SMD perché credo sia la scelta migliore, almeno per la versione definitiva della scheda, in termini di spazio e di tolleranze dei componenti, però dipende anche da quello che ti permettono di fare..mi spiego, se non hai specifiche di progetto imposte in merito o cose del tipo. O_/

EDIT: l'operazionale che ti ho indicato è costosetto ma ha caratteristiche importanti, è la prima cosa che mi è passata per la testa e che ho usato in passato, con una attenta valutazione del tuo problema magari riesci a trovare qualcosa di meno costoso che faccia al caso tuo...
EDIT2: con le resistenze e condensatori che ti ho indicato le frequenze di taglio non sono esattamente quelle richieste da te (300Hz e 3kHz) potresti però affinarle usando resistenze di valore differente che in SMD si trovano
EDIT3: se devi campionare e hai sufficiente gradodi libertà, prova a vedere questo
Avatar utente
Foto Utentebelva87
2.292 2 6 12
free expert
 
Messaggi: 1323
Iscritto il: 9 mag 2011, 15:01

2
voti

[26] Re: elettrodo di riferimentooo

Messaggioda Foto UtenteDarwinNE » 15 giu 2011, 14:16

giulia87 ha scritto:ma non si possono usare solo i due Opamp centrali e fare in modo che oltre a filtrare già loro rendano il guadagno totale di 1000?


Non è una idea molto buona, sono d'accordo con Belva87. Non hai fornito nessun dato sul circuito equivalente del sistema di misura, ma ad occhio io eviterei di avere un'impedenza di ingresso troppo bassa ed è il motivo per cui ero partito con un amplificatore non invertente.
Il circuito di Belva87 è interessante e delimita la banda passante con due filtri separati del secondo ordine di tipo Sallen Key.
Personalmente, utilizzerei un passa banda di tipo più semplice, anche a costo di avere un sistema meno selettivo, anche perché non so che richieste tu abbia su parametri come risposta all'impulso e robe simili. Potrebbe darsi che basti largamente un circuito più semplice, corredato magari da un notch a doppio T per eliminare i 50 Hz della frequenza di rete.


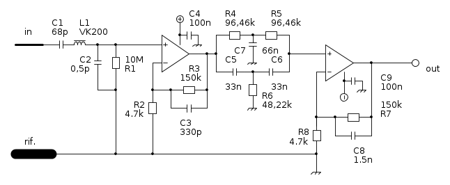
Nel circuito qui sopra ho ripartito l'amplificazione fra due operazionali, che lavoreranno meglio se non sono tirati per il collo. Il gruppo R1 C1 funziona da passa alto del primo ordine ed interviene dalle parti di 240 Hz, quindi appena un po' sotto ai 300 Hz richiesti. Anche andando su filtri del secondo ordine, l'attenuazione non sarà molto elevata a 50 Hz, ma per quello ci pensa il filtro notch a doppio T che è presente subito dopo il primo stadio di amplificazione. Il Q di questo filtro non è molto alto, quindi non dovrebbe essere troppo critico riuscire ad attenuare di almeno 30 dB le eventuali perturbazioni a 50 Hz.
La limitazione di banda verso l'alto è fatta da C3 e R3 che introducono un polo dalle parti di 3200 Hz e da R7 e C8 che dovrebbero intervenire un po' più in alto, verso i 15 kHz. Ho aggiunto una protezione per evitare schifezze di RF che entrino nel circuito (L1 e C2).

Il circuito adesso sarebbe da simulare. Puoi provare a divertirti con LTspice, sempre tenendo a mente che per utilizzare un simulatore bisogna conoscere l'elettronica meglio di lui.
Quello che è simpatico da osservare è se io ho fatto bene i conti (non sono andato al di là di un'analisi sarabocchiata sul retro di una busta), se gli elementi reattivi che ho trattato separatamente non interagiscono effettivamente troppo fra di loro, se l'uso di componenti standard per esempio con tolleranza di 1% non distrugge le caratteristiche del filtro notch.
Se i modelli di simulazione lo consentono, si può anche vedere il comportamento rispetto al rumore di diversi operazionali.

Se puoi, alimenta con due batterie per ottenere un'alimentazione duale.
Follow me on Mastodon: @davbucci@mastodon.sdf.org
Avatar utente
Foto UtenteDarwinNE
31,0k 7 11 13
G.Master EY
G.Master EY
 
Messaggi: 4420
Iscritto il: 18 apr 2010, 9:32
Località: Grenoble - France

0
voti

[27] Re: elettrodo di riferimentooo

Messaggioda Foto Utentebelva87 » 15 giu 2011, 16:18

Ho provato a ricreare il circuito da me proposto nello spice della LT... ma come faccio ora a valutarne le caratteristiche in frequenza? Allego il file
Grazie in anticipo a chi mi saprà rispondere, questo simulatore non lo conosco e sembra interessante, ma non capisco come si imposta la simulazione in frequenza...
Allegati
Draft1.rar
(1 KiB) Scaricato 85 volte
Avatar utente
Foto Utentebelva87
2.292 2 6 12
free expert
 
Messaggi: 1323
Iscritto il: 9 mag 2011, 15:01

0
voti

[28] Re: elettrodo di riferimentooo

Messaggioda Foto UtenteDarwinNE » 15 giu 2011, 16:27

belva87 ha scritto:Grazie in anticipo a chi mi saprà rispondere, questo simulatore non lo conosco e sembra interessante, ma non capisco come si imposta la simulazione in frequenza...


Utilizzo MacOSX ed ho la macchina virtuale Win su cui utilizzo programmi del genere che non mi funziona da qualche tempo.
Dovrei decidermi a reinstallarla. Non mi ricordo i dettagli relativi a LTspice, ma ho utilizzato diverse versioni di simulatori simil-spice e c'è prima di tutto da rappresentare le alimentazioni con dei generatori DC. Naturalmente, avrai bisogno di un nodo di riferimento che di solito è chiamato GND oppure 0 nella numerazione rispetto al quale tutte le tensioni saranno misurate.
L'analisi in frequenza la si fa simulando il generatore di segnale con un generatore AC di ampiezza fissa ed osservando per esempio la tensione di uscita in una simulazione, appunto AC. Spice linearizza il circuito attorno al punto di lavoro che è la prima cosa che calcola e poi può ottenere la funzione di trasferimento del circuito spazzando la banda di frequenze desiderata. Di solito c'è da specificare la frequenza di inizio, di fine, il numero di punti per ottava (se la banda è da spazzare con incremento logaritmico), oppure totali (se la banda è da spazzare con incremento lineare).
Non si tratta ovviamente di un'analisi adatta a studiare rumore e nonlinearità, ma nel tuo circuito può esser utile per controllare se hai fatto bene i conti, se per caso non stai usando impedenze un po' troppo basse per quegli operazionali e se i due filtri hanno il tempo di intervenire come si deve senza introdurre troppe attenuazioni in banda passante. Questo ovviamente oltre a poter ottenere la sensibilità ai vari parametri eccetera...
Follow me on Mastodon: @davbucci@mastodon.sdf.org
Avatar utente
Foto UtenteDarwinNE
31,0k 7 11 13
G.Master EY
G.Master EY
 
Messaggi: 4420
Iscritto il: 18 apr 2010, 9:32
Località: Grenoble - France

0
voti

[29] Re: elettrodo di riferimentooo

Messaggioda Foto Utentebelva87 » 15 giu 2011, 16:33

Io invece sto su una scandolosa macchina Win... :roll:
Ho fatto tutto quello che dici, alimentato bene gli amp.op. messo il carico alla fine del circuito :cool: trovato l'impostazione AC del generatore in ingresso... l'analisi del tempo va bene... il circuito amplifica come previsto.
Ora mi interessava sapere ad esempio se le frequenze di taglio sono giuste cose del tipo.... ma credo che manca ancora qualche parametro all'AC... mi chiedo, si può vedere anche un grafico tipo diagramma di bode complessivo?
Avatar utente
Foto Utentebelva87
2.292 2 6 12
free expert
 
Messaggi: 1323
Iscritto il: 9 mag 2011, 15:01

0
voti

[30] Re: elettrodo di riferimentooo

Messaggioda Foto UtenteDarwinNE » 15 giu 2011, 18:14

belva87 ha scritto:Io invece sto su una scandolosa macchina Win... :roll:
Ho fatto tutto quello che dici, alimentato bene gli amp.op. messo il carico alla fine del circuito :cool: trovato l'impostazione AC del generatore in ingresso... l'analisi del tempo va bene... il circuito amplifica come previsto.


Si chiama analisi in transitorio ed è utile per esempio per vedere la distorsione armonica ed altre cosette divertenti. Prova per esempio a specificare 1V come ampiezza del segnale di ingresso e se tutto va bene, con un guadagno di circa 1000 dovresti trovarti un segnale molto saturato all'uscita.
Naturalmente, l'accordo con i risultati reali dipenderà anche dalla qualità dei modelli di amplificatore operazionale che utilizzi nelle simulazioni. Per esempio, molti modelli sono capaci di tenere conto di fenomeni di saturazione, ma non il "phase reversal" che si osserva, effettivamente, in laboratorio quando la saturazione degli stadi di ingresso è molto spinta.

belva87 ha scritto:Ora mi interessava sapere ad esempio se le frequenze di taglio sono giuste cose del tipo.... ma credo che manca ancora qualche parametro all'AC... mi chiedo, si può vedere anche un grafico tipo diagramma di bode complessivo?


Quella si chiama simulazione AC (AC analysis) e la si fa proprio per quello!
Con una breve ricerca ho trovato questo documento che presenta qualche esempio:

http://kom.aau.dk/~hmi/Teaching/LTspice ... _guide.pdf

Fai le simulazioni e mostra qui i risultati. Dopodiché perché non simuli anche il mio di circuito? :ok:
Follow me on Mastodon: @davbucci@mastodon.sdf.org
Avatar utente
Foto UtenteDarwinNE
31,0k 7 11 13
G.Master EY
G.Master EY
 
Messaggi: 4420
Iscritto il: 18 apr 2010, 9:32
Località: Grenoble - France

PrecedenteProssimo

Torna a Elettronica generale

Chi c’è in linea

Visitano il forum: Google [Bot], Google Adsense [Bot] e 84 ospiti