Radiocomando
Moderatori:
carloc,
g.schgor,
BrunoValente,
IsidoroKZ
0
voti
[21] Re: Radiocomando
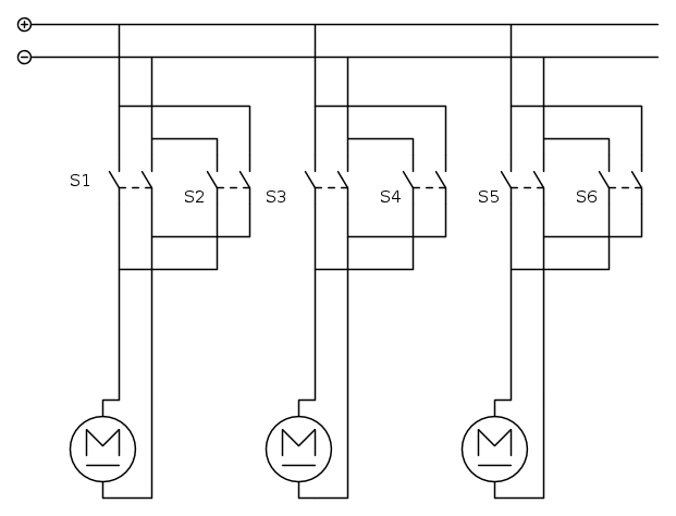
bisogna effettuare l'inversione di marcia di 3 motori con 6 pulsanti . Basta poi il resto e solo trasmettitore e ricevente . Comunque è necessario comprare prima i led IR e poi dirmi il valore delle resistenza , perché non posso fare avanti-indietro dal negozio a casa mia 
-

milan1996pato2
851 3 10 13 - Sostenitore

- Messaggi: 1062
- Iscritto il: 4 ago 2011, 17:42
0
voti
[26] Re: Radiocomando
in pratica i pulsanti dovrebbero comandare i motori a distanza io l'ho rappresentato così perché non sapevo come fare
-

milan1996pato2
851 3 10 13 - Sostenitore

- Messaggi: 1062
- Iscritto il: 4 ago 2011, 17:42
0
voti
[28] Re: Radiocomando
però io ne vorrei fare solo uno con 6 pulsanti e tre motori non si può fare ?
-

milan1996pato2
851 3 10 13 - Sostenitore

- Messaggi: 1062
- Iscritto il: 4 ago 2011, 17:42
0
voti
[30] Re: Radiocomando
Ma sono obbligatori i tre relè ? Poi , il telecomando della TV ha un solo LED IR però fa molte funzioni . La mia domanda è si può usare un solo led IR con sei pulsanti che comandano i rispettivi motorini ? Grazie mille per la pazienza
-

milan1996pato2
851 3 10 13 - Sostenitore

- Messaggi: 1062
- Iscritto il: 4 ago 2011, 17:42
Chi c’è in linea
Visitano il forum: Nessuno e 145 ospiti

Elettrotecnica e non solo (admin)
Un gatto tra gli elettroni (IsidoroKZ)
Esperienza e simulazioni (g.schgor)
Moleskine di un idraulico (RenzoDF)
Il Blog di ElectroYou (webmaster)
Idee microcontrollate (TardoFreak)
PICcoli grandi PICMicro (Paolino)
Il blog elettrico di carloc (carloc)
DirtEYblooog (dirtydeeds)
Di tutto... un po' (jordan20)
AK47 (lillo)
Esperienze elettroniche (marco438)
Telecomunicazioni musicali (clavicordo)
Automazione ed Elettronica (gustavo)
Direttive per la sicurezza (ErnestoCappelletti)
EYnfo dall'Alaska (mir)
Apriamo il quadro! (attilio)
H7-25 (asdf)
Passione Elettrica (massimob)
Elettroni a spasso (guidob)
Bloguerra (guerra)

