Cos'è ElectroYou | Login Iscriviti

ElectroYou - la comunità dei professionisti del mondo elettrico

Sensing di corrente con media

Elettronica lineare e digitale: didattica ed applicazioni

Moderatori: Foto Utentecarloc, Foto Utenteg.schgor, Foto UtenteBrunoValente, Foto UtenteIsidoroKZ

1
voti

[21] Re: Sensing di corrente con media

Messaggioda Foto UtenteSte75 » 15 mar 2012, 18:00

ALT!
Forse ho capito qualcosa in più... :roll:

Quando io dovessi variare da un duty, ad esempio del 50%, ad un duty del 55%, la corrente NON CAMBIA ISTANTANEAMENTE AL NUOVO VALORE ma ci "mette un po' ". Un po come appena accendo un buck, prima che vada in regime stazionario, deve passare un transitorio...

E' forse qui che entrano in gioco poli, zeri, risposte in frequenza, banda ecc...

Comuqnue sono ancora in alto mare :(

Ciao
"perché un uomo è grande, GRANDE davvero, quando ritorna bambino di nuovo". Zecchino d'oro '87
Avatar utente
Foto UtenteSte75
2.575 1 7 13
Master
Master
 
Messaggi: 214
Iscritto il: 7 dic 2007, 12:31
Località: Monza e Brianza

3
voti

[22] Re: Sensing di corrente con media

Messaggioda Foto UtenteIsidoroKZ » 16 mar 2012, 6:02

Ste75 ha scritto: (prima ero collaudo e prove EMC).


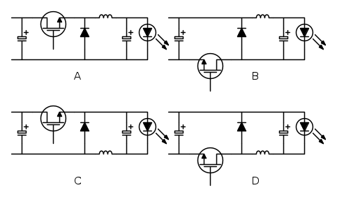
Allora sai bene che cosa sono le emissioni di modo comune, sia condotte che radiate e dovresti vedere al volo che le soluzioni A e D vanno bene, le B e C sono assolutamente da evitare.



Il tuo circuito e` il B, per non avere un trasmettitore radio deve essere il D.

Non ho messo il controllo nello schema perche' ho l'impressione che cosi` come lo hai disegnato non funzioni.
Per usare proficuamente un simulatore, bisogna sapere molta più elettronica di lui
Plug it in - it works better!
Il 555 sta all'elettronica come Arduino all'informatica! (entrambi loro malgrado)
Se volete risposte rispondete a tutte le mie domande
Avatar utente
Foto UtenteIsidoroKZ
121,2k 1 3 8
G.Master EY
G.Master EY
 
Messaggi: 21059
Iscritto il: 17 ott 2009, 0:00

1
voti

[23] Re: Sensing di corrente con media

Messaggioda Foto UtenteSte75 » 16 mar 2012, 12:48

Ciao.
Grazie per gli stimoli.

Si, mi piacerebbe "vedere al volo"... ma purtroppo non è cosi :(
L'unica cosa è che ci posso ragionare su un po' ora. ;-)

Mi concentro sulla B e la D che sono quelle con il MOS riferito a massa (che è il mio esempio).
Mi vine da dire che in entrambi l'induttanza è in serie al carico (led//cond elettrolitico).
Mi viene ancora da dire che la corrente che scorre nell'induttanza ha lo stesso andamento per entrambi e quindi anche il \Delta V_L nell due fasi (ton e toff) è lo stesso per blocco B e D.

A quueto punto, avendomi palrato di emissioni di modo comune, ho buttato giù le tensioni che mi aspetto nei vari nodi, riferiti a massa.

Per il caso B dovrei avere questo:




mentre per il caso D, questo:



Ora, SE posso considerare che le correnti di modo comune sono "dovute" a dV/dt rispetto a "terra" (o al riferimento negativo, massa?) (il SE l'ho messo in maiuscolo perché mi piacerebbe sapere se è vero....) allora effettivamente ho maggiori dV/dt nel primo caso.

Ho ragionato giusto?

Ciao e grazie
Stefano
"perché un uomo è grande, GRANDE davvero, quando ritorna bambino di nuovo". Zecchino d'oro '87
Avatar utente
Foto UtenteSte75
2.575 1 7 13
Master
Master
 
Messaggi: 214
Iscritto il: 7 dic 2007, 12:31
Località: Monza e Brianza

2
voti

[24] Re: Sensing di corrente con media

Messaggioda Foto UtenteIsidoroKZ » 16 mar 2012, 15:36

Si`, e` giusto. Le emissioni di modo comune sono date dalla tensione di modo comune sul carico, che ha una capacita` verso il resto dell'universo.
In questa capacita` scorre la corrente di modo comune che si richiude attraverso la LISN e non fa passare i test.

Inoltre una linea bifilare con corrente di modo comune e` una ottima antenna trasmittente per le radiate, mentre la corrente differenziale non irradia tanto, dipende dall'area della spira in cui scorre.

Il circuito B potrebbe avere un ulteriore problema: guarda com'e` la tensione del morsetto di uscita positivo rispetto alla tensione del morsetto positivo di ingresso.

Mi pare che usi la parola massa al posto di riferimento, prova a dare un'occhiata a questo articoletto
Per usare proficuamente un simulatore, bisogna sapere molta più elettronica di lui
Plug it in - it works better!
Il 555 sta all'elettronica come Arduino all'informatica! (entrambi loro malgrado)
Se volete risposte rispondete a tutte le mie domande
Avatar utente
Foto UtenteIsidoroKZ
121,2k 1 3 8
G.Master EY
G.Master EY
 
Messaggi: 21059
Iscritto il: 17 ott 2009, 0:00

1
voti

[25] Re: Sensing di corrente con media

Messaggioda Foto UtenteSte75 » 16 mar 2012, 16:08

Ancora grazie.

Parto dalla fine: articoletto.
Oltre al voto, ho appena postato commento... Farò TESORO anche di questo.

Tornando al discorso delle emissioni, mi chiedevo se queste correnti di modo comune nascono proprio per il dV/dt che agisce sul condensatore verso l'universo...
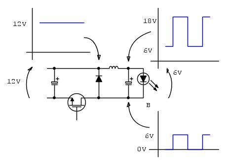
Cioè, mi spiego: il segnale del caso B che va da 6V a 18V ha un delta V di 12V (sopra un basello di 6V).
Il segnale del caso D va da 0 a 12V, stesso deltaV, ma senza modo comune (basello).
Posso dire che hanno lo stesso effetto sulla corrente di modo comune verso l'universo?
Ok, poi nel caso B ho un'altra sorgente di segnale di modo comune che è l'onda 0-6V, quindi è peggiore.

IsidoroKZ ha scritto:Il circuito B potrebbe avere un ulteriore problema: guarda com'e` la tensione del morsetto di uscita positivo rispetto alla tensione del morsetto positivo di ingresso.


Se ho capito, stai chiedendo la tensione ai capi dell'induttanza? Che è un segnale +6 / -6V ... che dovrebbe essere la stessa tensione presente ai capi dell'induttanza nel caso D...

Forse mi sfugge qualcosa?

Ciao O_/
"perché un uomo è grande, GRANDE davvero, quando ritorna bambino di nuovo". Zecchino d'oro '87
Avatar utente
Foto UtenteSte75
2.575 1 7 13
Master
Master
 
Messaggi: 214
Iscritto il: 7 dic 2007, 12:31
Località: Monza e Brianza

3
voti

[26] Re: Sensing di corrente con media

Messaggioda Foto UtenteEnChamade » 16 mar 2012, 19:43

Ciao Foto UtenteSte75,
oggi ho avuto un po' di problemi e rispondo solo ora.

Ste75 ha scritto:come vedi non sono una "cima" in elettronica ma ho tanta, tanta buona volontà per imparare e migliorare.

Nemmeno io. :ok: :ok: :ok: Per altro il mio problema è la poca esperienza sul campo, data dalla giovane età e dal fatto che, dopo gli studi, sono finito ad occuparmi di tutt'altro che l'elettronica... :roll: :roll: :roll: :roll:
Però diciamo che se posso dare un contributo, ne sono contento!

Ste75 ha scritto:Ora, dovrei mettere un condensatore in parallelo. Sinceramente non saprei come dimensionarlo. Non so... se vuoi "sparo" 100uF poi non so come questo influirà nel discorso poli e zeri...

Così su due piedi non saprei quale è il metodo migliore di dimensionare questa capacità. Sicuramente non è un buon metodo sparare un valore! :lol: :lol: :lol: :lol: :lol:
Come prima idea mi viene di linearizzare i LED in uso attorno al punto di lavoro previsto, ricavandone una resistenza equivalente e un potenziale di barriera equivalente. A questo punto, imporre un ripple di corrente che, tramite il modello lineare diventa una specifica di ripple in tensione. A questo punto, si utilizza la solita relazione del buck:
C=\frac{\Delta I_L}{8f_s \Delta U_o}
Cosa ne dici? Ovviamente si accettano altri suggerimenti. :D :D :D :D

Ste75 ha scritto:Quando io dovessi variare da un duty, ad esempio del 50%, ad un duty del 55%, la corrente NON CAMBIA ISTANTANEAMENTE AL NUOVO VALORE ma ci "mette un po' ". Un po come appena accendo un buck, prima che vada in regime stazionario, deve passare un transitorio...
E' forse qui che entrano in gioco poli, zeri, risposte in frequenza, banda ecc...

Più o meno funziona così. La teoria è un po' complicata e dopo ti riporto delle letture utili. Fortunatamente il buck ha la parte di filtraggio separata rispetto alla cella di commutazione (indicata nel riquadro) e quindi permette di ricavare le funzioni di trasferimento richieste utilizzando una procedura NON RIGOROSA ma, a mio avviso, utile mnemonicamente. Trattiamo il modello in CCM, perché, dal dimensionamento fatto abbiamo deciso di far lavorare il convertitore in questo stato.

Invece, per il boost, occorre ragionare un po' più rigorosamente per giungere alle funzioni di trasferimento richieste, ma non è il nostro caso.
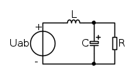
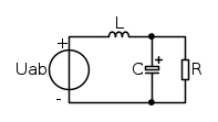
Il problema di fondo per i convertitore è dato dal fatto che stiamo lavorando con circuiti non lineari e tempo-varianti in quanto la topologia cambia ad ogni colpo di clock (quando gli interruttori si chiudono e si aprono). Tuttavia, accettando di lavorare con le sole grandezze medie ed eliminando le informazioni in alta frequenza, possiamo ricavare un modello tempo-invariante. Nel caso del buck, il suo modello medio tiene presente che la tensione media U_{AB}=DU_i dove con D indichiamo il duty cycle. Il modello medio del buck diventa dunque:

Questo è il modello medio del buck. Ora si vuole studiare la dinamica del sistema in presenza di piccole variazioni del duty cycle attorno ad un punto di lavoro preciso: è un po' lo stesso discorso che si fa per un transistor quando lo si linearizza attorno ad un punto di lavoro.
In presenza di perturbazioni, il duty cycle diventerà: D+d dove con D indichiamo la componente DC o il punto di lavoro attorno al quale andiamo a perturbare e con d la piccola componente di perturbazione. Avremo quindi il modello composto dalla componente DC e da quella AC:

Nella parte a AC possiamo osservare che:
u_o=\frac{Z_{out}}{sL+Z_{out}}U_id
dove
Z_{out}=\frac{R}{1+sRC}
ottenendo, per esempio, la fdt della tensione di uscita rispetto al duty cycle attorno ad un punto di lavoro determinato da U_i e D costanti.
G_{ud}(s)=\frac{u_o}{d}=\frac{U_i}{1+s\frac{L}{R}+s^2LC}
Provi a calcolare tu la G_{id}(s)=\frac{i_L}{d}?
Allo stesso modo, puoi giocare perturbando anche Ui con D fisso... Si può anche analizzare gli effetti di componenti parassite come ad esempio la ESR.
Spero di averti dato qualche informazione e di averti fatto capire un po' come si lavora con i piccoli segnali dei convertitori.
La presentazione sopra fatta non è rigorosa ma secondo me è utile mnemonicamente. Se vuoi qualcosa di rigoroso ti segnalo queste letture:
  • Per il buck: qui
  • Per il boost: qui

Ormai che ci sono chiedo un chiarimento anche a Foto UtenteIsidoroKZ.
IsidoroKZ ha scritto:Non ho messo il controllo nello schema perche' ho l'impressione che cosi` come lo hai disegnato non funzioni.

Ti riferisci allo schema nel post [17]? Se si, cosa mi sono perso? Grazie. :D :D :D
Avatar utente
Foto UtenteEnChamade
6.498 2 8 12
G.Master EY
G.Master EY
 
Messaggi: 588
Iscritto il: 18 giu 2009, 12:00
Località: Padova - Feltre

0
voti

[27] Re: Sensing di corrente con media

Messaggioda Foto UtenteIsidoroKZ » 17 mar 2012, 3:00

EnChamade ha scritto:Ti riferisci allo schema nel post [17]?


no, stavo rispondendo al post [19].
Per usare proficuamente un simulatore, bisogna sapere molta più elettronica di lui
Plug it in - it works better!
Il 555 sta all'elettronica come Arduino all'informatica! (entrambi loro malgrado)
Se volete risposte rispondete a tutte le mie domande
Avatar utente
Foto UtenteIsidoroKZ
121,2k 1 3 8
G.Master EY
G.Master EY
 
Messaggi: 21059
Iscritto il: 17 ott 2009, 0:00

0
voti

[28] Re: Sensing di corrente con media

Messaggioda Foto UtenteSte75 » 19 mar 2012, 17:38

Ciao. Scusate ma l'influenza mi ha letteralmente spaccato in due...
Non sono molto davanti a PC in questi giorni.

Conto di continuare al più presto.

Intanto mi leggo bene e cerco di capire quello scritto da Foto UtenteEnChamade nel suo ultimo post.

Ciao
Stefano
"perché un uomo è grande, GRANDE davvero, quando ritorna bambino di nuovo". Zecchino d'oro '87
Avatar utente
Foto UtenteSte75
2.575 1 7 13
Master
Master
 
Messaggi: 214
Iscritto il: 7 dic 2007, 12:31
Località: Monza e Brianza

1
voti

[29] Re: Sensing di corrente con media

Messaggioda Foto UtenteSte75 » 21 mar 2012, 15:46

Ciao.
Eccomi pronto a continuare...

Dunque, vorrei partire dal ripple di corrente nei led e quindi dal dimensionamento del condensatore in parallelo ai led.

Cioè da questa relazione

C=\frac{\Delta I_L}{8f_s \Delta U_o}

che non ho "mai utilizzato" :? e che, sinceramente non ho nemmeno mai ricavato :( .

Ci provo qui facendo un mio ragionamento che spero sia corretto.

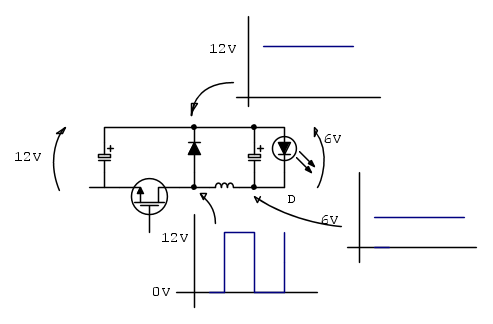
Inizio a buttare giù lo schema di riferimento e, considerando anche l'osservazione di Foto UtenteIsidoroKZ sul migliore schema per quanto riguarda EMI e tenendo presente di mettere l'interruttore sul ramo basso, per usare un NMOS, lo schema che terrei in considerazione da ora, sarebbe questo:



L'andamento temporale (considerando i valori di tensioni, frequenza, induttanza scritti) della corrente nell'induttanza sarà circa questo:



Ora, provo a ragionare cosi:
Il ripple di corrente nella induttanza è di 200mA (sovrapposto a valor medio di 350mA).
Suppongo che nel led voglio una DELTA Iled (ripple) di 100mA picco picco sopra il valor medio di 350mA. Questo significa che il condensatore sarà attraversato da una corrente con un ripple di 100mA (e valor medio nullo).
Una corrente di ripple di 100mA nei led comporta, sulla resistenza differenziale di 2 ohm (stima della resistenza differenziale di 2 led in serie) un ripple di tensione di 200mV che è il ripple di tensione sul condensatore.

Quindi il condensatore sarà attraversato da una corrente come segnato qui:




Ora dico: la quantità di carica Q+ che inietto nel condensatore è pari a (50mA *10usec)/2. Ovvero 250nQ.
Mentre inietto carica genero il delta V positivo sul condensatore che deve essere di 200mV.
Scrivendo Q=C*V, ottengo
250nQ=C*200mV
Da cui C=1.25uF

Non so se è corretto quello che ho scritto, ma non conoscendo ancora da dove nasce la relazione che avevi scritto, ho provato in un altro modo. Mi pare, comunque, che risulti la stessa cosa mettendo come Delta IL= 100mA, Delta Uo=200mV e freq di switching di 50KHz.

Ti torna?
Intanto mi inizio a guardare il secondo blocco del tuo post [26], cioè la modellizazione per piccoli segnali del buck.

Invece chiederei a Foto UtenteIsidoroKZ in relazione al mio post [19] dove ho commesso errore... forse ho disegnato in modo errato la tensione sul condensatore sul grafico? O ho sbagliato qualcosa nello schema?
"perché un uomo è grande, GRANDE davvero, quando ritorna bambino di nuovo". Zecchino d'oro '87
Avatar utente
Foto UtenteSte75
2.575 1 7 13
Master
Master
 
Messaggi: 214
Iscritto il: 7 dic 2007, 12:31
Località: Monza e Brianza

2
voti

[30] Re: Sensing di corrente con media

Messaggioda Foto UtenteIsidoroKZ » 21 mar 2012, 16:52

Il post [19] ha due cose che non vanno. La prima e` che la tensione di modo comune sui led va su e giu` e quindi correnti di modo comune che danno fastidio.

La seconda e` che la tensione sulla resistenza di sense arriva a +18V ed e` presumibilmente fuori dal range di modo comune che puo` trattare. Inoltre quel circuito ha un CMRR ad alta frequenza abbastanza scadente e non potrebbe funzionare a causa dell'elevata tensione di modo comune ad alta frequenza.

Nell'ultimo post invece hai detto una cosa sbagliata, poi mi pare che non l'abbia ripresa e usata. Se hai nell'induttanza un ripple di corrente di 200mA e vuoi un ripple nei led di 100mA, allora il condensatore deve assorbire gli altri 100mA. Questo e` sbagliato perche' stai usando Kirchhoff sulle correnti di picco, dove invece non vale perche' i due carichi (C e LED) sono uno capacitico e uno resistitivo.

La formula che ti ha fornito Foto UtenteEnChamade mi pare la abbia capita, e vale solo per i condensatori ceramici. Se usi degli elettrolitici il termine importante, quello che determina il ripple, non e` la capacita` ma la ESR. Alla frequenza di lavoro praticamente qualunque elettrolitico si comporta come una resistenza.
Per usare proficuamente un simulatore, bisogna sapere molta più elettronica di lui
Plug it in - it works better!
Il 555 sta all'elettronica come Arduino all'informatica! (entrambi loro malgrado)
Se volete risposte rispondete a tutte le mie domande
Avatar utente
Foto UtenteIsidoroKZ
121,2k 1 3 8
G.Master EY
G.Master EY
 
Messaggi: 21059
Iscritto il: 17 ott 2009, 0:00

PrecedenteProssimo

Torna a Elettronica generale

Chi c’è in linea

Visitano il forum: Nessuno e 81 ospiti