da
GuidoB » 18 mar 2012, 0:28
daniele1996 ha scritto:io ora come 4017 sto usando l' HCF4017BE
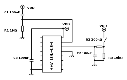
Questo integrato di costruzione ST ha il trigger di Schmitt sia sul clock che sul clock inhibit, come puoi controllare sul
datasheet.
Quindi, come ti avevo indicato prima, non ti servono trigger di Schmitt esterni sul clock (sul reset non ho trovato limiti sul "rise time" e penso che potresti toglierlo anche da lì). Perciò potresti (o avresti potuto) semplificare il circuito risparmiandoti un integrato:
C3 da 100 nF è un condensatore che va sempre inserito tra i piedini di alimentazione di ogni integrato CMOS.
daniele1996 ha scritto:il tempo in cui voglio raggiungere il livello 1 è di 500 ms
Mi sembra esagerato per un antirimbalzo. Dato che all'inizio l'antirimbalzo non volevi neanche metterlo, ti ho indicato nello schema dei valori di R e C per ottenere un tempo di 10 ms. Se vuoi 500 ms, aumenta il valore di c2 a 4,7 microfarad.
