Linrush ha scritto:si, non avevo fatto caso alla possibilità del tex...
E' molto potente e permette di fare delle formule comprensibili...
Linrush ha scritto:l'uscita del comparatore l'ho utilizzata come clock con fronte di salita per il contatore 100 e fronte di discesa per il contatore 50. Mi sorge un dubbio..... ha senso posizionare l'uscita nell'ingresso di clock dell'integrato? (744024 a 7 bit BIN).
Mmmm.... non ho capito bene come vorresti usarlo.
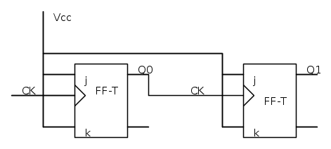
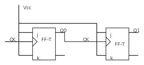
Ti allego uno schema dell'idea che ho in testa:
Non è ancora completo, in quanto tu inizialmente (non ricordo in quale post) dicevi che l'ingresso poteva assumere solo due valori, 5 e 10 V, ma leggendo bene il problema ho notato che parla di "treno di impulsi", quindi, correggimi se sbaglio, non di un segnale continuo di cui varia la frequenza in funzione dell'ingresso, bensì di un segnale che viene trasmesso solo in seguito ad un impulso dell'ingresso. Questo significa che dobbiamo gestire anche lo stato in cui l'ingresso dovrebbe essere 0 (inattivo). Ti quadra questo? A questo punto però bisognerebbe sapere dal problema qual è la durata minima dell'impulso di ingresso.
Chiariscimi su questo poi ti spiego perché è importante...
Linrush ha scritto:La dritta che mi hai dato poco fa non riesco a coglierlami sento impedito
La dritta che ti volevo dare è nello schema soprastante.
ciao
PSQ

Elettrotecnica e non solo (admin)
Un gatto tra gli elettroni (IsidoroKZ)
Esperienza e simulazioni (g.schgor)
Moleskine di un idraulico (RenzoDF)
Il Blog di ElectroYou (webmaster)
Idee microcontrollate (TardoFreak)
PICcoli grandi PICMicro (Paolino)
Il blog elettrico di carloc (carloc)
DirtEYblooog (dirtydeeds)
Di tutto... un po' (jordan20)
AK47 (lillo)
Esperienze elettroniche (marco438)
Telecomunicazioni musicali (clavicordo)
Automazione ed Elettronica (gustavo)
Direttive per la sicurezza (ErnestoCappelletti)
EYnfo dall'Alaska (mir)
Apriamo il quadro! (attilio)
H7-25 (asdf)
Passione Elettrica (massimob)
Elettroni a spasso (guidob)
Bloguerra (guerra)




. Quindi potrai prelevare sia un segnale con frequenza divisa 2 (10 kHz) che un segnale a frequenza divisa 4 (5 kHz). Quale segnale prendere lo deciti tramite un multiplexer comandato dal segnale del comparatore in ingresso. Un esempio di contatore è il HD74HC668, oppure il CD4060 (anche se non ti servono 12 bit in uscita, in realtà te ne basterebbero due).

in 
