marco438 ha scritto:Questa non l'ho capita![]()
mi spiego, no problem:
* per usare LED in maniera classica intendevo il metterli banalmente in serie ad una resistenza, senza PWM
* per 'meno luce' intendevo il fatto che si usano i LED con resistenza questi saranno sempre accesi alla stessa intensità, mentre con una PWM sincronizzata con la ripresa si potrebbe approfittare degli attimi di intensa luminosità guadagandoci qualcosa.
* infine la 'sincronia garantita' si riferisce al fatto che mentre per il caso PWM avresti difficoltà a implementare questo famigerato flash sincronizzato, nel caso LED con resistenza il problema non sussiste proprio.
--------------------------
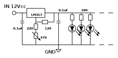
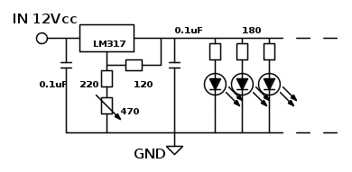
Per infine dare 2 numeri per la realizzazzione farei cosi':
Asseconderei la proposta fatta al post [8] di fare 5 rami da 3 LED ciascuno
In serie ad ogni ramo metterei una resistenza da 68 ohm
tutto questo parallelo LED/resistenze lo manderei infine al potenzionemtro (da 200 ohm)
[pilotando la corrente nei LED da circa 5 a 20mA, quindi al massimo il potenziometro dovra' sopportare 100mA]
e infine vai all'imentatore/batteria da 12V
fine...
le resistenze e il potenziometro scalderanno un po' ... se questo non ti piace devi passare alla tecnica PWM

Elettrotecnica e non solo (admin)
Un gatto tra gli elettroni (IsidoroKZ)
Esperienza e simulazioni (g.schgor)
Moleskine di un idraulico (RenzoDF)
Il Blog di ElectroYou (webmaster)
Idee microcontrollate (TardoFreak)
PICcoli grandi PICMicro (Paolino)
Il blog elettrico di carloc (carloc)
DirtEYblooog (dirtydeeds)
Di tutto... un po' (jordan20)
AK47 (lillo)
Esperienze elettroniche (marco438)
Telecomunicazioni musicali (clavicordo)
Automazione ed Elettronica (gustavo)
Direttive per la sicurezza (ErnestoCappelletti)
EYnfo dall'Alaska (mir)
Apriamo il quadro! (attilio)
H7-25 (asdf)
Passione Elettrica (massimob)
Elettroni a spasso (guidob)
Bloguerra (guerra)




Ti dico... sarebbe OTTIMO... ma impensabile per collegare 10 led e smontare una macchinetta fotografica ahahahhaha piuttosto mi compro una lampadina cinese e la tengo accesa... :P 
