Cos'è ElectroYou | Login Iscriviti

ElectroYou - la comunità dei professionisti del mondo elettrico

cd4516 presettable counter come divisore di frequenza

Elettronica lineare e digitale: didattica ed applicazioni

Moderatori: Foto Utentecarloc, Foto Utenteg.schgor, Foto UtenteBrunoValente, Foto UtenteIsidoroKZ

0
voti

[21] Re: cd4516 presettable counter come divisore di frequenza

Messaggioda Foto UtentePixy » 8 feb 2015, 11:55

adert ha scritto:con P1,2,3,4 diverso da 0000 , CO=H PE=L



Però spiega bene cosa succede in questo caso, anche se lo hai già fatto forse nei vari post, così abbiamo un riassunto della situazione

Con P 1-2-3-4 diverso da 0000 quali di questi 4 casi si verificano ?

1 ) Non conta ( le uscite non cambiano il loro stato o conta parzialmente senza mai arrivare a 0000 )

2) Conta: Le uscite arrivano tutte a 0000, ma il CO non va basso ( rimane sempre alto ) e PE rimane sempre basso ( sembra che sia questo quello che succede...)

3) Conta e alla fine del conteggio CO va basso, ma PE non va alto

4 ) Conta e alla fine del conteggio CO va basso e PE va alto, ma poi non conta più niente
e in questo 4° caso il CO torna alto o resta basso ? e PE resta alto o torna basso ?
Avatar utente
Foto UtentePixy
559 2 7
Expert EY
Expert EY
 
Messaggi: 478
Iscritto il: 20 nov 2012, 20:14

0
voti

[22] Re: cd4516 presettable counter come divisore di frequenza

Messaggioda Foto Utentesimo85 » 8 feb 2015, 13:11

Se non ho capito male il CO non torna a stato logico alto.
Avatar utente
Foto Utentesimo85
30,9k 7 12 13
Disattivato su sua richiesta
 
Messaggi: 9927
Iscritto il: 30 ago 2010, 4:59

0
voti

[23] Re: cd4516 presettable counter come divisore di frequenza

Messaggioda Foto Utenteadert » 8 feb 2015, 14:09

g.schgor ha scritto::ok: Quindi il preset funziona.
Per il FF consiglierei di utilizzare uno già fatto (4027)

No , non funziona .
Avatar utente
Foto Utenteadert
295 2 8
Frequentatore
Frequentatore
 
Messaggi: 255
Iscritto il: 19 apr 2014, 16:57

0
voti

[24] Re: cd4516 presettable counter come divisore di frequenza

Messaggioda Foto Utentesimo85 » 8 feb 2015, 14:22

Mmm hai controllato che tutti i cablaggi siano stati fatti correttamente? Sicuro che tutto è OK ?

Se ti dimentichi un momento della funzionalità del PE lasciandolo a 0, e lasci contare il contatore, il CO va è a 1, va a 0 e ritorna a1 ?

Se non lo fa direi che il contatore è danneggiato..
Avatar utente
Foto Utentesimo85
30,9k 7 12 13
Disattivato su sua richiesta
 
Messaggi: 9927
Iscritto il: 30 ago 2010, 4:59

0
voti

[25] Re: cd4516 presettable counter come divisore di frequenza

Messaggioda Foto Utenteadert » 8 feb 2015, 16:33

simo85 ha scritto:Mmm hai controllato che tutti i cablaggi siano stati fatti correttamente? Sicuro che tutto è OK ?

Se ti dimentichi un momento della funzionalità del PE lasciandolo a 0, e lasci contare il contatore, il CO va è a 1, va a 0 e ritorna a1 ?

Se non lo fa direi che il contatore è danneggiato..

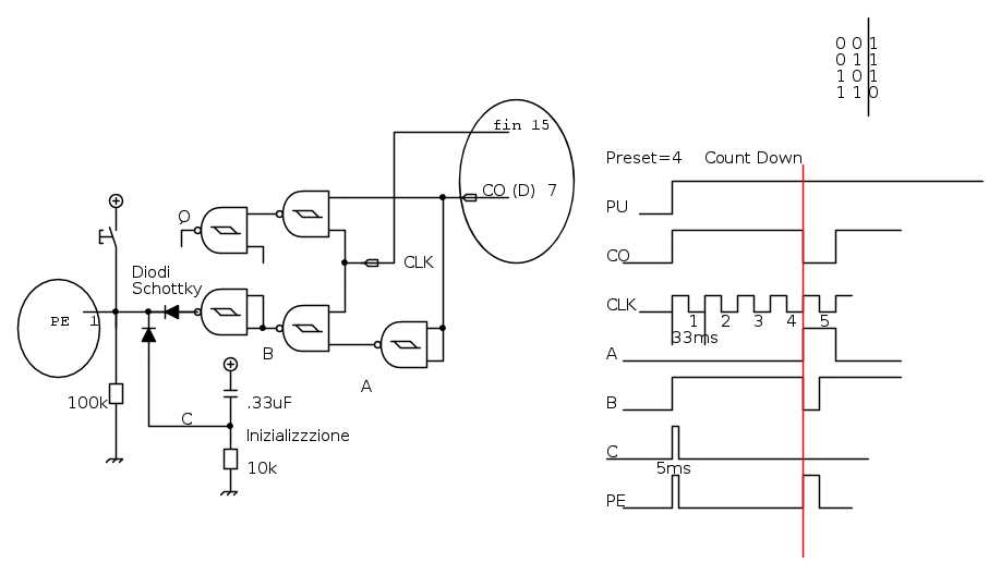
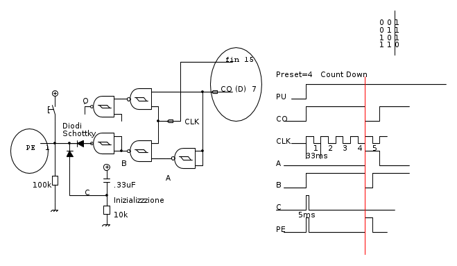
Si , scollegato il PE , il contatore conta e divide per 16 , il CO va da H a L , se presetto al PE in manuale carica e conta in down dal preset caricato , tutto ok.

Quando collego il PE succede:

Selettore P1,2,3,4 a 0000 il CO rimane a L fisso e al PE mi trovo il clock in frequenza e fase , not ok.
Selettore P1,2,3,4 diverso da 0000 il CO rimane a H fisso e al PE mi trovo L fisso , not ok.
Ho anche aggiunto un preset al PE in fase di power up , per inizializzarlo , ma nienete da fare.
Ho provato a fare il timing diagram , ma risulta diverso da quello del data sheet , forse è questo il problema , come si fa a replicare quello del data sheet?
Avatar utente
Foto Utenteadert
295 2 8
Frequentatore
Frequentatore
 
Messaggi: 255
Iscritto il: 19 apr 2014, 16:57

0
voti

[26] Re: cd4516 presettable counter come divisore di frequenza

Messaggioda Foto Utentesimo85 » 8 feb 2015, 17:17

OK. Se non ricordo male avevi scritto che, mettendo manualmente il PE a stato logico alto e poi basso, il contatore svolge il suo lavoro.

Hai provaro con il monostabile per un breve impulso sul PE ?

Se funziona sia manualmente che con il monostabile direi che il problema è di sincronizzazione..

Poi come dice anche qualcun altro, io lo farei con un micro. :mrgreen:
Avatar utente
Foto Utentesimo85
30,9k 7 12 13
Disattivato su sua richiesta
 
Messaggi: 9927
Iscritto il: 30 ago 2010, 4:59

0
voti

[27] Re: cd4516 presettable counter come divisore di frequenza

Messaggioda Foto Utenteg.schgor » 8 feb 2015, 17:45

L'impulso di preset viene condizionato internamente dal clock.
Se dura troppo poco forse non riesce ad agire.
Ho provato a simulare il circuito con Multisim,
ponendo direttamente un NAND fra CO e PE,
e funziona.
Se vuoi ti mando la simulazione.
Avatar utente
Foto Utenteg.schgor
57,8k 9 12 13
G.Master EY
G.Master EY
 
Messaggi: 16971
Iscritto il: 25 ott 2005, 9:58
Località: MILANO

0
voti

[28] Re: cd4516 presettable counter come divisore di frequenza

Messaggioda Foto Utenteadert » 8 feb 2015, 18:07

simo85 ha scritto:
Hai provaro con il monostabile per un breve impulso sul PE ?

Se funziona sia manualmente che con il monostabile direi che il problema è di sincronizzazione..


Ho scollegato il CO dalle porte nand e dato in manuale il comano a queste , funziona , il PE va da L a H e poi a L il counter conta in down il valore di preset.
Tutto si blocca quando a farlo è il CO .???
Avatar utente
Foto Utenteadert
295 2 8
Frequentatore
Frequentatore
 
Messaggi: 255
Iscritto il: 19 apr 2014, 16:57

0
voti

[29] Re: cd4516 presettable counter come divisore di frequenza

Messaggioda Foto Utenteadert » 8 feb 2015, 18:12

g.schgor ha scritto:Se vuoi ti mando la simulazione.

Grazie , ma non ho al momento un simulatore , tempo fa ho usato circuitmaker.
Ho gia provato sia con una porta nand , che con un monostabile , ma niente , non va.
Come è multisim , al confronto con altri , è semplice , è free?
Avatar utente
Foto Utenteadert
295 2 8
Frequentatore
Frequentatore
 
Messaggi: 255
Iscritto il: 19 apr 2014, 16:57

0
voti

[30] Re: cd4516 presettable counter come divisore di frequenza

Messaggioda Foto Utenteg.schgor » 8 feb 2015, 18:43

Multisim non è ne semplice ne free, ma ha una buona libreria,
soprattutto di CMOS.
Appena mi è possibile ti mando la simulazione.
Avatar utente
Foto Utenteg.schgor
57,8k 9 12 13
G.Master EY
G.Master EY
 
Messaggi: 16971
Iscritto il: 25 ott 2005, 9:58
Località: MILANO

PrecedenteProssimo

Torna a Elettronica generale

Chi c’è in linea

Visitano il forum: Nessuno e 82 ospiti