ok è arrivato tutto
Per quanto riguarda la fotoresistenza, l'ho incollata al centro di una calamita forata, e rivestito tutto intorno di nastro termoisolante, come quello che si usa per i tubi dei condizionatori. Così non dovrebbe subire sbalzi di temperatura e la calamita mi permette di agganciarla facilmente al frontale in acciaio del forno. Ho misurato la resistenza con il multimetro, oscilla tra 15,5Kohm a spia accesa e 1-2Mohm a spia spenta.
Per la presa telecomandata invece ho visto intanto che supporta fino a 3600W di carico massimo, quindi va bene per il forno, poi ho aperto il telecomando ed effettivamente uno dei due contatti di ogni pulsante è collegato al polo negativo della batteria, proprio come sosteneva IsidoroKZ
Circuito per utilizzare 2 forni contemporaneamente
Moderatori:
carloc,
g.schgor,
BrunoValente,
IsidoroKZ
50 messaggi
• Pagina 3 di 5 • 1, 2, 3, 4, 5
0
voti
Intanto, se io sapessi fare il tuo lavoro e voelssi essere certo di riuscire nell'intento, rifarei tutto da zero.
Battezzando i due forni A e B, con un pennarello per non dimenticarmi chi sono, comincerei a stimare la quantità di energia utile alla cottura, ossia, facendo mente locale, o meglio una prova pratica, tolto il tempo per il raggiungimento della temperatura utile, verificherei poi quali sono i tempi ON ed OFF medi delle resistenze. Se i tempi di ON sono maggiori dei tempi di OFF la cosa è energeticamente impossibile.
Capito questo, se io volessi che la cosa funzionasse, costruirei in circuito, elettromeccanico, tale per cui se entrambi i forni fanno richiesta di calore due relè statici commutano a tempo, diciamo, di tre secondi, l'energia ai due forni. Altrimenti la lasciano al solo richiedente.
In questo modo i MIEI due forni, nel momento in cui lavorano assieme ricevono sempre energia entro un periodo di tempo insignificante rispetto all'inerzia termica, rischiando che non si accorgano nemmeno della cosa e riuscendo a tenerli entrambi in temperatura a potenza costante verso il contatore.
Per i tuoi forni, invece, fai tu che sai.
Battezzando i due forni A e B, con un pennarello per non dimenticarmi chi sono, comincerei a stimare la quantità di energia utile alla cottura, ossia, facendo mente locale, o meglio una prova pratica, tolto il tempo per il raggiungimento della temperatura utile, verificherei poi quali sono i tempi ON ed OFF medi delle resistenze. Se i tempi di ON sono maggiori dei tempi di OFF la cosa è energeticamente impossibile.
Capito questo, se io volessi che la cosa funzionasse, costruirei in circuito, elettromeccanico, tale per cui se entrambi i forni fanno richiesta di calore due relè statici commutano a tempo, diciamo, di tre secondi, l'energia ai due forni. Altrimenti la lasciano al solo richiedente.
In questo modo i MIEI due forni, nel momento in cui lavorano assieme ricevono sempre energia entro un periodo di tempo insignificante rispetto all'inerzia termica, rischiando che non si accorgano nemmeno della cosa e riuscendo a tenerli entrambi in temperatura a potenza costante verso il contatore.
Per i tuoi forni, invece, fai tu che sai.
-

Candy
32,5k 7 10 13 - CRU - Account cancellato su Richiesta utente
- Messaggi: 10123
- Iscritto il: 14 giu 2010, 22:54
0
voti
peronedj ha scritto: poi ho aperto il telecomando ed effettivamente uno dei due contatti di ogni pulsante è collegato al polo negativo della batteria, proprio come sosteneva IsidoroKZ
Bene, questo semplifica il circuito. Sei proprio sicuro, vero?
Si puo` alimentare il circuito dalla pila del telecomando, basta poi staccare il circuito alla fine dell'utilizzo.
Una domanda: riesci ad entrare nel telecomando con 4 o 5 fili e tenere la sua tastiera attiva? Oppure tieni la scatola aperta e non puoi piu` usare i pulsanti originali? La domanda e` dovuta al fatto che bisogna comunque avere la possibilita` di poter comandare la presa all'inizio della lavorazione.
Per usare proficuamente un simulatore, bisogna sapere molta più elettronica di lui
Plug it in - it works better!
Il 555 sta all'elettronica come Arduino all'informatica! (entrambi loro malgrado)
Se volete risposte rispondete a tutte le mie domande
Plug it in - it works better!
Il 555 sta all'elettronica come Arduino all'informatica! (entrambi loro malgrado)
Se volete risposte rispondete a tutte le mie domande
0
voti
*Candy: non ho ben capito cosa hai in mente, ma ricordo che i 2 forni non sono fisicamente vicini, uno è in cucina, l'altro è nella parte opposta della casa nel ripostiglio, inoltre non è energeticamente impossibile, perché già questo lavoro lo faccio a mano, quando il forno A chiede energia, io vado a spegnere il forno B finché il forno A non ha finito. Se nel frattempo il forno B si è mantenuto in temperatura allora non richiederà altra energia, viceversa si porterà a temperatura. E non posso stimare dei tempi precisi di ON e di OFF, dipende da quanti panettoni metto dentro (1 da 1kg o 2 da mezzo kg), da quando apro il forno per mettere la sonda di temperatura, da quando sforno e inforno altro, insomma sono troppo casuali, non si possono stimare con precisione.
0
voti
*IsidoroKZ: Si sono sicuro, dei 2 contatti di ogni tasto uno va sicuramente al polo negativo. Dentro il telecomando poi c'è un sacco di spazio, considerando che posso realizzare circuiti anche con componenti SMD, posso integrare veramente un mondo. La schedina del circuito è combinata in questo modo: Ha una pista unica che collega uno dei contatti di ogni tasto e va a finire a massa, l'altro contatto di ogni tasto invece termina in un punto in cui tramite un foro a passatore attraversa la scheda e dall'altro lato c'è una bella piazzola dove posso fare comodamente tutte le saldature che voglio, quindi la tastiera rimane comunque usabile
5
voti
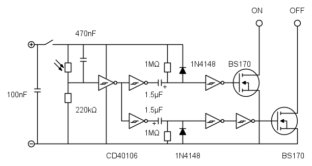
Proverei con questo circuito
I due MOS vanno a comandare la pulsantiera, l'interruttore serve a spegnere il circuito per non consumare la batteria. Se ci si dimentica di spegnerlo, almeno che la fotoresistenza sia al buio, cosi` consuma di meno.
All'accensione viene generato un impulso breve di spegnimento. Se il circuito non e` sincronizzato (non dovrebbe capitare), e il circuito non parte giusto, si possono usare i pulsanti per spegnere o accendere come serve.
PS: Se funziona, pagamento in panettoni, con uvetta e canditi, magari anche nocciolati
. Non e` necessario aspettare Natale!
I due MOS vanno a comandare la pulsantiera, l'interruttore serve a spegnere il circuito per non consumare la batteria. Se ci si dimentica di spegnerlo, almeno che la fotoresistenza sia al buio, cosi` consuma di meno.
All'accensione viene generato un impulso breve di spegnimento. Se il circuito non e` sincronizzato (non dovrebbe capitare), e il circuito non parte giusto, si possono usare i pulsanti per spegnere o accendere come serve.
PS: Se funziona, pagamento in panettoni, con uvetta e canditi, magari anche nocciolati
Per usare proficuamente un simulatore, bisogna sapere molta più elettronica di lui
Plug it in - it works better!
Il 555 sta all'elettronica come Arduino all'informatica! (entrambi loro malgrado)
Se volete risposte rispondete a tutte le mie domande
Plug it in - it works better!
Il 555 sta all'elettronica come Arduino all'informatica! (entrambi loro malgrado)
Se volete risposte rispondete a tutte le mie domande
2
voti
[OT]
All'area di servizio Gran Bosco, proprio prima di entrare nel tunnel del frejus in direzione francia, li trovi tutto l'anno.
[/OT]
peronedj, scusa l'OT, i tuoi sono sicuramente più buoni!

IsidoroKZ ha scritto:Ok, nel frattempo mi prenoto per un panettone! Io sono per il consumo annuale del panettone (come per il gelato), ma la panetteria dove mi rifornisco non me li fa.
All'area di servizio Gran Bosco, proprio prima di entrare nel tunnel del frejus in direzione francia, li trovi tutto l'anno.
[/OT]

http://millefori.altervista.org
Tool gratuito per chi sviluppa su millefori.
Tutti sanno che una cosa è impossibile da realizzare, finché arriva uno sprovveduto che non lo sa e la inventa. (A. Einstein)
Se non c'e` un 555 non e` un buon progetto (IsidoroKZ)
Strumento per formule
Tool gratuito per chi sviluppa su millefori.
Tutti sanno che una cosa è impossibile da realizzare, finché arriva uno sprovveduto che non lo sa e la inventa. (A. Einstein)
Se non c'e` un 555 non e` un buon progetto (IsidoroKZ)
Strumento per formule
-

posta10100
5.550 4 10 13 - Master EY

- Messaggi: 4832
- Iscritto il: 5 nov 2006, 0:09
1
voti
Ciao, intanto ti ringrazio per il circuito, ti faccio alcune domande (si lo so, sono stupide, ma preferisco sempre essere preciso) e passo alla realizzazione:
1) Il circuito è calibrato per i valori della mia fotoresistenza?
2) Nei transistor suppongo che il pin centrale sia il gate, quello sotto che va a massa il source e quello sopra che va ai pulsanti è il drain, corretto?
3) In basso a destra fra i 2 transistor ci sono 2 piste che si incrociano, suppongo non vadano collegate tra di loro, corretto?
4) I 6 trigger di schmitt li prendo tutti dall'integrato CD40106, il primo che hai disegnato sulla sinistra indica anche l'alimentazione dei piedini 7 e 14, corretto?
5) Le 2 piste che vanno ad ON ed OFF, si riferiscono ai 2 contatti dei tasti che non sono collegati a massa, corretto?
Mi piacerebbe saperne di più sul funzionamento del circuito, io sono bravo nella realizzazione pratica, ma purtroppo conosco poco di elettronica teorica (ho intrapreso studi informatici quindi ho solo un'infarinatura). Tipo a cosa servono tutti quei trigger di schmitt? perché sul ramo di OFF ce n'è uno in più rispetto al ramo di ON? A che servono quei condensatori, resistenze e diodi messi dopo i trigger? Ecco, cose di questo tipo...
1) Il circuito è calibrato per i valori della mia fotoresistenza?
2) Nei transistor suppongo che il pin centrale sia il gate, quello sotto che va a massa il source e quello sopra che va ai pulsanti è il drain, corretto?
3) In basso a destra fra i 2 transistor ci sono 2 piste che si incrociano, suppongo non vadano collegate tra di loro, corretto?
4) I 6 trigger di schmitt li prendo tutti dall'integrato CD40106, il primo che hai disegnato sulla sinistra indica anche l'alimentazione dei piedini 7 e 14, corretto?
5) Le 2 piste che vanno ad ON ed OFF, si riferiscono ai 2 contatti dei tasti che non sono collegati a massa, corretto?
Mi piacerebbe saperne di più sul funzionamento del circuito, io sono bravo nella realizzazione pratica, ma purtroppo conosco poco di elettronica teorica (ho intrapreso studi informatici quindi ho solo un'infarinatura). Tipo a cosa servono tutti quei trigger di schmitt? perché sul ramo di OFF ce n'è uno in più rispetto al ramo di ON? A che servono quei condensatori, resistenze e diodi messi dopo i trigger? Ecco, cose di questo tipo...
6
voti
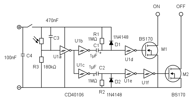
Questo lo schema cui faccio riferimento: ho solo messo i nomi ai componenti e modificato il valore di R3, come spiegato dopo.
1) Si`, il valore di R3 dovrebbe essere per la tua fotoresistenza. Per essere sicuri misura di nuovo la resistenza sia con spia illuminata che spenta. La resistenza in serie alla fotoresistenza deve avere un valore pari alla media geometrica dei due valori illuminata/buio. Avevi detto 2Mohm, 15kohm, e quindi circa 180kohm. Avevo aumentato un pochino, fino a 220kohm, per consumare di meno, MA NON E` UNA BUONA IDEA, non avevo ancora ripassato il datasheet del 40106. Rifai le misure e rifacciamo il conto. Assicurati che la zona della spia non sia calda quando il forno e` in funzione da un po' perche' credo che la resistenza della fotoresistenza si abbassi se la temperatura sale.
2) Si`, i piedini dei MOS sono giusti. Al posto del BS170 puoi usare un 2N7000.
3) I fili che si incrociano NON sono collegati. Se lo fossero ci sarebbe un pallino. Vedi qui
4) I 6 inverter sono tutti nello stesso integrato, e le alimentazioni vanno sui piedini 14 e 7.
5) Le due uscite ON e OFF vanno al contatto del pulsante non collegato al negativo. I due MOS funzionano da pulsanti in parallelo ai pulsanti originali.
I condensatori non sono critici, possono essere ceramici o a film. I due condensatori piu` grandi, da 1µF, su cui ho segnato il +, possono essere anche elettrolitici o meglio tantalio, da 16V di tensione di lavoro.
Quando ho messo i valori iniziali sono andato a memoria per una caratteristica del 40106, ma ricordavo male. Devo quindi modificare i valori delle capacita` che devono essere da 1uF, non 1.5uF. In questo modo l'impulso generato dura circa 1s.
Il primo inverter U1a ripulisce il segnale dalla fotoresistenza. La tensione che arriva dal sensore potrebbe avere del rumore sovrapposto, variare lentamente... Il condensatore C3 da 470nF toglie un po' di ronzio e la porta U1a squadra il segnale, all'uscita va a livello alto quando la spia e` spenta.
I due inverte successivi, U1b e U1c non servono, li ho messi solo per disaccoppiare i due circuiti di temporizzazione collegati dopo questi due inverter. Le uscite di queste due porte sono basse quando la spia e` spenta.
A spia spenta il lato destro del condensatore C1 viene caricato a 12V attraverso la resistenza R1 da 1Mohm, mentre il condensatore C2 sul lato in basso ha l'armatura destra a 0V, sempre attraverso la sua resistenza R2 da 1Mohm.
Quando la spia si accende, le due uscite di U1b e U1c, collegate ai condensatori, vanno a livello alto (12V). Il condensatore C1, che era carico a 12V, si trova con un gradino positivo sull'armatura di sinistra. L'armatura di destra vorrebbe salire di 12V e percio` andare a 24 V, ma entra in funzione il diodo D1 che limita la tensione perche' va a "ricaricare" la batteria.
In questo modo l'ingresso dell'inverter successivo U1d non viene danneggiato. In realta` gli inverter hanno una protezione in ingresso per queste evenienze, ma se li si puo` proteggere da fuori e` meglio. Nel data sheet del 40106 che ho guardato non ci sono indicazioni sulla protezione, quindi l'ho messa di fuori.
Il lato destro del condensatore C1 alto era a 12V, rimane a 12V a causa di D1 e l'inverter U1d vede sempre un valore alto, la sua uscita sara` sempre bassa, e il corrispondente MOS M1 rimane spento.
Invece nel ramo in basso, quando si accende la spia, le cose vanno diversamente.
L'uscita della porta U1c sale da 0V a 12V, e anche l'armatura destra del condensatore C2, che era a 0V a causa di R2, sale a 12V. L'inverter successivo U1e vede un livello alto e la sua uscita va bassa. Ma dopo c'e` ancora un altro inverter, U1f, che nega di nuovo il segnale che va alto. Questo segnale alto e` applicato al MOS M2 che si accende, e "preme" il pulsante OFF.
Subito dopo l'accensione della spia il condensatore C2 si trova con l'armatura a sinistra a +12V, quella a destra va anche a +12V. Ma l'armatura destra e` collegata a ground attraverso la resistenza R2 da 1Mohm che carica il condensatore, abbassando il potenziale dell'armatura destra. La tensione sul condensatore scende con una costante di tempo data da CxR, e quando la tensione arriva dalle parti di 4V l'inverter U1e vede un livello basso, la sua uscita va alta e l'inverter dopo U1f la re-inverte a livello basso e il MOS M2 che comanda OFF si spegne.
Quando la spia si spegne capita una sequenza di operazioni analoghe, ma questa volta e` il ramo di sopra che genera un impulso di durata di circa 1s.
L'interruttore serve perche' il circuito consuma circa 5µA, e consumerebbe la batteria in 6 mesi.
1) Si`, il valore di R3 dovrebbe essere per la tua fotoresistenza. Per essere sicuri misura di nuovo la resistenza sia con spia illuminata che spenta. La resistenza in serie alla fotoresistenza deve avere un valore pari alla media geometrica dei due valori illuminata/buio. Avevi detto 2Mohm, 15kohm, e quindi circa 180kohm. Avevo aumentato un pochino, fino a 220kohm, per consumare di meno, MA NON E` UNA BUONA IDEA, non avevo ancora ripassato il datasheet del 40106. Rifai le misure e rifacciamo il conto. Assicurati che la zona della spia non sia calda quando il forno e` in funzione da un po' perche' credo che la resistenza della fotoresistenza si abbassi se la temperatura sale.
2) Si`, i piedini dei MOS sono giusti. Al posto del BS170 puoi usare un 2N7000.
3) I fili che si incrociano NON sono collegati. Se lo fossero ci sarebbe un pallino. Vedi qui
4) I 6 inverter sono tutti nello stesso integrato, e le alimentazioni vanno sui piedini 14 e 7.
5) Le due uscite ON e OFF vanno al contatto del pulsante non collegato al negativo. I due MOS funzionano da pulsanti in parallelo ai pulsanti originali.
I condensatori non sono critici, possono essere ceramici o a film. I due condensatori piu` grandi, da 1µF, su cui ho segnato il +, possono essere anche elettrolitici o meglio tantalio, da 16V di tensione di lavoro.
Quando ho messo i valori iniziali sono andato a memoria per una caratteristica del 40106, ma ricordavo male. Devo quindi modificare i valori delle capacita` che devono essere da 1uF, non 1.5uF. In questo modo l'impulso generato dura circa 1s.
Il primo inverter U1a ripulisce il segnale dalla fotoresistenza. La tensione che arriva dal sensore potrebbe avere del rumore sovrapposto, variare lentamente... Il condensatore C3 da 470nF toglie un po' di ronzio e la porta U1a squadra il segnale, all'uscita va a livello alto quando la spia e` spenta.
I due inverte successivi, U1b e U1c non servono, li ho messi solo per disaccoppiare i due circuiti di temporizzazione collegati dopo questi due inverter. Le uscite di queste due porte sono basse quando la spia e` spenta.
A spia spenta il lato destro del condensatore C1 viene caricato a 12V attraverso la resistenza R1 da 1Mohm, mentre il condensatore C2 sul lato in basso ha l'armatura destra a 0V, sempre attraverso la sua resistenza R2 da 1Mohm.
Quando la spia si accende, le due uscite di U1b e U1c, collegate ai condensatori, vanno a livello alto (12V). Il condensatore C1, che era carico a 12V, si trova con un gradino positivo sull'armatura di sinistra. L'armatura di destra vorrebbe salire di 12V e percio` andare a 24 V, ma entra in funzione il diodo D1 che limita la tensione perche' va a "ricaricare" la batteria.
In questo modo l'ingresso dell'inverter successivo U1d non viene danneggiato. In realta` gli inverter hanno una protezione in ingresso per queste evenienze, ma se li si puo` proteggere da fuori e` meglio. Nel data sheet del 40106 che ho guardato non ci sono indicazioni sulla protezione, quindi l'ho messa di fuori.
Il lato destro del condensatore C1 alto era a 12V, rimane a 12V a causa di D1 e l'inverter U1d vede sempre un valore alto, la sua uscita sara` sempre bassa, e il corrispondente MOS M1 rimane spento.
Invece nel ramo in basso, quando si accende la spia, le cose vanno diversamente.
L'uscita della porta U1c sale da 0V a 12V, e anche l'armatura destra del condensatore C2, che era a 0V a causa di R2, sale a 12V. L'inverter successivo U1e vede un livello alto e la sua uscita va bassa. Ma dopo c'e` ancora un altro inverter, U1f, che nega di nuovo il segnale che va alto. Questo segnale alto e` applicato al MOS M2 che si accende, e "preme" il pulsante OFF.
Subito dopo l'accensione della spia il condensatore C2 si trova con l'armatura a sinistra a +12V, quella a destra va anche a +12V. Ma l'armatura destra e` collegata a ground attraverso la resistenza R2 da 1Mohm che carica il condensatore, abbassando il potenziale dell'armatura destra. La tensione sul condensatore scende con una costante di tempo data da CxR, e quando la tensione arriva dalle parti di 4V l'inverter U1e vede un livello basso, la sua uscita va alta e l'inverter dopo U1f la re-inverte a livello basso e il MOS M2 che comanda OFF si spegne.
Quando la spia si spegne capita una sequenza di operazioni analoghe, ma questa volta e` il ramo di sopra che genera un impulso di durata di circa 1s.
L'interruttore serve perche' il circuito consuma circa 5µA, e consumerebbe la batteria in 6 mesi.
Per usare proficuamente un simulatore, bisogna sapere molta più elettronica di lui
Plug it in - it works better!
Il 555 sta all'elettronica come Arduino all'informatica! (entrambi loro malgrado)
Se volete risposte rispondete a tutte le mie domande
Plug it in - it works better!
Il 555 sta all'elettronica come Arduino all'informatica! (entrambi loro malgrado)
Se volete risposte rispondete a tutte le mie domande
1
voti
Vedo se oggi riesco a recuperare i componenti e realizzo tutto, ti faccio sapere.
Grazie!!!
50 messaggi
• Pagina 3 di 5 • 1, 2, 3, 4, 5
Chi c’è in linea
Visitano il forum: Nessuno e 43 ospiti

Elettrotecnica e non solo (admin)
Un gatto tra gli elettroni (IsidoroKZ)
Esperienza e simulazioni (g.schgor)
Moleskine di un idraulico (RenzoDF)
Il Blog di ElectroYou (webmaster)
Idee microcontrollate (TardoFreak)
PICcoli grandi PICMicro (Paolino)
Il blog elettrico di carloc (carloc)
DirtEYblooog (dirtydeeds)
Di tutto... un po' (jordan20)
AK47 (lillo)
Esperienze elettroniche (marco438)
Telecomunicazioni musicali (clavicordo)
Automazione ed Elettronica (gustavo)
Direttive per la sicurezza (ErnestoCappelletti)
EYnfo dall'Alaska (mir)
Apriamo il quadro! (attilio)
H7-25 (asdf)
Passione Elettrica (massimob)
Elettroni a spasso (guidob)
Bloguerra (guerra)



