illuminor ha scritto:i componenti non saranno al top ma funziona.
Come sarebbe a dire?
Perche' non posti lo schema realizzato con i valori? Almeno ci discutiamo sopra.
Moderatori:
carloc,
g.schgor,
BrunoValente,
IsidoroKZ
illuminor ha scritto:i componenti non saranno al top ma funziona.
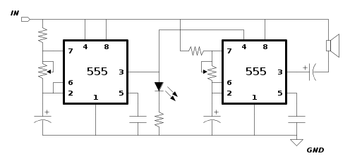
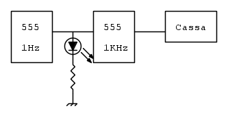
la variazione da 22 uF a 0,1 uF è ovviamente molto grande e si ripercuote proporzionalmente sulla frequenza; ad ogni modo per ottenere veramente un "beep" sincronizzato con un lampeggio visibile servirebbe un circuito un po' più complesso. 


illuminor ha scritto:per ottenere "beep" sincronizzato con un lampeggio visibile servirebbe un circuito un po' più complesso
, il lampeggio del led come posso migliorarlo? in pratica il led lampeggia ma è sempre acceso fa un flesh acceso e vabene il flesh che dovrebbe essere "spento" rimane per meta illuminato dovrebbe fare un flash tutto acceso un flasch tutto spento
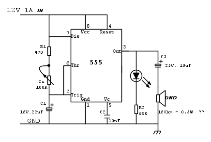
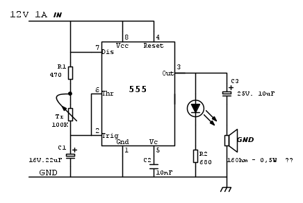
ho fatto lultimo schema raffigurato da marco.


Visitano il forum: Nessuno e 63 ospiti