Ritardare eccitazione di un relé
Moderatori:
carloc,
g.schgor,
BrunoValente,
IsidoroKZ
29 messaggi
• Pagina 3 di 3 • 1, 2, 3
0
voti
Candy ha scritto:Posta una o due foto...
Non ho modo in questo momento, il PC che uso non è nemmeno il mio!
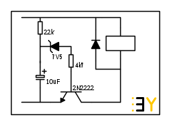
Ad ogni modo o metto l'elettrolitico o metto il transistor.
Ma come fanno i cino/giapponesi a ...
Se quello che funziona basta non lo tocca' sennò te lassa!
2
voti
1
voti
balduzz ha scritto:...solo perché hai i ditoni grossi!!...
Ma magari li avessi!
Nonostante le festività sono anche sottopeso.
Casomai sono i giappocinesi ad avere i piedini piccoli!
OT
Prima o poi soddisferò la tua curiosità su come me la cavo con la neve del Gran Sasso!
Se quello che funziona basta non lo tocca' sennò te lassa!
0
voti
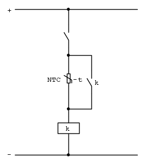
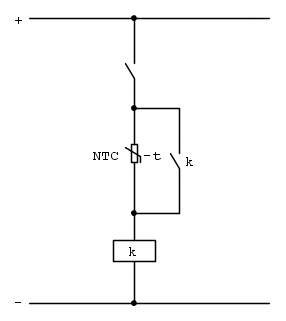
L’eccitazione della bobina di un contattore può essere convenientemente ritardata inserendo, in serie al circuito di comando, una resistenza NTC. Quando il tempo occorrente per il raffreddamento della resistenza è inferiore a tre minuti, si deve prevedere sul contattore un contatto ausiliario di chiusura che, a eccitazione avvenuta, ne realizzi il corto circuito, come dis.
-

StefanoSunda
2.885 3 6 10 - Master

- Messaggi: 1965
- Iscritto il: 16 set 2010, 19:29
0
voti
Allora....
Ho trovato un relè che fisicamente è la metà di quello originale e così ho molto più spazio rispetto a prima.
La corrente è la stessa ma è a due vie due scambi e, per non saper ne leggere e ne scrivere, li ho parallelati.
Non capisco perché ho dovuto ridurre un a resistenza da 100 a 68 kohm ma il tutto funziona come con l'altro relè.
Probabilmente sarà diversa la bobina, non so!
Mi dispiace per
balduzz ma oggi i miei "grossi ditoni" fanno festa!
Ho trovato un relè che fisicamente è la metà di quello originale e così ho molto più spazio rispetto a prima.
La corrente è la stessa ma è a due vie due scambi e, per non saper ne leggere e ne scrivere, li ho parallelati.
Non capisco perché ho dovuto ridurre un a resistenza da 100 a 68 kohm ma il tutto funziona come con l'altro relè.
Probabilmente sarà diversa la bobina, non so!
Mi dispiace per
Se quello che funziona basta non lo tocca' sennò te lassa!
29 messaggi
• Pagina 3 di 3 • 1, 2, 3
Chi c’è in linea
Visitano il forum: Nessuno e 81 ospiti

Elettrotecnica e non solo (admin)
Un gatto tra gli elettroni (IsidoroKZ)
Esperienza e simulazioni (g.schgor)
Moleskine di un idraulico (RenzoDF)
Il Blog di ElectroYou (webmaster)
Idee microcontrollate (TardoFreak)
PICcoli grandi PICMicro (Paolino)
Il blog elettrico di carloc (carloc)
DirtEYblooog (dirtydeeds)
Di tutto... un po' (jordan20)
AK47 (lillo)
Esperienze elettroniche (marco438)
Telecomunicazioni musicali (clavicordo)
Automazione ed Elettronica (gustavo)
Direttive per la sicurezza (ErnestoCappelletti)
EYnfo dall'Alaska (mir)
Apriamo il quadro! (attilio)
H7-25 (asdf)
Passione Elettrica (massimob)
Elettroni a spasso (guidob)
Bloguerra (guerra)




