E'' semplice:
A riposo su A e B non vi è alimentazione.
Commutando il deviatore d'ingresso
si attiva immediatamente il primo relè
(in alto), alimentando così A.
Dopo un secondo si attiva il secondo relè,
alimentando B.
Si noti che entrambi i relè vengono ora
alimentati anche attraverso i contatti NC
del terzo e quarto relè, quindi rimangono
attratti quando si riporta a riposo il deviatore.
Questo però provoca l'attrazione del terzo relè
che disattiva il secondo (B viene disalimentato)
e dopo un secondo interviene il quarto che
diseccita il primo (anche A viene disalimentato)
Circuito ab ba
Moderatori:
carloc,
g.schgor,
BrunoValente,
IsidoroKZ
33 messaggi
• Pagina 3 di 4 • 1, 2, 3, 4
1
voti
[22] Re: Circuito ab ba
Mi sono dimenticatoi di aggiungere che lo schema è derivato
dal precedente (post[4]), ma in realtà bastano i soli due relè temporizzati.
Qualcuno vuol provare a fare lo schema?
dal precedente (post[4]), ma in realtà bastano i soli due relè temporizzati.
Qualcuno vuol provare a fare lo schema?
1
voti
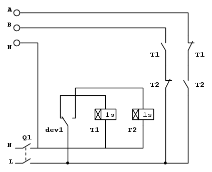
[23] Re: Circuito ab ba
g.schgor ha scritto:Qualcuno vuol provare a fare lo schema?
Ci provo ...
Quando chiudo l'interruttore Q1 quindi alimento il circuito questi si avvia, pertanto avremo il temporizzatore T1 (ritardato all'eccitazione) alimentato, quindi inizierà a contare, intanto attraverso il suo contatto NC porterà tensione al punto A,trascorso il set di 1 sec scambierà i contatti, per cui toglierà tensione al punto A aprendo il contatto NC e porterà tensione al punto B chiudendo il contatto NO.
Scambiando di posizione il deviatore dev1, si alimentarà il secondo temporizzatore T2 (ritardato all'eccitazione) , che funzionerà come il T1 in maniera contraria, ovvero essendo alimentato inizierà a contare, nel frattempo fornisce attraverso il suo contatto NC tensione al punto B ed una volta raggiunto il set di 1 secondo scambierà, i contatti portando tensione al punto A e togliendola al punto B.
0
voti
[24] Re: Circuito ab ba
Ma la "specifica" chiede che alla prima commutazione sia alimentato A
e dopo 1s sia alimentato anche B, mentre alla seconda commutazione
(ripristino condizione iniziale) sia tolta subito tensione a B e dopo 1s
tolta anche ad A.
E' così o mi sbaglio?
e dopo 1s sia alimentato anche B, mentre alla seconda commutazione
(ripristino condizione iniziale) sia tolta subito tensione a B e dopo 1s
tolta anche ad A.
E' così o mi sbaglio?
0
voti
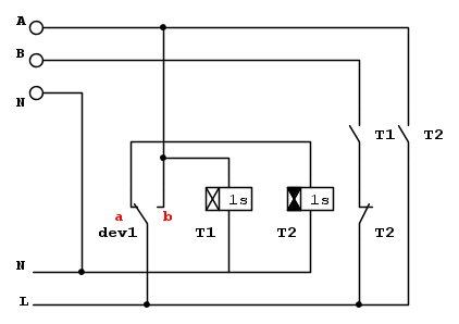
[25] Re: Circuito ab ba
Salve g.schgor.
Posso aver interpretato male la richiesta di
merecol, pertanto reinizio da questa:
Si direbbe che la condizione iniziale sia A in assenza di tensione ed anche B.
Per questo avevo previsto un interruttore bipolare.
Poi movimentando un interruttore (nello schema si è utilizzato un deviatore) si deve avere tensione nel punto A e dopo un secondo nel punto B.
Poi movimentando il deviatore si dovrà togliere tensione nel punto B e dopo un secondo nel punto A.
Quindi lo schema che ho postato in [23] va modificato come segue:
i due temporizzatori dovranno essere T1 ritardato all'eccitazione, e T2 ritardato alla diseccitazione.
Con dev 1 in posizione a, fornisco tensione al punto A, e dopo un secondo di tempo fornisco tensione al punto B
Con dev 1 in posizione b, fornisco tensione al punto B e trascorso il secondo di set tolgo tensione al punto A.
g.schgor, puoi verificare, se cosi va bene. 
Posso aver interpretato male la richiesta di
merecol ha scritto:.. un circuito che all'apertura di un interruttore porti corrente ad un punto a e dopo un secondo ad un punto b.Alla chiusura dell'interruttore invece vorrei che succedesse il contrario,cioè,la corrente viene tolta al punto b e dopo un secondo a quello a.Non so se sono stato abbastanza chiaro,spero di si.
Si direbbe che la condizione iniziale sia A in assenza di tensione ed anche B.
Per questo avevo previsto un interruttore bipolare.
Poi movimentando un interruttore (nello schema si è utilizzato un deviatore) si deve avere tensione nel punto A e dopo un secondo nel punto B.
Poi movimentando il deviatore si dovrà togliere tensione nel punto B e dopo un secondo nel punto A.
Quindi lo schema che ho postato in [23] va modificato come segue:
i due temporizzatori dovranno essere T1 ritardato all'eccitazione, e T2 ritardato alla diseccitazione.
Con dev 1 in posizione a, fornisco tensione al punto A, e dopo un secondo di tempo fornisco tensione al punto B
Con dev 1 in posizione b, fornisco tensione al punto B e trascorso il secondo di set tolgo tensione al punto A.
0
voti
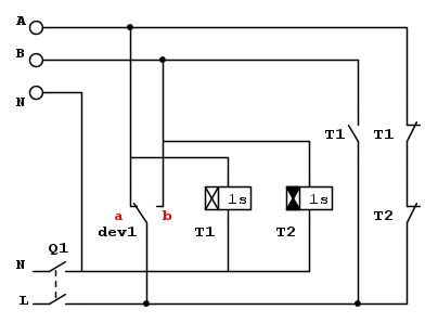
[29] Re: Circuito ab ba
g.schgor ha scritto:In che condizione A e B risultano disalimentati? (condizione iniziale e di riposo)
cosi dovrebbe funzionare ...almeno spero ...
1
voti
[30] Re: Circuito ab ba
Anche qui, nella condizione iniziale,
A risulta alimentato (T2 è attivato).
Un possibile schema è questo:
inizialmente RA è attratto, quindi sia A che B non sono alimentati.
Commutando Int rilascia RA alimentando A e dopo 1s si attiva RB
alimentando anche B.
Tornando nella condizione iniziale, RB si diseccita subito e
toglie alimentazione a B, mentre RA si attiva dopo 1s aprendo
il suo contatto NC e togliendo alimentazione ad A.
Unico "inconveniente" di questa soluzione semplificata rispetto a quella del post[5]
è che quando si alimenta il circuito si alimenta A per 1s (fino che non si attiva RA).
A risulta alimentato (T2 è attivato).
Un possibile schema è questo:
inizialmente RA è attratto, quindi sia A che B non sono alimentati.
Commutando Int rilascia RA alimentando A e dopo 1s si attiva RB
alimentando anche B.
Tornando nella condizione iniziale, RB si diseccita subito e
toglie alimentazione a B, mentre RA si attiva dopo 1s aprendo
il suo contatto NC e togliendo alimentazione ad A.
Unico "inconveniente" di questa soluzione semplificata rispetto a quella del post[5]
è che quando si alimenta il circuito si alimenta A per 1s (fino che non si attiva RA).
33 messaggi
• Pagina 3 di 4 • 1, 2, 3, 4
Chi c’è in linea
Visitano il forum: Nessuno e 102 ospiti

Elettrotecnica e non solo (admin)
Un gatto tra gli elettroni (IsidoroKZ)
Esperienza e simulazioni (g.schgor)
Moleskine di un idraulico (RenzoDF)
Il Blog di ElectroYou (webmaster)
Idee microcontrollate (TardoFreak)
PICcoli grandi PICMicro (Paolino)
Il blog elettrico di carloc (carloc)
DirtEYblooog (dirtydeeds)
Di tutto... un po' (jordan20)
AK47 (lillo)
Esperienze elettroniche (marco438)
Telecomunicazioni musicali (clavicordo)
Automazione ed Elettronica (gustavo)
Direttive per la sicurezza (ErnestoCappelletti)
EYnfo dall'Alaska (mir)
Apriamo il quadro! (attilio)
H7-25 (asdf)
Passione Elettrica (massimob)
Elettroni a spasso (guidob)
Bloguerra (guerra)





