Luridbeatle ha scritto:... premo il pulsante e vediamo che accade!!!
Un ultimo controllo visisivo e poi...
Quel che è fatto è fatto!
Moderatori:
carloc,
g.schgor,
BrunoValente,
IsidoroKZ
Luridbeatle ha scritto:... premo il pulsante e vediamo che accade!!!




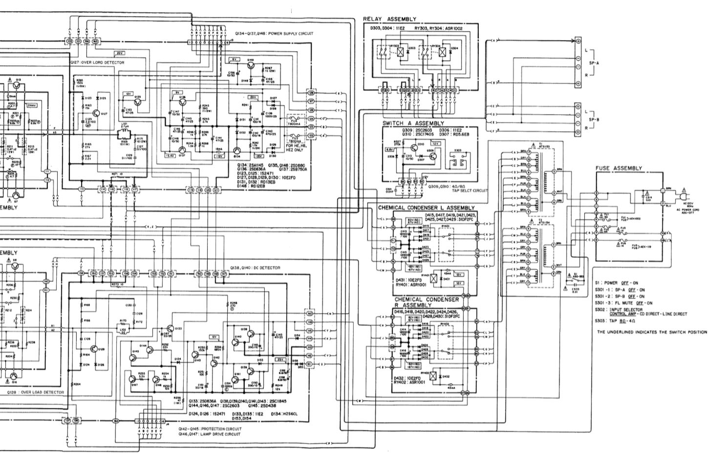
Luridbeatle ha scritto:Allora questa per darvi l'idea...






Luridbeatle ha scritto:Questo è il link...
Luridbeatle ha scritto:...E' probabile che...
Luridbeatle ha scritto:... Se do corrente, un lampo sui fusibili e tutto finisce!
Visitano il forum: Nessuno e 79 ospiti