Cos'è ElectroYou | Login Iscriviti

ElectroYou - la comunità dei professionisti del mondo elettrico

Sulla compensazione per un alimentatore con L200

Elettronica lineare e digitale: didattica ed applicazioni

Moderatori: Foto Utentecarloc, Foto Utenteg.schgor, Foto UtenteBrunoValente, Foto UtenteIsidoroKZ

0
voti

[21] Re: Sulla compensazione per un alimentatore con L200

Messaggioda Foto Utenteabusivo » 28 apr 2020, 20:12

marioursino ha scritto:
abusivo ha scritto:Ma anche no!

Perché no?

Temo di aver detto una c@zz@t@, sorry!
Se quello che funziona basta non lo tocca' sennò te lassa!
Avatar utente
Foto Utenteabusivo
13,3k 4 7 10
Master
Master
 
Messaggi: 7008
Iscritto il: 16 ott 2012, 18:43
Località: L'Aquila

0
voti

[22] Re: Sulla compensazione per un alimentatore con L200

Messaggioda Foto UtenteGiVi » 28 apr 2020, 20:25

Ragazzi, non riesco a seguirvi, ma con tanti circuiti che ho costruito sono stato propenso ad abbandonare l'L200, ne tengo ancora tanti nella cassettiera, ma, onestamente sono anni che non li utilizzo più. troppo instabili e in
commercio ci sono componenti più affidabili per prototipazioni veloci. ma se è per studio... beata gioventù
O_/
.
Avatar utente
Foto UtenteGiVi
325 4
Frequentatore
Frequentatore
 
Messaggi: 185
Iscritto il: 20 mar 2020, 21:27

0
voti

[23] Re: Sulla compensazione per un alimentatore con L200

Messaggioda Foto UtenteAletox » 29 apr 2020, 23:11

Buonasera a tutti!

Sono contento di aver aperto una bella discussione:)

Rispondo un po' in linea ai vari commenti..

- Foto Utenteedgar, mea culpa, nella fretta ho messo male il pot. Che come fai notare è sopra. Purtroppo ho cercato di cambiare lo schema ma erano già state aggiunte altre risposte.
Comunque se cerchi nell'AN c'è riferimento anche a quel condensatore, che appunto pensavo potesse aiutare a ridurre il guadagna ad alta frequenza.

- Foto UtentePietroBaima esattamente e precisamente. Infatti perquello secodo me poteva aver senso quel condensatore. Ho studiato e mi sono appassionato alla teoria della retroazione e della compensazione. Però volevo affrntare questo esempio "pratico" per analizzare nel conreto qualcosa.
Anche a me è sempre stato insegnato che la compensazione la si fa agendo sulla retroazione. Esiste anche la noise gain compensation che va ad aggiungere una coppia polo/zero in ingresso all'op-amp se non erro.
E per farla breve a me è stato fatto capire che il problema è che l'op-amp risposnde lentamente rispetto alla retroazione (per cui si ha una rotazione della fase del segnale di retroazione e così via).
Due parole molto veloci e forse ancor più confusionarie..

- Foto Utenteabusivo grande che mi segui su YouTube:) effettivamente come ormai ti hanno spiegato aggiungere un condensatore "sotto" è peggio perché taglia le gambe alla retroazione e forza l'op-amp (più tutti i transistor) ad aumentare il guadagno.

Domani correggolo schema e riposto una versione corretta.

Un saluto O_/
AT
"La teoria attrae la pratica come il magnete attrae il ferro" C. Gauss

Seguitemi anche su youtube, un saluto da AT O_/
https://www.youtube.com/c/atlaboratory
Avatar utente
Foto UtenteAletox
1.095 1 6 13
Expert
Expert
 
Messaggi: 263
Iscritto il: 27 feb 2014, 22:01

0
voti

[24] Re: Sulla compensazione per un alimentatore con L200

Messaggioda Foto Utenteabusivo » 29 apr 2020, 23:19

Aletox ha scritto:...Foto Utenteabusivo grande...

Mi tengo informato!
Se quello che funziona basta non lo tocca' sennò te lassa!
Avatar utente
Foto Utenteabusivo
13,3k 4 7 10
Master
Master
 
Messaggi: 7008
Iscritto il: 16 ott 2012, 18:43
Località: L'Aquila

0
voti

[25] Re: Sulla compensazione per un alimentatore con L200

Messaggioda Foto Utenteedgar » 30 apr 2020, 0:04

Aletox ha scritto:- se cerchi nell'AN c'è riferimento anche a quel condensatore

Non ne ho trovati
Avatar utente
Foto Utenteedgar
10,0k 4 5 8
Master
Master
 
Messaggi: 5229
Iscritto il: 15 set 2012, 22:59

0
voti

[26] Re: Sulla compensazione per un alimentatore con L200

Messaggioda Foto UtenteEcoTan » 30 apr 2020, 8:28

I regolatori lineari di tensione continua per me sono un po' strani. Ne ho fatti decine a componenti discreti, uno diverso dall'altro, e per prima cosa oscillano ma ormai so dove piazzare un condensatore da qualche centinaio di nF (e quindi poi un grosso elettrolitico all'uscita, altrimenti addio transitori di carico). Guardando l'uscita con l'oscilloscopio però vedo qualche spike casuale, sarà la reazione a disturbi esterni? Misurando la tensione vedo qualche stranezza, durante la manovra manuale del potenziometro che la fa variare, e non tutti i tester digitali si comportano allo stesso modo.
Avatar utente
Foto UtenteEcoTan
7.720 4 12 13
Expert EY
Expert EY
 
Messaggi: 5426
Iscritto il: 29 gen 2014, 8:54

0
voti

[27] Re: Sulla compensazione per un alimentatore con L200

Messaggioda Foto Utenteedgar » 30 apr 2020, 9:24

EcoTan ha scritto:Misurando la tensione vedo qualche stranezza, durante la manovra manuale del potenziometro che la fa variare

Potenziometro rumoroso ?
Avatar utente
Foto Utenteedgar
10,0k 4 5 8
Master
Master
 
Messaggi: 5229
Iscritto il: 15 set 2012, 22:59

1
voti

[28] Re: Sulla compensazione per un alimentatore con L200

Messaggioda Foto UtenteAletox » 1 mag 2020, 12:41

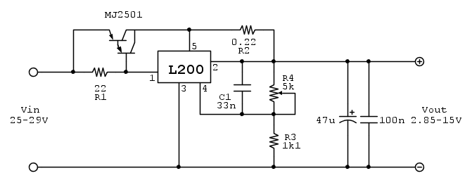
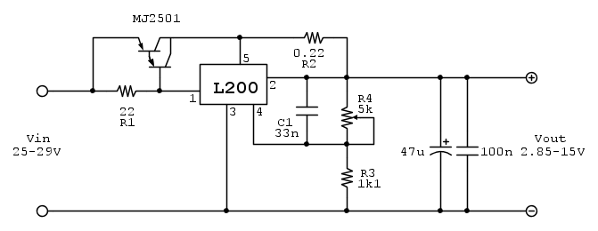
Ecco qui lo schema aggiornato e corretto.

In questo circuito il potenziometro di regolazione è ha in parallelo un condensatore (supposto di compensazione), questo forse potrebbe anche aiutare al rumore dovuto alla rotazione.

"La teoria attrae la pratica come il magnete attrae il ferro" C. Gauss

Seguitemi anche su youtube, un saluto da AT O_/
https://www.youtube.com/c/atlaboratory
Avatar utente
Foto UtenteAletox
1.095 1 6 13
Expert
Expert
 
Messaggi: 263
Iscritto il: 27 feb 2014, 22:01

0
voti

[29] Re: Sulla compensazione per un alimentatore con L200

Messaggioda Foto Utentemarioursino » 1 mag 2020, 14:08

Prova a ridurre C1 di un ordine di grandezza
Avatar utente
Foto Utentemarioursino
5.687 3 9 13
G.Master EY
G.Master EY
 
Messaggi: 1598
Iscritto il: 5 dic 2009, 4:32

0
voti

[30] Re: Sulla compensazione per un alimentatore con L200

Messaggioda Foto Utentemarioursino » 3 mag 2020, 8:45

Qualche novità?
Avatar utente
Foto Utentemarioursino
5.687 3 9 13
G.Master EY
G.Master EY
 
Messaggi: 1598
Iscritto il: 5 dic 2009, 4:32

PrecedenteProssimo

Torna a Elettronica generale

Chi c’è in linea

Visitano il forum: Nessuno e 202 ospiti