Schema oscillatore LC a transistor
Moderatori:
carloc,
g.schgor,
BrunoValente,
IsidoroKZ
38 messaggi
• Pagina 3 di 4 • 1, 2, 3, 4
0
voti
A voler essere precisi il titolo recita "Schema oscillatore LC a transistor"
Nella porta logica inverter per esempio sono contenuti due mosfet uno N e uno P che realizzano la porta inverter.
Passando oltre su un mio libro di testo ho scovato questo schema che puo tornare utile.
Ciao
Nella porta logica inverter per esempio sono contenuti due mosfet uno N e uno P che realizzano la porta inverter.
Passando oltre su un mio libro di testo ho scovato questo schema che puo tornare utile.
Ciao
600 Elettra
0
voti
Girogiro ha scritto:e perché a porte logiche se stavamo parlando di oscillatori analogici come per il titolo?
Una invertitore logico (senza isteresi) e` un amplificatore analogico che viene fatto lavorare ai limiti della dinamica, ma quando transita fra uno stato e l'altro e` un amplificatore. Se guardi gli oscillatori a quarzo fatti con un inverter (oscillatore Pierce), si vede bene che la porta e` usata come amplificatore.
Per usare proficuamente un simulatore, bisogna sapere molta più elettronica di lui
Plug it in - it works better!
Il 555 sta all'elettronica come Arduino all'informatica! (entrambi loro malgrado)
Se volete risposte rispondete a tutte le mie domande
Plug it in - it works better!
Il 555 sta all'elettronica come Arduino all'informatica! (entrambi loro malgrado)
Se volete risposte rispondete a tutte le mie domande
0
voti
stefanopc ha scritto:Passando oltre su un mio libro di testo ho scovato questo schema
Secondo me quello schema è più difficile da ragionare almeno le prime volte invece questo
https://it.wikipedia.org/wiki/Oscillatore#/media/File:Hartley_osc.png
è più facile da capirne la teoria
Metti che il circuito LC in regime di risonanza, nel circuito, abbia un certo fattore di merto Q
dal quale ricaverai la resistenza che sarebbe in parallelo a quel LC, diventato LCR
a quel punto conoscendo la corrente (a vuoto) nel FET potrai calcolare quale impedenza ti servirebbe sul Source per
avere una caduta, che farei come minimo uguale ad un paio di volt
per trovare così l' impedenza sul trasformatore (la bobina), di cui ti basterà il rapporto spire,
per rapportarci, l' impedenza calcolata per il Source, con la resistenza ricavata dal fattore di merito Q,
come ti permetterà di sapere dove andrà effettuata la presa
per poi verificare che all' innesco, sul Gate, ad ogni oscillazione la tensione, faccia aumentare quella precedente sul Source (guadagno maggiore di uno) fino a che il circuito non si stabilizzerà con un guadagno unitario intervenendo le saturazioni
Io la vedo dilettantisticamente così
0
voti
stefanopc ha scritto:Nel caso ti metto anche il circuito oscillatore a porte logiche.
Grazie Stefano , per i quarzi tra 1 e 16 MHz uso questo schema con transistor
e devo dire va sempre bene. Comunque il tuo schema è interessante , lo proverò sicuramente.
Grazie ciao
0
voti
però spiegaci perché quello ti oscillerebbe rispetto a quelli che non ti oscillerebbero,
di schemi è pieno internet!
P.s
I miei calcoletti detti in precedenza son solo poche proporzioni,
penso facili per tutti, un punto di partenza, poi che ci siano anche altre criticità verrebbe
per il seguito delle discussioni,
di schemi è pieno internet!
P.s
I miei calcoletti detti in precedenza son solo poche proporzioni,
penso facili per tutti, un punto di partenza, poi che ci siano anche altre criticità verrebbe
per il seguito delle discussioni,
1
voti
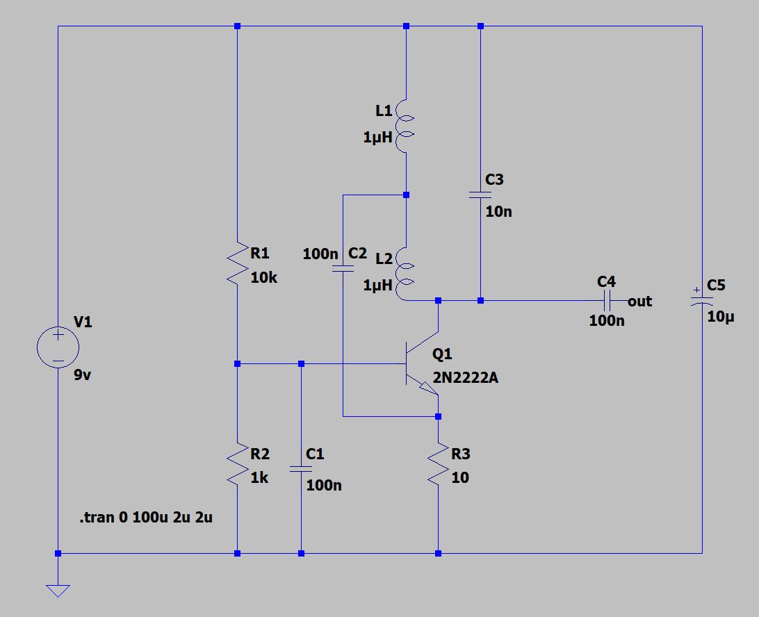
daninde64 ha scritto:Ciao ,
come da titolo cercavo uno schema da voi già collaudato per un oscillatore rigorosamente con un solo transistor e il gruppo oscillante deve essere composto da un'induttanza e un condensatore. La frequenza di lavoro da 50 kHz a 1 MHz
Cito me stesso e mi rispondo. Lo schema che ha dato i migliori risultati con le specifiche (piu o meno) citate è l'oscillatore di HARTLEY.
Appena messo su breadboard ha subito funzionato . Con i dati dello schema si ha una frequenza di lavoro di 1 MHz . La parte critica erano i due induttori che non riuscivo a trovare nei negozi di elettronica della mia zona. Ho risolto acquistando un set della BOJACK su AMAZON da 1uH in su.
L'obbiettivo finale è costruirmi da solo gli induttori. Chi fa da se fa per tre.
Ciao
0
voti
Se devi misurare le induttanze ti suggerisco un articolo che potrebbe interessare
https://www.electroyou.it/stefanopc/wik ... a-9-euro-4
Ciao.
https://www.electroyou.it/stefanopc/wik ... a-9-euro-4
Ciao.
600 Elettra
0
voti
IlGuru ha scritto:Si ma l'oscillatore Hartley usa due induttori, la richiesta era "il gruppo oscillante deve essere composto da un'induttanza e un condensatore"
I due induttivo possono essere accoppiati, così si ha un solo induttore con presa intermedia o anche considerabile un solo magnetico connesso ad autotrasformatore.
Alla richiesta avedo anche pensato all'oscillatore Meissner, ha un solo magnetico ma è un trasformatore!
Per usare proficuamente un simulatore, bisogna sapere molta più elettronica di lui
Plug it in - it works better!
Il 555 sta all'elettronica come Arduino all'informatica! (entrambi loro malgrado)
Se volete risposte rispondete a tutte le mie domande
Plug it in - it works better!
Il 555 sta all'elettronica come Arduino all'informatica! (entrambi loro malgrado)
Se volete risposte rispondete a tutte le mie domande
38 messaggi
• Pagina 3 di 4 • 1, 2, 3, 4
Chi c’è in linea
Visitano il forum: Nessuno e 37 ospiti

Elettrotecnica e non solo (admin)
Un gatto tra gli elettroni (IsidoroKZ)
Esperienza e simulazioni (g.schgor)
Moleskine di un idraulico (RenzoDF)
Il Blog di ElectroYou (webmaster)
Idee microcontrollate (TardoFreak)
PICcoli grandi PICMicro (Paolino)
Il blog elettrico di carloc (carloc)
DirtEYblooog (dirtydeeds)
Di tutto... un po' (jordan20)
AK47 (lillo)
Esperienze elettroniche (marco438)
Telecomunicazioni musicali (clavicordo)
Automazione ed Elettronica (gustavo)
Direttive per la sicurezza (ErnestoCappelletti)
EYnfo dall'Alaska (mir)
Apriamo il quadro! (attilio)
H7-25 (asdf)
Passione Elettrica (massimob)
Elettroni a spasso (guidob)
Bloguerra (guerra)








