oppure così:
Poi recupererà il dissipatore...
Moderatori:
carloc,
g.schgor,
BrunoValente,
IsidoroKZ

edgar ha scritto:Dubito che il trasformatore in foto eroghi correnti tali da mettere in difficoltà il 7809.una volta che ho ridotto e stabilizzato la tensione a 9 volt, se volessi ridurla ulteriormente ma per piccoli passi, tipo di 1 o 2 volt cosa mi consigliereste di aggiungere dopo il regolatore di tensione?
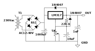
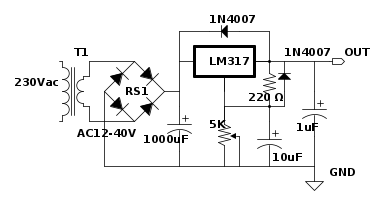
Un LM317 o equivalente con potenziometro per la regolazione delle tensione invece







gianniniivo ha scritto:Ma allora come hai fatto a determinare la tensione di 12,5V di quel trasformatore (come detto all'inizio della discussione)?


Visitano il forum: Nessuno e 56 ospiti