scheda elettronica passerella barca
Moderatori:
carloc,
g.schgor,
BrunoValente,
IsidoroKZ
35 messaggi
• Pagina 3 di 4 • 1, 2, 3, 4
0
voti
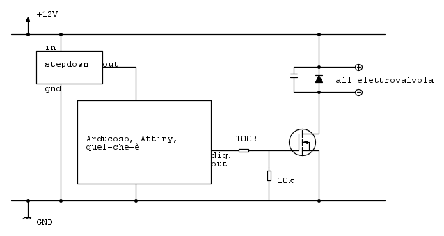
I resistori di gate del FET non sono critici, se non hai esattamente quelli, prendi qualcosa di simile (quello in serie al gate meglio non troppo elevato, quindi tendenzialmente scendi se devi sostituirlo).
Il diodo può essere un 1N400* o qualcosa del genere. Anche lui non critico.
Il condensatore in parallelo cortocircuita eventuali disturbi di commutazione in alta frequenza che le elettrovalvole a volte generano e che potrebbero portare ad un reset dell'arducoso. per questo tipo di applicazione, un ceramico, poliestere o polistirene (attento alla temperatura!) compreso tra 10 e 100 nF andrà bene.
Se hai un vecchio nucleo di ferrite (quelli che si trovavano sui cavi VGA o degli alimentatori dei laptop) facci passare ambi i fili che vanno all'elettrovalvola.
Come volevasi dimostrare, nel tuo setup un optoisolatore è assolutamente e completamente inutile.
Buon lavoro
Boiler
1
voti
boiler ha scritto:nel tuo setup un optoisolatore è assolutamente e completamente inutile
Sempre che la geometria dei cablaggi sia corretta e non porti a disturbi condotti (ground bounce ecc).
Con l'isolamento ottico, anche se non galvanico, si possono disaccoppiare meglio gli stadi di potenza dalla logica senza particolari precauzioni: due filettini per l'alimentazione della logica (che se ne resta nella sua isoletta), e tutto il resto "fa il giro da fuori" (ok, quasi tutto... la RF può passare lo stesso).
Mi sono già trovato con un antifurto camper microcontrollato con troppe masse/filature in giro, che nonostante ingressi e alimentazione filtrati, al suono del clacson variava l'impostazione di un prescaler interno.
Una domanda ben posta è già mezza risposta.
2
voti
djnz ha scritto:Mi sono già trovato con un antifurto camper microcontrollato con troppe masse/filature in giro, che nonostante ingressi e alimentazione filtrati, al suono del clacson variava l'impostazione di un prescaler interno.
Se il lavoro è una porcheria non aiuta nulla, nemmeno gli optoisolatori. Soprattutto se si tratta di RF (disturbo tipico generato da un clacson). In questi casi va filtrato correttamente (cosa non è triviale), distinguendo se il disturbo è condotto o radiato, common-mode o single-ended.
Boiler
0
voti
Bello lo schemino Boiler. Se riesco lo cablo su breadboard e lo testo. comunque sappiate che in barca non è che l'ambiente sia poi cosi elettromagneticamente disturbato. Nel peggior dei casi torno all'elettromeccanico.
0
voti
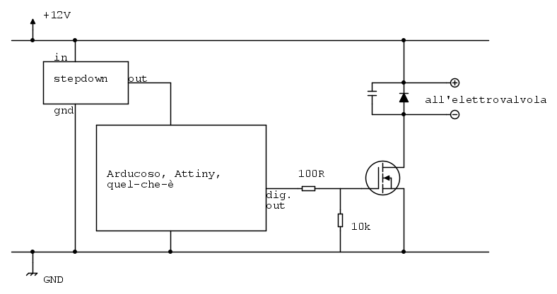
Ho ridisegnato lo schema di principio metterndo in evidenza le connessioni di massa.
Come sono e come vengono trattati gli ingressi digitali?

0
voti
Grazie Marco.
Gli ingressi vengono da semplici pulsanti NO. Deciderò se farli lavorare sui pin digitali o analogici (ho bisogno di 4 input). L'attivazione è "finché premuto" per cui credo non vi sia nemmeno bisogno di antirimbalzo.
La massa in barca ha il suo cavo dedicato dato che parliamo di scafo in vetroresina.
PS: siccome è stata sollevata la questione del mosfet sempre alimentato che è da evitare...stiamo rispettando questa condizione?
Gli ingressi vengono da semplici pulsanti NO. Deciderò se farli lavorare sui pin digitali o analogici (ho bisogno di 4 input). L'attivazione è "finché premuto" per cui credo non vi sia nemmeno bisogno di antirimbalzo.
La massa in barca ha il suo cavo dedicato dato che parliamo di scafo in vetroresina.
PS: siccome è stata sollevata la questione del mosfet sempre alimentato che è da evitare...stiamo rispettando questa condizione?
0
voti
Gli ingressi vengono da semplici pulsanti NO. Deciderò se farli lavorare sui pin digitali o analogici (ho bisogno di 4 input). L'attivazione è "finché premuto"
non hai risposto alla mia domanda, disegna lo schema elettrico di connessione.
Dal post 10:
Per gli ingressi logici, devi capire prime sa "chiudono a zero volt" oppure "chiudono a +12? V"
oppure sono un "contatto libero da tensione".
sono tre tipi di segnali, tutti possono essere NO

0
voti
MarcoD ha scritto:non hai risposto alla mia domanda, disegna lo schema elettrico di connessione.
Per gli ingressi logici, devi capire prime sa "chiudono a zero volt" oppure "chiudono a +12? V"
oppure sono un "contatto libero da tensione". Sono tre tipi di segnali, tutti possono essere NO
Marco, forse mi confondo, ma la tua domanda non mi è chiara. Cerco di spiegare e perdona la terminologia perché non sono un tecnico.
Il collegamento è esattamente quello del tuo schema, eccezion fatta per la massa che è su cavi dedicati e quindi è li che va collegata sia quella elettronica che di potenza.
Per i pulsanti devo decidere in che modalità farli lavorare, ovvero se dargli un positivo o un negativo che porteranno sul pin IN del microprocessore attraverso un partitore di tensione. Poi nel codice cambierò lo stato iniziale (HIGH o LOW) in modo corrispondente. Il blocco da te disegnato dovrà essere replicato per 4 (i movimenti richiesti) ed associato a 4 pulsanti che attiveranno anche la pompa perché quella deve partire sempre. Se vogliamo essere precisi c'è anche un altro attuatore che fa partire la pompa contemporaneamente all'apertura della EV di movimento.
0
voti
può essere corretto, ma precisa il concetto con uno schema elettrico indicando tensioni e valori di resistenza.ovvero se dargli un positivo o un negativo che porteranno sul pin IN del microprocessore attraverso un partitore di tensione.
Quanta corrente assorbono le elettrovalvole ? alimentate a 12 V ??
Che corrente massima sopportano i pulsanti ?? Sono a prova di intemperie o sono al coperto?
Un comando a levetta a deviatore alto / basso con posizione a riposo con tutto aperto sarebbe l'ideale?

35 messaggi
• Pagina 3 di 4 • 1, 2, 3, 4
Chi c’è in linea
Visitano il forum: Majestic-12 [Bot] e 132 ospiti

Elettrotecnica e non solo (admin)
Un gatto tra gli elettroni (IsidoroKZ)
Esperienza e simulazioni (g.schgor)
Moleskine di un idraulico (RenzoDF)
Il Blog di ElectroYou (webmaster)
Idee microcontrollate (TardoFreak)
PICcoli grandi PICMicro (Paolino)
Il blog elettrico di carloc (carloc)
DirtEYblooog (dirtydeeds)
Di tutto... un po' (jordan20)
AK47 (lillo)
Esperienze elettroniche (marco438)
Telecomunicazioni musicali (clavicordo)
Automazione ed Elettronica (gustavo)
Direttive per la sicurezza (ErnestoCappelletti)
EYnfo dall'Alaska (mir)
Apriamo il quadro! (attilio)
H7-25 (asdf)
Passione Elettrica (massimob)
Elettroni a spasso (guidob)
Bloguerra (guerra)








