Cos'è ElectroYou | Login Iscriviti

ElectroYou - la comunità dei professionisti del mondo elettrico

MSC750SMA170B Safe Operating Area

Elettronica lineare e digitale: didattica ed applicazioni

Moderatori: Foto Utentecarloc, Foto Utenteg.schgor, Foto UtenteBrunoValente, Foto UtenteIsidoroKZ

1
voti

[21] Re: MSC750SMA170B Safe Operating Area

Messaggioda Foto UtenteIsidoroKZ » 24 gen 2024, 23:57

BrunoValente ha scritto:Foto Utentecarloc, Foto UtenteIsidoroKZ, che ne pensate di questo IGBT? che tra l'altro costa anche poco.


Al di sotto di 10A ha caratteristica di conduzione positiva, bisogna fare attenzione alle fughe termiche.
Conosci questa AN di Infineon? era stata citata poco tempo fa.
Per usare proficuamente un simulatore, bisogna sapere molta più elettronica di lui
Plug it in - it works better!
Il 555 sta all'elettronica come Arduino all'informatica! (entrambi loro malgrado)
Se volete risposte rispondete a tutte le mie domande
Avatar utente
Foto UtenteIsidoroKZ
121,2k 1 3 8
G.Master EY
G.Master EY
 
Messaggi: 21059
Iscritto il: 17 ott 2009, 0:00

0
voti

[22] Re: MSC750SMA170B Safe Operating Area

Messaggioda Foto UtenteEtemenanki » 25 gen 2024, 14:49

So che ci sono mosfet che reggono 1700 e piu volt, ad esempio, IXTH3N200P3HV, che dal datasheet risulta avere una zona operativa sicura in DC di circa 60mA a 2kV (ad occhio, potresti arrivare a 100mA sui 1200V circa), che fanno comunque circa 4W dissipati in calore con una RdsON di 8 ohm ... usandolo per amplificare audio, serve vedere "come" lo usi, se in modo lineare non credo sia molto adatto, se in digitale potrebbe forse andare (anche se non e' proprio economico).

Valvole che reggano 1700 e piu volt non e' che siano molto comuni, mi ricordo la vecchia 803 dell'esercito USA, finale per tasmettitori che arrivava a 200W a 2kV (il solo filamento "ciucciava"* 50W) , oppure le 4CX250, sempre amplificatori RF a 2kV (arrivava credo sui 500MHz), ma non so quanto potrebbero essere efficenti se usate per l'audio.

A proposito, che ti serve in ambito audio una tensione simile, vuoi farci uno speaker a scarica di plasma, o hai da pilotarci dei vecchi altoparlanti piezoelettrici da stadio ? :mrgreen:


(*) termine tecnico riconosciuto internazionalmente :mrgreen:
"Sopravvivere" e' attualmente l'unico lusso che la maggior parte dei Cittadini italiani,
sia pure a costo di enormi sacrifici, riesce ancora a permettersi.
Avatar utente
Foto UtenteEtemenanki
9.527 3 6 10
Master
Master
 
Messaggi: 5950
Iscritto il: 2 apr 2021, 23:42
Località: Dalle parti di un grande lago ... :)

0
voti

[23] Re: MSC750SMA170B Safe Operating Area

Messaggioda Foto UtenteBrunoValente » 25 gen 2024, 17:54

IsidoroKZ ha scritto:Conosci questa AN di Infineon?

No, non la conoscevo, molto interessante e ben fatta, grazie.

Etemenanki ha scritto:Valvole che reggano 1700 e piu volt non e' che siano molto comuni, mi ricordo la vecchia 803 dell'esercito USA, finale per tasmettitori che arrivava a 200W a 2kV (il solo filamento "ciucciava"* 50W)


Be', volendo seguire questa via avrei una GU81 che dal filamento "ciuccia" 100W :mrgreen: ma preferirei qualcosa di più pratico.

Etemenanki ha scritto:A proposito, che ti serve in ambito audio una tensione simile, vuoi farci uno speaker a scarica di plasma, o hai da pilotarci dei vecchi altoparlanti piezoelettrici da stadio ?


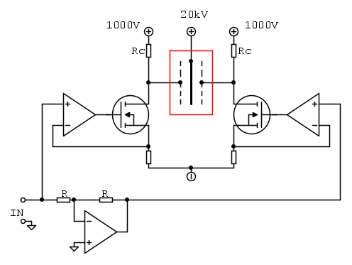
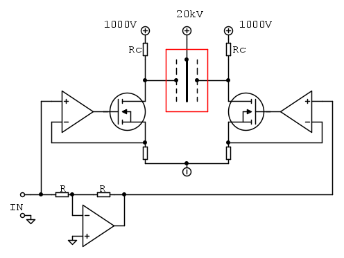
Avrei in mente di provare a realizzare un altoparlante elettrostatico, in pratica pilotato da un circuito basato su questo schema di principio



L'altoparlante è quello nel riquadro rosso e sarebbe costituito da due lamiere forate affiancate ad un paio di cm di distanza tra le quali c'è una membrana sottilissima e conduttrice polarizzata a 20kV.

A conti fatti con segnali audio di circa 1kVpp tra le piastre si dovrebbe raggiungere una discreta pressione acustica.

I mosfet dovrebbero dissipare a riposo circa 10-12W perché il carico è sostanzialmente capacitivo, circa 200pF, quindi bisogna fare i conti con la frequenza di taglio superiore che non dovrebbe scendere sotto 20kHz e quindi le due Rc non possono essere di valore superiore a circa 20kohm... spacca e pesa.
Avatar utente
Foto UtenteBrunoValente
39,6k 7 11 13
G.Master EY
G.Master EY
 
Messaggi: 7796
Iscritto il: 8 mag 2007, 14:48

0
voti

[24] Re: MSC750SMA170B Safe Operating Area

Messaggioda Foto UtenteBrunoValente » 25 gen 2024, 18:33

Tornando al componente che avevo in mente di provare, l'IGBT IKW15N120T2, la cui SOA è la seguente

SOA IKW15N120T2.png


non capisco perché sotto il grafico è specificato VGE=15V, cosa significa?
Avatar utente
Foto UtenteBrunoValente
39,6k 7 11 13
G.Master EY
G.Master EY
 
Messaggi: 7796
Iscritto il: 8 mag 2007, 14:48

0
voti

[25] Re: MSC750SMA170B Safe Operating Area

Messaggioda Foto Utentelelerelele » 26 gen 2024, 9:25

BrunoValente ha scritto:non capisco perché sotto il grafico è specificato VGE=15V, cosa significa?

visto che si parla di pilotaggio switching, con duty del 50%, devono assicurare una saturazione buona del componente, quindi la tensione gate va da 0 a 15V.

non capisco perché volere partire da un mosfet, che per impieghi di potenza non è adatto, di base.

saluti.
Avatar utente
Foto Utentelelerelele
4.899 3 7 9
Master
Master
 
Messaggi: 5505
Iscritto il: 8 giu 2011, 8:57
Località: Reggio Emilia

0
voti

[26] Re: MSC750SMA170B Safe Operating Area

Messaggioda Foto UtenteBrunoValente » 26 gen 2024, 10:33

lelerelele ha scritto:visto che si parla di pilotaggio switching, con duty del 50%, devono assicurare una saturazione buona del componente, quindi la tensione gate va da 0 a 15V.


La SOA non si riferisce ad un duty del 50%, è specificato D=0, quindi si riferisce ad un singolo impulso ma in ogni caso il grafico contempla anche la curva DC, quindi quel VGE=15V mi pare perda di significato in DC, inoltre non c'è scritto 0/+15V come nel grafico di sinistra dove evidentemente vuole lasciare intendere "commutazione con tensione VGE da 0V a +15V" ma solo VGE=15V e mi suona strano.

lelerelele ha scritto:non capisco perché volere partire da un mosfet, che per impieghi di potenza non è adatto, di base.


Tu cosa utilizzeresti? Hai qualche sigla da consigliarmi?
Avatar utente
Foto UtenteBrunoValente
39,6k 7 11 13
G.Master EY
G.Master EY
 
Messaggi: 7796
Iscritto il: 8 mag 2007, 14:48

0
voti

[27] Re: MSC750SMA170B Safe Operating Area

Messaggioda Foto UtenteEtemenanki » 26 gen 2024, 10:44

BrunoValente ha scritto:... una membrana sottilissima e conduttrice polarizzata a 20kV....


Se non ricordo male, la distanza di scarica in aria libera e' circa 1mm per kV (anche se cambia in funzione di umidita' temperatura e pressione), sei sicuro che un cm per parte sia sufficente fra membrana e piastre ?
"Sopravvivere" e' attualmente l'unico lusso che la maggior parte dei Cittadini italiani,
sia pure a costo di enormi sacrifici, riesce ancora a permettersi.
Avatar utente
Foto UtenteEtemenanki
9.527 3 6 10
Master
Master
 
Messaggi: 5950
Iscritto il: 2 apr 2021, 23:42
Località: Dalle parti di un grande lago ... :)

0
voti

[28] Re: MSC750SMA170B Safe Operating Area

Messaggioda Foto Utenteelfo » 26 gen 2024, 10:52

Etemenanki ha scritto:la distanza di scarica in aria libera e' circa 1mm per kV

3 kV/mm

Ignobile OT :(
Foto UtenteBrunoValente me lo impresteresti in estate come antizanzare? :mrgreen:
Avatar utente
Foto Utenteelfo
6.819 4 5 7
G.Master EY
G.Master EY
 
Messaggi: 2828
Iscritto il: 15 lug 2016, 13:27

0
voti

[29] Re: MSC750SMA170B Safe Operating Area

Messaggioda Foto UtenteBrunoValente » 26 gen 2024, 10:54

Etemenanki ha scritto:Se non ricordo male, la distanza di scarica in aria libera e' circa 1mm per kV (anche se cambia in funzione di umidita' temperatura e pressione), sei sicuro che un cm per parte sia sufficente fra membrana e piastre ?

Non sono sicuro di nulla :( , comunque mi pare che la rigidità dielettrica dell'aria sia di 3kV/mm
Avatar utente
Foto UtenteBrunoValente
39,6k 7 11 13
G.Master EY
G.Master EY
 
Messaggi: 7796
Iscritto il: 8 mag 2007, 14:48

0
voti

[30] Re: MSC750SMA170B Safe Operating Area

Messaggioda Foto UtenteBrunoValente » 26 gen 2024, 10:59

elfo ha scritto:Foto UtenteBrunoValente me lo impresteresti in estate come antizanzare? :mrgreen:

Certamente! Ma andrebbe aggiunto qualche led blu all'interno per attirale :mrgreen:
Avatar utente
Foto UtenteBrunoValente
39,6k 7 11 13
G.Master EY
G.Master EY
 
Messaggi: 7796
Iscritto il: 8 mag 2007, 14:48

PrecedenteProssimo

Torna a Elettronica generale

Chi c’è in linea

Visitano il forum: Nessuno e 149 ospiti