Cos'è ElectroYou | Login Iscriviti

ElectroYou - la comunità dei professionisti del mondo elettrico

I2C Bus Extender

Elettronica lineare e digitale: didattica ed applicazioni

Moderatori: Foto Utentecarloc, Foto Utenteg.schgor, Foto UtenteBrunoValente, Foto UtenteIsidoroKZ

0
voti

[21] Re: I2C Bus Extender

Messaggioda Foto Utenteboiler » 26 lug 2024, 13:39

theking0 ha scritto:Ora sto vedendo per prendere la Nucleo ma la versione NUCLEO-H533RE sembra sia "out of stock" su tutti i siti europei, devo cercarne una che abbia le caratteristiche richieste e che sia disponibile qui in EU.

Per esempio: NUCLEO-F207ZG (controlla sempre che davvero sia adeguata alle tue necessità!)

Boiler
Avatar utente
Foto Utenteboiler
26,4k 5 9 13
G.Master EY
G.Master EY
 
Messaggi: 5613
Iscritto il: 9 nov 2011, 12:27

0
voti

[22] Re: I2C Bus Extender

Messaggioda Foto Utentetheking0 » 26 lug 2024, 18:18

boiler ha scritto:...
In uscita ci faccio un buffer con questi, che sono veloci e sono in grado di pilotare comodamente una linea a 50 ohm:
https://www.ti.com/lit/ds/symlink/opa354.pdf
Da lì, cavo coassiale fino alla scheda con il microcontroller.

Sulla scheda con il micro ci mettiamo un altro buffer per adattare i livelli e fornire un drive solido all'ingresso dell'ADC.
...


Foto Utenteboiler: stavo rianalizzando un po' la cosa, ma serve per forza di cose un coassiale ?
devo portare alimentazione al sensore e vorrei fare tutto con un singolo cavo, se uso un cavo schermato a 4 poli ?
2 poli per l'alimentazione e 2 per X e Y del sensore (la Z non mi interessa). Ora so che mi dirai che esistono i cavi ibridi tipo questi:
multicore-cat6a-f-utp-ethernet-rg6-coaxial-video-cable-3CAT6SF-4RG6-1.png
multicore-cat6a-f-utp-ethernet-rg6-coaxial-video-cable-3CAT6SF-4RG6-1.png (38.73 KiB) Osservato 5516 volte

ma sai mi scoccerebbe un po' spendere 500 euro per prendere una bobina e usarne solo 4 metri :D

Altra cosa che volevo chiederti ... ho visto il datasheet del opa354, ti dirò che faccio veramente fatica a capire come usarlo nel mio caso, sia in trasmissione che in ricezione. Quando hai 5 minuti mi aiuteresti a dimensionare i componenti ?

O_/
Avatar utente
Foto Utentetheking0
1.442 1 6 11
Master
Master
 
Messaggi: 605
Iscritto il: 11 feb 2012, 22:37

0
voti

[23] Re: I2C Bus Extender

Messaggioda Foto Utentestefanopc » 26 lug 2024, 22:13

Si potrebbe tentare la via della linea bilanciata (twisted pair) così con un cavetto lan con 4 coppie (il classico cavetto di rete LAN Cat5 o un cavetto per allarmi entrambi schermati ) si potrebbe portare alimentazione e segnale.
Visto la frequenza non particolarmente elevata si ricade nel campo della componentistca per segnali audio.
Ad esempio.

https://sound-au.com/project51.htm

Altrimenti in una guaina adatta non è troppo complicato infilare due cavetti schermati e i restanti cavetti di alimentazione per lunghezze di qualche metro.
Ciao
600 Elettra
Avatar utente
Foto Utentestefanopc
13,3k 5 9 13
Master EY
Master EY
 
Messaggi: 5567
Iscritto il: 4 ago 2020, 9:11

0
voti

[24] Re: I2C Bus Extender

Messaggioda Foto Utentetheking0 » 26 lug 2024, 22:52

Foto Utentestefanopc: il cat 5 e' schermato a coppie, pensate possa andare bene ? mi agevolerebbe la cosa non da poco.
Potrei predisporre sulle schede dei sensori e su quella del microcontrollore un connettore rj45.
Avatar utente
Foto Utentetheking0
1.442 1 6 11
Master
Master
 
Messaggi: 605
Iscritto il: 11 feb 2012, 22:37

0
voti

[25] Re: I2C Bus Extender

Messaggioda Foto Utenteboiler » 26 lug 2024, 23:06

theking0 ha scritto:Foto Utenteboiler: stavo rianalizzando un po' la cosa, ma serve per forza di cose un coassiale ?

Il coassiale è la soluzione comoda per garantire l'integrità del segnale (pochi disturbi, linea a impedenza costante che permette di terminarla e evitare riflessioni).

Se è scomodo si può pensare ad un'altra soluzione (vedi sotto)

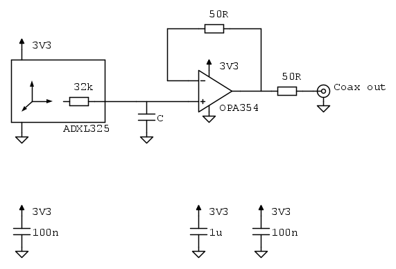
Altra cosa che volevo chiederti ... ho visto il datasheet del opa354, ti dirò che faccio veramente fatica a capire come usarlo nel mio caso, sia in trasmissione che in ricezione. Quando hai 5 minuti mi aiuteresti a dimensionare i componenti ?



Questo è il circuito a cui pensavo. In basso hai i condensatori di bypass, che vanno messi molto vicini ai pin dei rispettivi componenti.

La funzione di C è descritta nel datasheet dell'accelerometro, dimensionalo in base alle tue necessità.
Qui lo schema lavora con un cavo coassiale con impedenza caratteristica di 50 ohm. Il resistore in uscita fa parte del circuito di adattamento che serve ad evitare riflessioni.

I 50 ohm sul feedback invece non hanno niente a che vedere con i 50 ohm del cavo, ma è comodo usare lo stesso valore. Quelli servono ad evitare che in caso di segnali impulsivi l'ingresso venga cortocircuitato sull'uscita via i diodi di protezione interni dell'op-amp.

Veniamo alle alternative al coassiale.
Avevo pensato anch'io ad un Cat5e, come ha accennato Foto Utentestefanopc.
Molto economico e ti permette di portare un sacco di altri segnali a spasso.
L'unico "problema" è che un twisted pair andrebbe pilotato in modo differenziale, cosa che complica un pochino il circuito.

Per capire di quanto la cosa si complica (forse possiamo anche accontentarci di un pilotaggio pseudo-differenziale) dobbiamo sapere che tipo di segnali dobbiamo aspettarci. In particolare se ci sono componenti impulsive o se è tutto bello e sinusoidale e quale è la componente alla frequenza massima che vogliamo trasmettere.

La soluzione audio linkata ha una performace molto limitata e richiede un'alimentazione duale.
Normalmente il pilotaggio differenziale di segnali di questo tipo si fa diversamente, con FDA (fully differential (operational) amplifier). Ce ne sono di quelli che ti permettono di definire il common-mode in maniera comoda, avevo fatto qualcosa con un THS4551.

Boiler
Avatar utente
Foto Utenteboiler
26,4k 5 9 13
G.Master EY
G.Master EY
 
Messaggi: 5613
Iscritto il: 9 nov 2011, 12:27

0
voti

[26] Re: I2C Bus Extender

Messaggioda Foto Utentetheking0 » 26 lug 2024, 23:29

Avrei trovato questo, è un cavo multipolare con 5 coassiali da 75 ohm pensate possa essere una soluzione ?
cioè uso 2 core per X e Y e altri due per portare alimentazione ai sensori. Potrebbe funzionare ?

P.S. forse mi sto intrippando troppo per avere un solo cavo, credo che il consiglio di Foto Utentestefanopc di passare due coassiali e un bipolo schermato per l'alimentazione in una guaina sia una soluzione più adeguata.
Certo avrei 3 connettori sulla scheda dei sensori il che mi rompe un po' per l'ingombro ma come si dice "non si può avere la botte piena e la moglie ubriaca" :-P
Avatar utente
Foto Utentetheking0
1.442 1 6 11
Master
Master
 
Messaggi: 605
Iscritto il: 11 feb 2012, 22:37

0
voti

[27] Re: I2C Bus Extender

Messaggioda Foto Utentestefanopc » 27 lug 2024, 8:59

theking0 ha scritto:Certo avrei 3 connettori sulla scheda dei sensori il che mi rompe un po' per l'ingombro :-P

Non è obbligatorio a questa frequenza che il coax arrivi in un connettore dedicato (Bnc Sma Din ecc.)
I cavi coax e anche le alimentazioni si possono tranquillamente cablare in una sola seriale 9poli col fermacavo ecc.
Ci vuole un minimo di accortezza e di pazienza ma è sicuramente fattibile.
Di solito la calza viene saldata ad un piccolo spezzone di filo più adatto alla saldatura sul terminale.
Ciao
600 Elettra
Avatar utente
Foto Utentestefanopc
13,3k 5 9 13
Master EY
Master EY
 
Messaggi: 5567
Iscritto il: 4 ago 2020, 9:11

0
voti

[28] Re: I2C Bus Extender

Messaggioda Foto Utentetheking0 » 27 lug 2024, 9:35

Foto Utentestefanopc: se mi dici cosi a questo punto provo a rimediare qualcosa del genere e faccio un lavoro fatto meglio:
30164715-01.jpg
30164715-01.jpg (5.2 KiB) Osservato 5362 volte

Pensavo di non collegare le schermature da lato sensori, ma solo dal lato della scheda con il micro, per evitare loop di massa :roll:
Avatar utente
Foto Utentetheking0
1.442 1 6 11
Master
Master
 
Messaggi: 605
Iscritto il: 11 feb 2012, 22:37

0
voti

[29] Re: I2C Bus Extender

Messaggioda Foto Utentestefanopc » 27 lug 2024, 10:07

Al lavoro abbiamo una discreta quantità connessioni di vario genere fino a 2Mbit/s sia coax che bilanciate e terminano in connessione DB9.
Ci sono quelle con guscio metallico e si può saldare anche la massa sul lato smussato della " vaschetta" ottenendo una ulteriore connessione di massa.
Sul discorso delle masse bisogna valutare attentamente i pro e i contro delle diverse possibilità.
Idealmente la corrente di alimentazione non dovrebbe passare sulla calza del coax ma se la corrente é molto bassa e abbastanza priva di variazioni (filtrata) su distanze brevi potrebbe essere relativamente poco influente.
Diversamente i occorre isolare le due alimentazioni con un Dc/Dc dedicato.
Ovviamente il telaio metallico che compone la struttura andrà gestito in un unico punto.
Ciao
600 Elettra
Avatar utente
Foto Utentestefanopc
13,3k 5 9 13
Master EY
Master EY
 
Messaggi: 5567
Iscritto il: 4 ago 2020, 9:11

0
voti

[30] Re: I2C Bus Extender

Messaggioda Foto Utentetheking0 » 27 lug 2024, 13:25

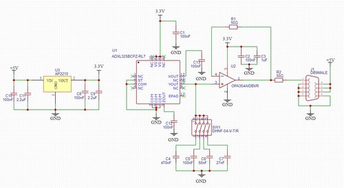
Io avrei buttato giù una cosa del genere:

SCH.JPG

TOP.JPG

BOTT.JPG


Alla fine uso solo l'asse X, gli altri non mi servono.
Ho pensato di usare in dip switch per settare il fitro passa-basso sull'asse, almeno ho un po' di margine di configurazione. Voi che dite ? possa andare bene ?

P.S. per la felicità di Foto Utenteboiler ho sbrogliato tutto in mono faccia e usato il bottom layer solo come piano di massa ;-)
Avatar utente
Foto Utentetheking0
1.442 1 6 11
Master
Master
 
Messaggi: 605
Iscritto il: 11 feb 2012, 22:37

PrecedenteProssimo

Torna a Elettronica generale

Chi c’è in linea

Visitano il forum: Nessuno e 147 ospiti