Cos'è ElectroYou | Login Iscriviti

ElectroYou - la comunità dei professionisti del mondo elettrico

Thread sugli operazionali

Elettronica lineare e digitale: didattica ed applicazioni

Moderatori: Foto Utentecarloc, Foto Utenteg.schgor, Foto UtenteBrunoValente, Foto UtenteIsidoroKZ

1
voti

[201] Re: Thread sugli operazionali

Messaggioda Foto Utentesimo85 » 12 feb 2013, 22:40

elegos ha scritto:Allora è un banalissimo amp non invertente ^^

Con resistenza di carico. :-)
Avatar utente
Foto Utentesimo85
30,9k 7 12 13
Disattivato su sua richiesta
 
Messaggi: 9927
Iscritto il: 30 ago 2010, 4:59

0
voti

[202] Re: Thread sugli operazionali

Messaggioda Foto Utenteelegos » 12 feb 2013, 22:40

Bella domanda, ma ho un prurito come se dovessi saperlo :mrgreen:

Foto Utentesimo85: resistenza di carico? :^o
Avatar utente
Foto Utenteelegos
335 3 6
Frequentatore
Frequentatore
 
Messaggi: 183
Iscritto il: 29 gen 2013, 19:43
Località: Milano

0
voti

[203] Re: Thread sugli operazionali

Messaggioda Foto Utentesimo85 » 12 feb 2013, 22:43

Mai visto nei circuiti elettrici e/o elettronici una resistenza denominata R_\text{L}?
Avatar utente
Foto Utentesimo85
30,9k 7 12 13
Disattivato su sua richiesta
 
Messaggi: 9927
Iscritto il: 30 ago 2010, 4:59

2
voti

[204] Re: Thread sugli operazionali

Messaggioda Foto UtentePietroBaima » 12 feb 2013, 22:45

he he he

Non serve a niente perché quella resistenza è collegata all'uscita dell'operazionale.
Come correttamente ti ha detto Foto Utentesimo85 quella è una resistenza di carico, cioè una resistenza che l'operazionale vede alla sua uscita ma che non prende parte nel determinare la sua funzione di trasferimento.

Torna un momento alle origini: se ti riconduci al modello dell'operazionale che abbiamo visto, quando la tensione di uscita cresce per far raggiungere al morsetto invertente la tensione presente sul morsetto non invertente, quella resistenza ha un ruolo?
Generatore codice per articoli:
nomi
Sul forum:
[pigreco]=π
[ohm]=Ω
[quadrato]=²
[cubo]=³
Avatar utente
Foto UtentePietroBaima
90,7k 7 12 13
G.Master EY
G.Master EY
 
Messaggi: 12207
Iscritto il: 12 ago 2012, 1:20
Località: Londra

0
voti

[205] Re: Thread sugli operazionali

Messaggioda Foto Utenteelegos » 12 feb 2013, 22:55

Sì, qualora ci sia un altro partitore di tensione per resistenze... giusto?
Avatar utente
Foto Utenteelegos
335 3 6
Frequentatore
Frequentatore
 
Messaggi: 183
Iscritto il: 29 gen 2013, 19:43
Località: Milano

1
voti

[206] Re: Thread sugli operazionali

Messaggioda Foto UtentePietroBaima » 12 feb 2013, 23:00

Come? hai in mente uno schema elettrico di esempio?
Generatore codice per articoli:
nomi
Sul forum:
[pigreco]=π
[ohm]=Ω
[quadrato]=²
[cubo]=³
Avatar utente
Foto UtentePietroBaima
90,7k 7 12 13
G.Master EY
G.Master EY
 
Messaggi: 12207
Iscritto il: 12 ago 2012, 1:20
Località: Londra

0
voti

[207] Re: Thread sugli operazionali

Messaggioda Foto Utenteelegos » 12 feb 2013, 23:06

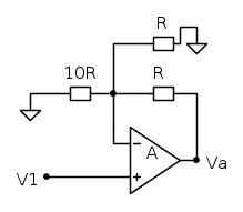
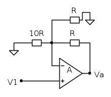
Ad esempio questo:



EDIT: non ha un ruolo sull'opamp, ma ha un ruolo per l'elemento successivo
Avatar utente
Foto Utenteelegos
335 3 6
Frequentatore
Frequentatore
 
Messaggi: 183
Iscritto il: 29 gen 2013, 19:43
Località: Milano

1
voti

[208] Re: Thread sugli operazionali

Messaggioda Foto UtentePietroBaima » 12 feb 2013, 23:11

elegos ha scritto:EDIT: non ha un ruolo sull'opamp, ma ha un ruolo per l'elemento successivo


Già, quindi quando studiamo quell'opamp non serve :mrgreen:
Generatore codice per articoli:
nomi
Sul forum:
[pigreco]=π
[ohm]=Ω
[quadrato]=²
[cubo]=³
Avatar utente
Foto UtentePietroBaima
90,7k 7 12 13
G.Master EY
G.Master EY
 
Messaggi: 12207
Iscritto il: 12 ago 2012, 1:20
Località: Londra

0
voti

[209] Re: Thread sugli operazionali

Messaggioda Foto UtentePietroBaima » 12 feb 2013, 23:43

Quindi, in definitiva, quanto vale Va?

Generatore codice per articoli:
nomi
Sul forum:
[pigreco]=π
[ohm]=Ω
[quadrato]=²
[cubo]=³
Avatar utente
Foto UtentePietroBaima
90,7k 7 12 13
G.Master EY
G.Master EY
 
Messaggi: 12207
Iscritto il: 12 ago 2012, 1:20
Località: Londra

0
voti

[210] Re: Thread sugli operazionali

Messaggioda Foto Utenteelegos » 13 feb 2013, 0:41

Scusa, questi sono stati giorni d'inferno >.<

In ogni caso, qui rimane solo un'altra resistenza con 0V dall'altra parte. A questo punto immagino che A- derivi da due effetti di due partitori di tensione?
Avatar utente
Foto Utenteelegos
335 3 6
Frequentatore
Frequentatore
 
Messaggi: 183
Iscritto il: 29 gen 2013, 19:43
Località: Milano

PrecedenteProssimo

Torna a Elettronica generale

Chi c’è in linea

Visitano il forum: Nessuno e 54 ospiti